LEMON Manuals: Even more car manuals for everyone: 1960-2025
Home >> Infiniti >> 2009 >> M45 Base >> Repair and Diagnosis >> External Pages >> Different car >> Section 80 (Body Control System) >> BCM (Body Control Module) >> Schematic
April 5, 2026: LEMON Manuals is launched! Read the announcement.

BCM (Body Control Module): Schematic

WARNING: This page is about a different car, the 2008 Infiniti FX45 and 2008 Infiniti FX35. However, it is still accessible from the selected car via links, so may be relevant.
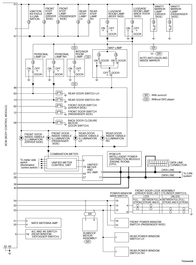
Fig 1: Body Control Module Schematic Diagram (1 Of 2)
G05222601Courtesy of NISSAN MOTOR CO., U.S.A.
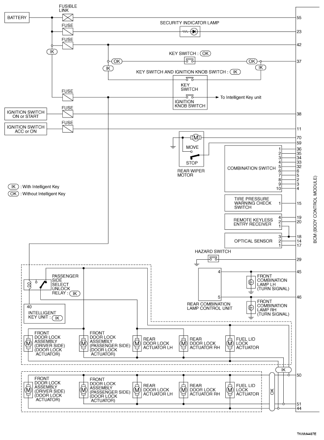
Fig 2: Body Control Module Schematic Diagram (2 Of 2)
G05222602Courtesy of NISSAN MOTOR CO., U.S.A.