LEMON Manuals: Even more car manuals for everyone: 1960-2025
Home >> Infiniti >> 2010 >> M35 Base >> Repair and Diagnosis >> Engine Performance >> System >> Engine Control System - System And Component Testing >> Ignition Signal >> Wiring Diagram
April 5, 2026: LEMON Manuals is launched! Read the announcement.

Ignition Signal: Wiring Diagram

NOTE: For PG-Power, go to POWER SUPPLY, GROUND & CIRCUIT ELEMENTS .
Fig 1: EC-IGNSYS-01 - Wiring Diagram
G06306819Courtesy of NISSAN MOTOR CO., U.S.A.
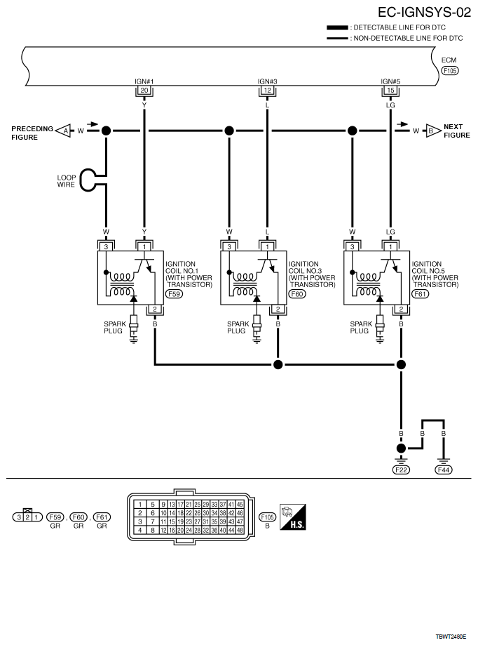
Fig 2: EC-IGNSYS-02 - Wiring Diagram
G06306820Courtesy of NISSAN MOTOR CO., U.S.A.
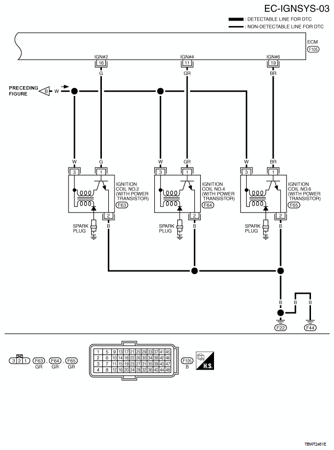
Fig 3: EC-IGNSYS-03 - Wiring Diagram
G06306821Courtesy of NISSAN MOTOR CO., U.S.A.