LEMON Manuals: Even more car manuals for everyone: 1960-2025
Home >> Infiniti >> 2011 >> M37 Base >> Repair and Diagnosis >> External Pages >> Different car >> Section 74 (Audio, Visual & Navigation System) >> Basic Inspection >> Calibrating Camera Image (Around View Monitor) >> Work Procedure >> Calibration procedure
April 5, 2026: LEMON Manuals is launched! Read the announcement.

Calibration procedure

WARNING: This page is about a different car, the 2012 Infiniti QX56. However, it is still accessible from the selected car via links, so may be relevant.
  1. AROUND VIEW MONITOR SCREEN CONFIRMATION

    Check that there is the un-match display in any camera.

    Is the un-match display visible? 

    YES: GO TO 2.

    NO: GO TO  4.

    Fig 1: Screen Display - Un-Match Display
    G07024154Courtesy of NISSAN NORTH AMERICA, INC.
  2. CHECK THAT AROUND VIEW MONITOR CONTROL UNIT IS REPLACED

    Check that the around view monitor control unit is replaced.

    Is the around view monitor control unit replaced? 

    YES: GO TO 3.

    NO: GO TO  5.

  3. RELEASE UN-MATCH DISPLAY (PERFORM ONLY WHEN THE AROUND VIEW MONITOR CONTROL UNIT IS REPLACED)
    1. Select "Camera Cont." of Confirmation/Adjustment mode, and then set to "Calibrating Camera Image" mode.
    2. Press the "ENTER" switch of the multifunction switch on each screen of "Rear Camera", "Front Camera", "Dr-Side Camera", "Pass-Side Camera".
      CAUTION:
      • Do never operate the center dial and up/down/left/right switches. Only press the "ENTER" switch.
      • Never perform "Initialize Camera Image Calibration".
    3. Display the around view monitor screen, and check that there is no malfunction such as a difference between each camera image.

      Is there a malfunction? 

      YES: Calibration end

      NO: GO TO  1.

      Fig 2: Calibrating Camera Image
      G07024048Courtesy of NISSAN NORTH AMERICA, INC.
  4. PERFORM SIMPLIFIED CONFIRMATION/ADJUSTMENT BY "FINE TUNING OF BIRDS-EYE VIEW"
    1. Put target line 1 on the ground beside each axle using packing tape, etc.
    2. Put target lines 2 equal to the vehicle total length + approximately 1.0 m (39.3 in) from the vehicle side (right and left) at approximately 30 cm (11.8 in) away from the vehicle (make the line as parallel with the vehicle as possible)
      Fig 3: Preparation Of Simplified Target Line
      G08259653Courtesy of NISSAN NORTH AMERICA, INC.
    3. Select "Camera Cont." of Confirmation/Adjustment mode, and then set to "Fine Tuning of Birds-Eye View" mode.
    4. Select left and right cameras by pressing the "CAMERA" switch, and perform the following confirmation.
      • Check that target line 1 is aligned with the marker on the screen. Overlap the line aligned to the marker with the upper/lower switches if necessary.
      • Check if there is a difference between target lines 2 between cameras. Adjust target lines 2 to be straight lines by operating the center dial and left/right switches if necessary.
        CAUTION:
        • Never adjust the front camera and rear camera. Only adjust the right and left cameras.
        • Operate the center dial slowly because the changing of the screen takes approximately 1 second.
          Fig 4: Simplified Target Line Adjustment Method
          G08259654Courtesy of NISSAN NORTH AMERICA, INC.
    5. Adjust left and right cameras. Check that the difference between target line 1 and the marker on the screen, and between target lines 2 is solved.
      NOTE:
      • It can be initialized to the NISSAN factory default condition with "Initialize Camera Image Calibration" of "Calibrating Camera Image".
      • The adjustment value is cancelled on this mode by performing "Initialize Camera Image Calibration".

      Is the difference corrected? 

      YES: Finish the writing to around view monitor control unit by pressing "ENTER" switch.

      NO: GO TO 5.

  5. PERFORM "CALIBRATING CAMERA IMAGE"

    Preparation of target line

    1. Hang a string with a weight as shown in the figure below. Put the points FM0, RM0 (mark) on the ground at the center of the vehicle front end and rear end with white packing tape or a pen.
    2. Route the vinyl string under the vehicle, and then pull and fix it on the point approximately 1.0 m (39.9 in) to the front and rear of the vehicle through the points FM0 and RM0 using packing tape.
      Fig 5: Target Line Preparation Procedure 1
      G08259655Courtesy of NISSAN NORTH AMERICA, INC.
    3. Put the points FM and RM (mark) 75 cm (29.5 in) from the points FM0 and RM0 individually.
    4. Route the vinyl string through the points FM and RM using a triangle scale, and then fix it at approximately 1.5 m (59 in) on both sides with packing tape.
    5. Put the points FL, FR, RL, and RR (mark) to both right and left [vehicle width / 2 + 30 cm (11.8 in)] from the points FM and RM.
      Fig 6: Target Line Preparation Procedure 2
      G08259656Courtesy of NISSAN NORTH AMERICA, INC.
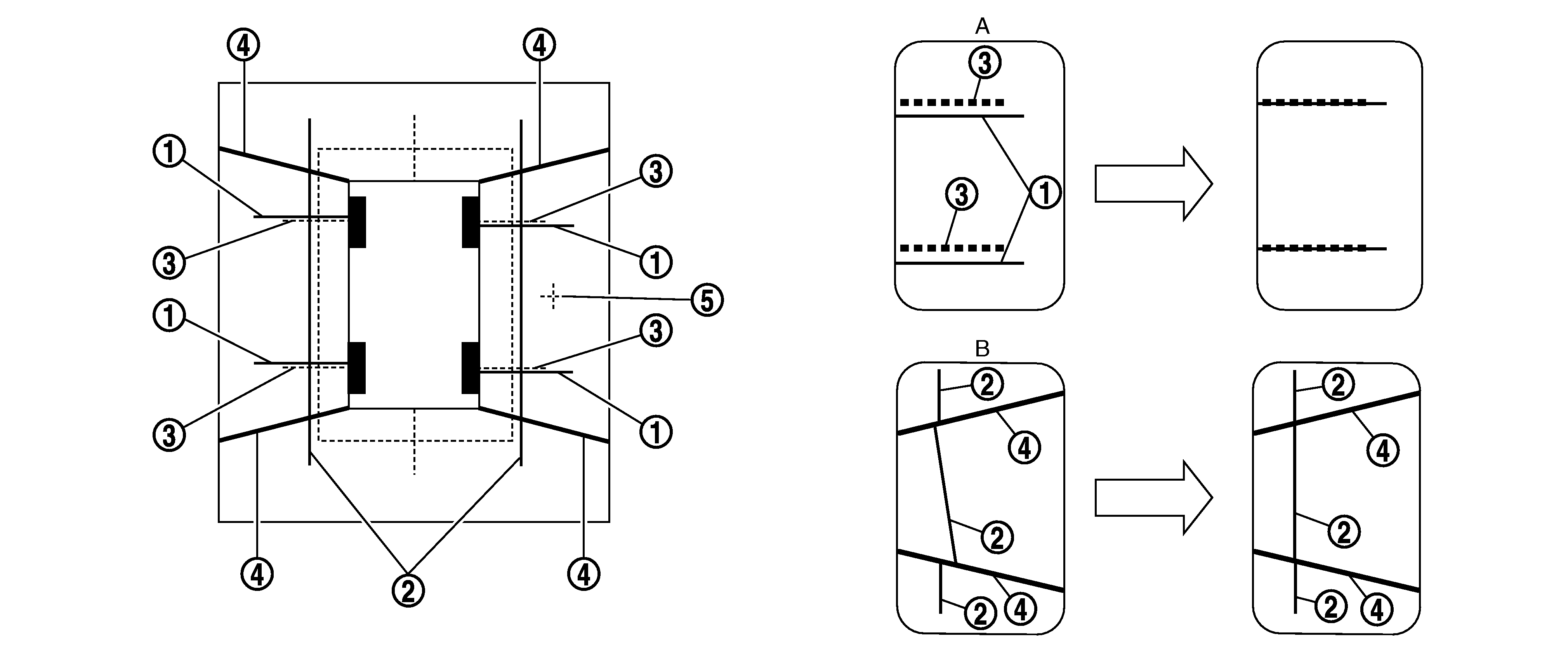
    6. Draw the lines of the points FL - RL and FR - RR with vinyl string, and fix it with packing tape.
    7. Put a mark on the center of each axle, draw vertical lines to the lines of the points FL - RL and FR - RR from the marks on the center of the axle using a triangle scale, and then fix the lines using packing tape.
      Fig 7: Target Line Preparation Procedure 3
      G08259657Courtesy of NISSAN NORTH AMERICA, INC.

    Perform "Calibrating Camera Image"

    1. Select "Camera Cont." of "Confirmation/Adjustment" mode, and then set to "Calibrating Camera Image" mode.
    2. Overlap the target lines drawn on the ground with the calibration marker on the screen by operating the center dial and upper/lower/left/right switches of multifunction switch on each screen of "Rear Camera", "Pass-Side Camera", "Front Camera", "Dr-Side Camera".
      Fig 8: Display - Camera Image Calibration Screen
      G08259658Courtesy of NISSAN NORTH AMERICA, INC.
    3. "Writing..." is displayed by pressing the "ENTER" switch, and then the adjustment result is written to the around view monitor control unit.
      CAUTION: Check that "Writing..." is displayed. Do never perform other operations while "Writing..." is displayed.

      : GO TO 6.

  6. PERFORM "FINE TUNING OF BIRDS-EYE VIEW"

    This mode is designed to align the boundary between each camera image that could not be aligned in the "Calibrating Camera Image" mode.

    1. Select "Camera Cont." of "Confirmation/Adjustment" mode, and then set to "Fine Tuning of Birds-Eye View" mode.
    2. Operate the center dial and upper/lower/left/right switch to overlap the marker on the screen and the target lines on the ground.
      NOTE: Move the "+"-mark on the camera position to adjustment by pressing the "CAMERA" switch.
    3. When the target line is overlapped on the marker, press the "ENTER" switch to write the adjustment result to the around view monitor control unit.
      CAUTION: Check that "Writing..." is displayed. Do never perform other operations while "Writing..." is displayed.
      Fig 9: Screen Display - Fine Tuning Of Birds-Eye View
      G07024049Courtesy of NISSAN NORTH AMERICA, INC.
      NOTE:
      • It can be initialized to the NISSAN factory default condition with "Initialize Camera Image Calibration" of "Calibrating Camera Image".
      • The adjustment value is cancelled on this mode by performing "Initialize Camera Image Calibration".

        : Calibration end