LEMON Manuals: Even more car manuals for everyone: 1960-2025
Home >> Infiniti >> 2017 >> Q60 Base, AWD >> Repair and Diagnosis >> External Pages >> Different variant/trim >> Section 6 (Engine Control System (Introduction) (VR30DDTT)) >> System Description >> System >> Engine Control System >> Circuit Diagram (Turbo Low Pressure Model)
April 5, 2026: LEMON Manuals is launched! Read the announcement.

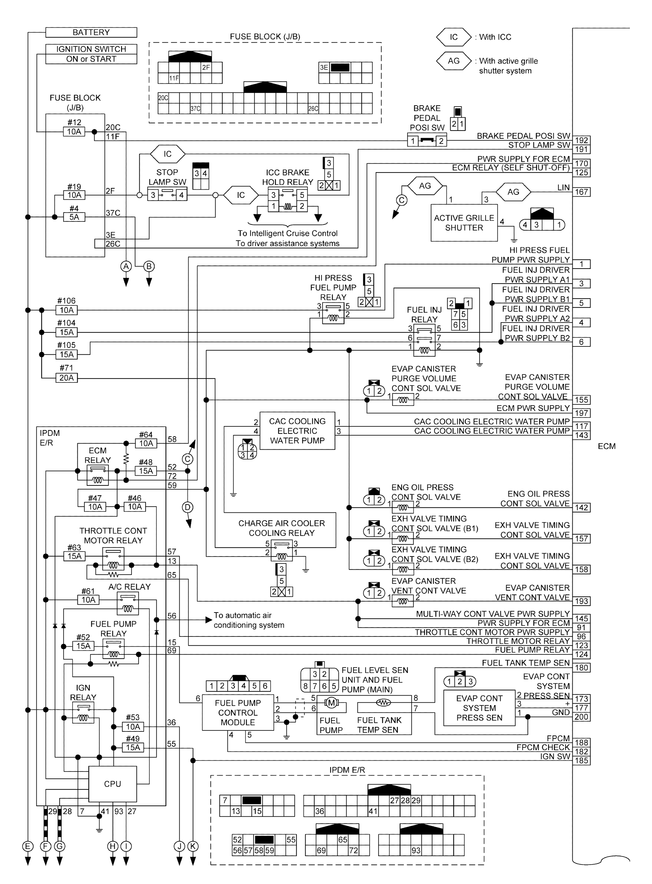
Circuit Diagram (Turbo Low Pressure Model)

WARNING: This page is about a different variant/trim than selected.
GNSJSBIB2404GB-404Courtesy of NISSAN NORTH AMERICA, INC.
GNSJSBIB0603GB-603Courtesy of NISSAN NORTH AMERICA, INC.
GNSJSBIB0604GB-604Courtesy of NISSAN NORTH AMERICA, INC.
GNSJSBIB0605GB-605Courtesy of NISSAN NORTH AMERICA, INC.