LEMON Manuals: Even more car manuals for everyone: 1960-2025
Home >> Isuzu >> 1996 >> Hombre L4-2.2L CPC >> Repair and Diagnosis >> Powertrain Management >> Computers and Control Systems >> Relays and Modules - Computers and Control Systems >> Engine Control Module >> Diagrams >> Electrical Diagrams
April 5, 2026: LEMON Manuals is launched! Read the announcement.

Electrical Diagrams

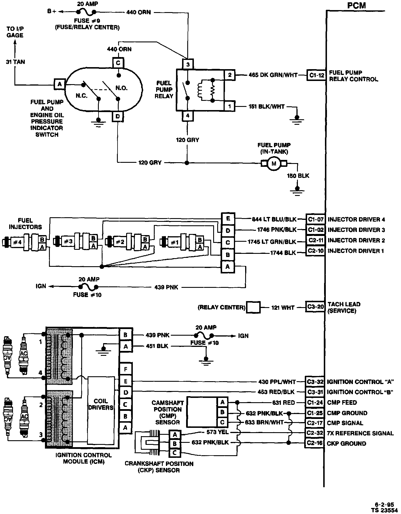
Powertrain Control Module Wiring Diagrams

PCM Circuits (1 Of 5):




Part 1 of 5

PCM Circuits (2 Of 5):




Part 2 of 5

PCM Circuits (3 Of 5):




Part 3 of 5

PCM Circuits (4 Of 5):




Part 4 of 5

PCM Circuits (5 Of 5):




Part 5 of 5