LEMON Manuals: Even more car manuals for everyone: 1960-2025
Home >> Isuzu >> 1996 >> Hombre L4-2.2L CPC >> Repair and Diagnosis >> Powertrain Management >> Computers and Control Systems >> Testing and Inspection >> Initial Inspection and Diagnostic Overview >> Description of On-Board Diagnostics >> Powertrain Control Module (PCM) Diagnosis >> PCM Related Circuits
April 5, 2026: LEMON Manuals is launched! Read the announcement.

PCM Related Circuits

Power And Ground - Powertrain Control Circuits:




Power And Ground

Ignition - Powertrain Control Circuits:




Ignition

Fuel Controls - Powertrain Control Circuits:




Fuel Controls

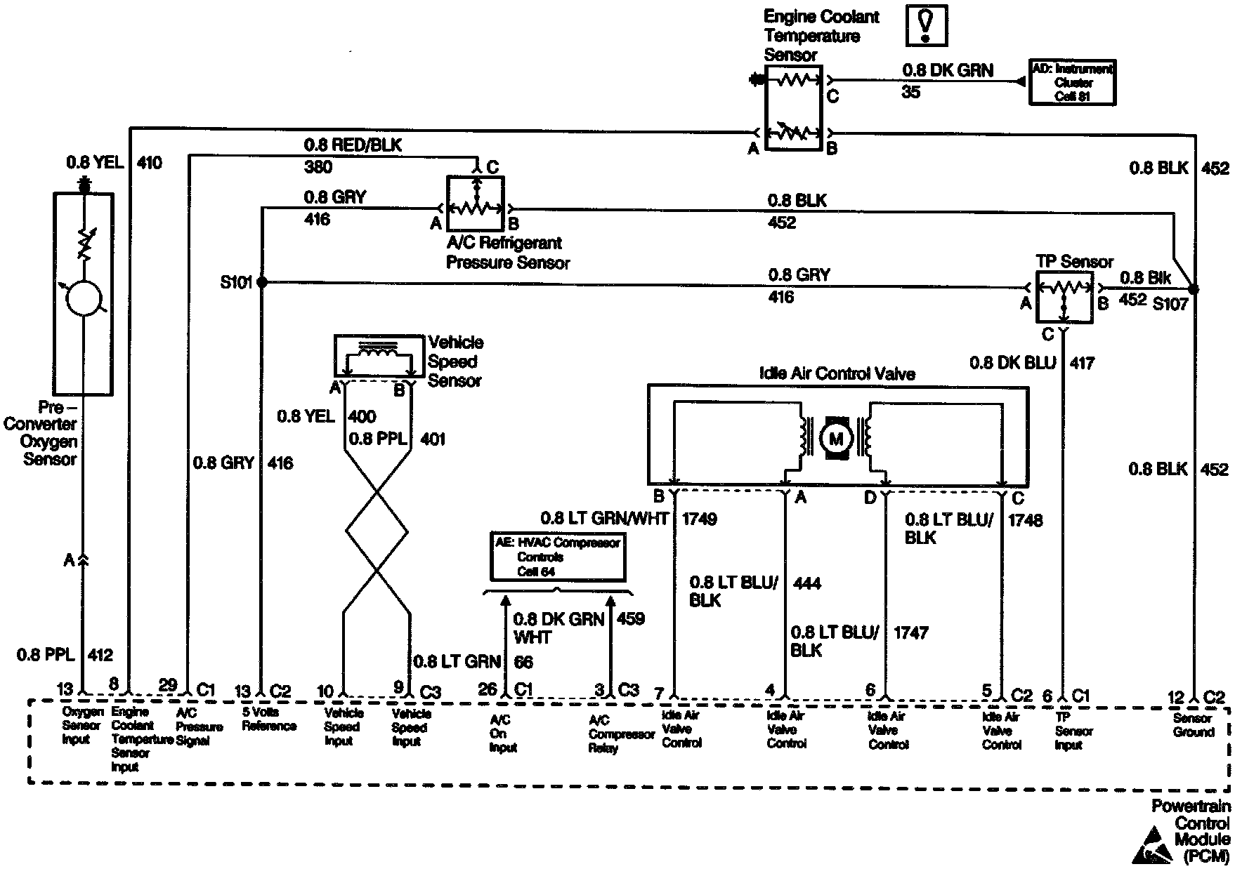
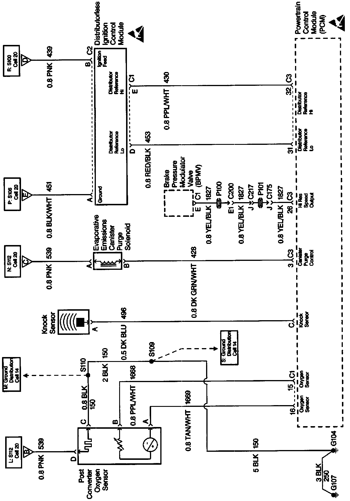
Sensors - Powertrain Control Circuits (1 Of 3):




Sensors - Powertrain Control Circuits (2 Of 3):




Sensors - Powertrain Control Circuits (3 Of 3):




Sensors

Circuit Reference Chart:




Circuit Reference Chart