LEMON Manuals: Even more car manuals for everyone: 1960-2025
Home >> Isuzu >> 1998 >> Trooper LS V6-3.5L >> Repair and Diagnosis >> Diagrams >> Electrical Diagrams >> Powertrain Management >> Engine Control Module
April 5, 2026: LEMON Manuals is launched! Read the announcement.

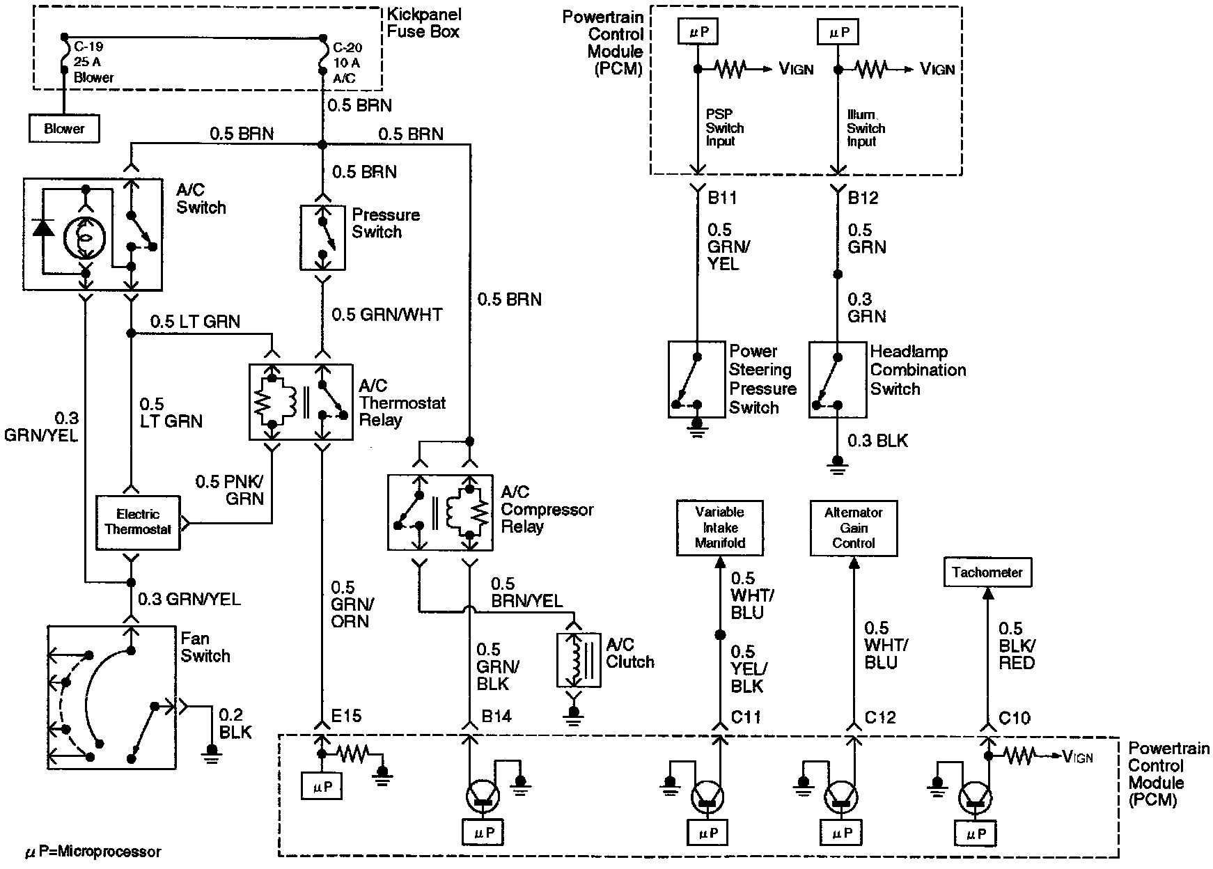
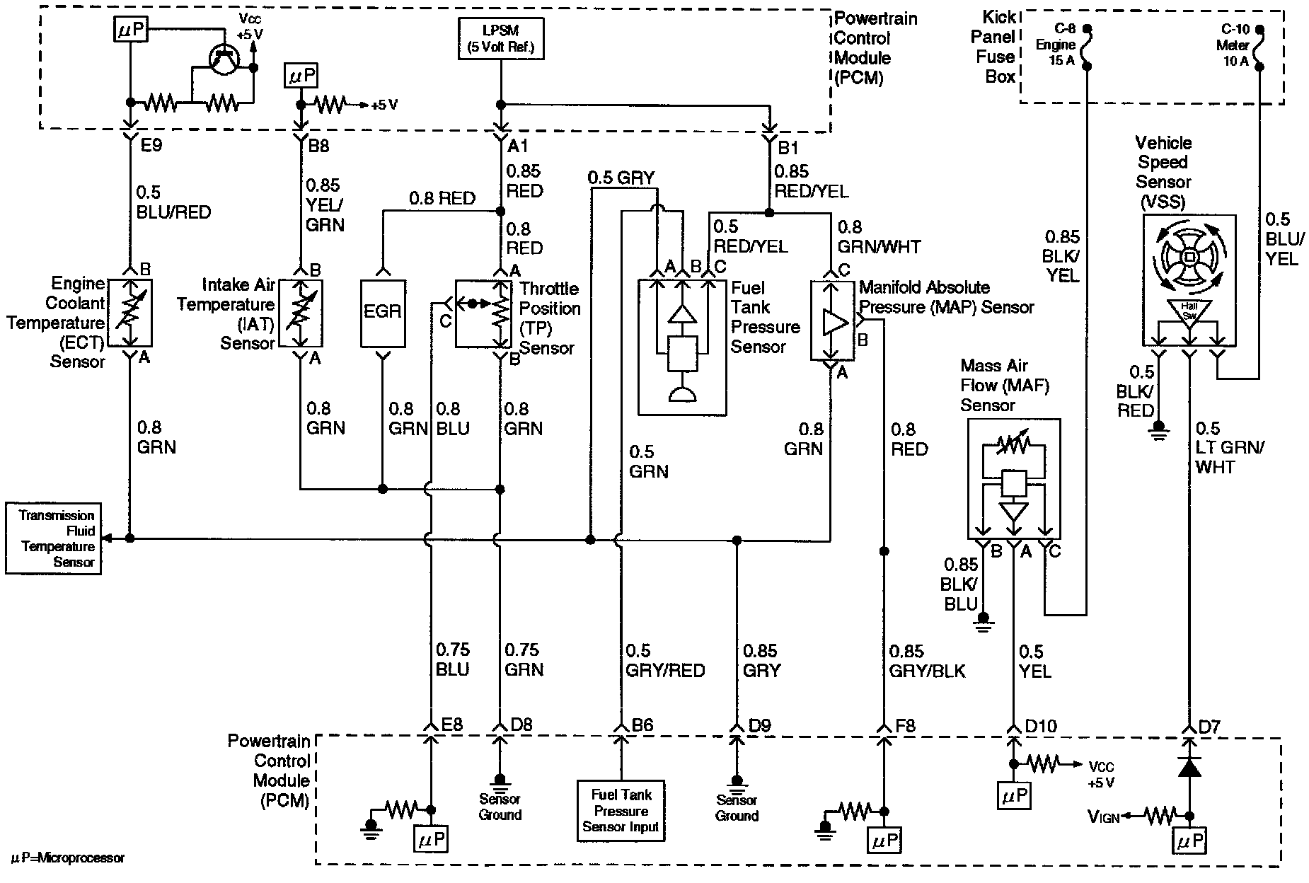
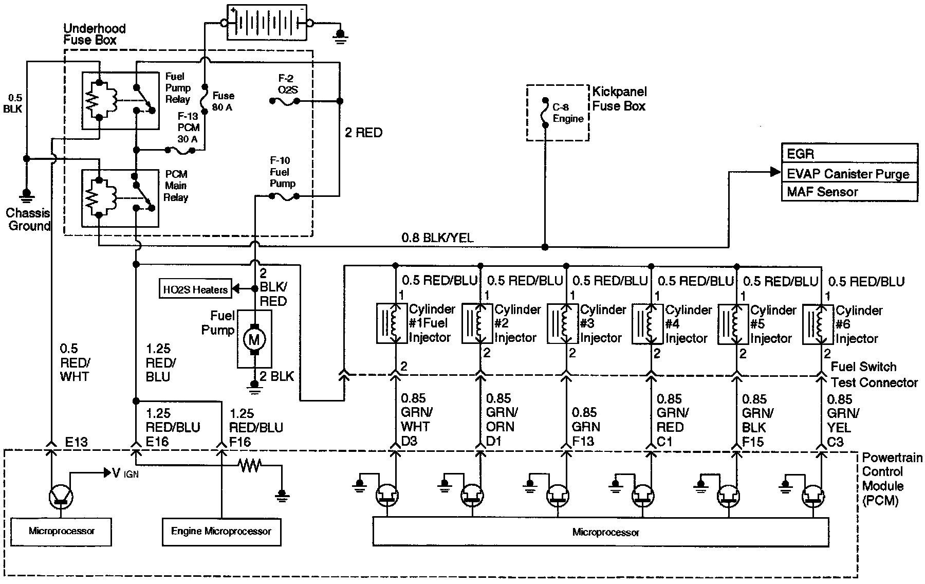
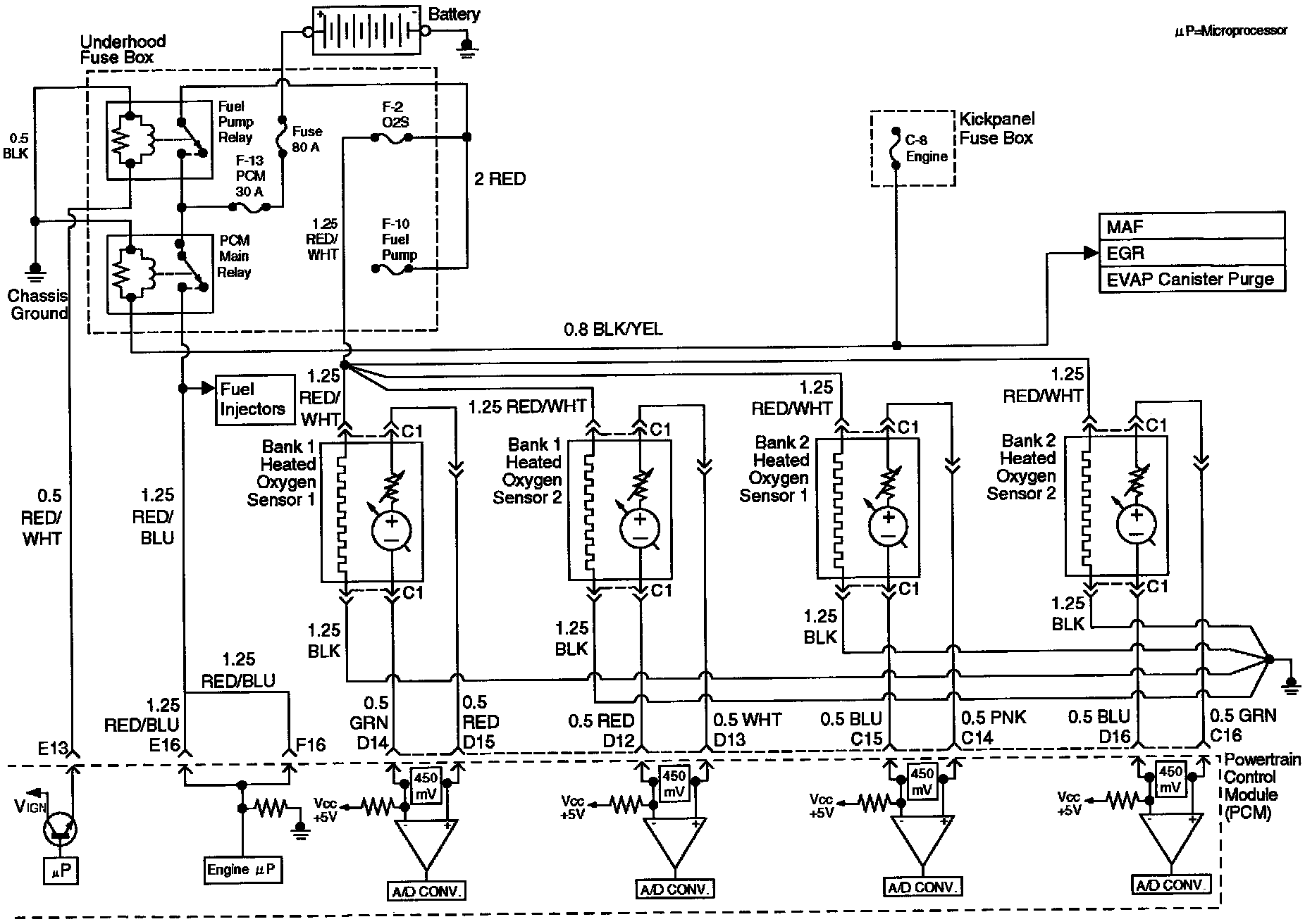
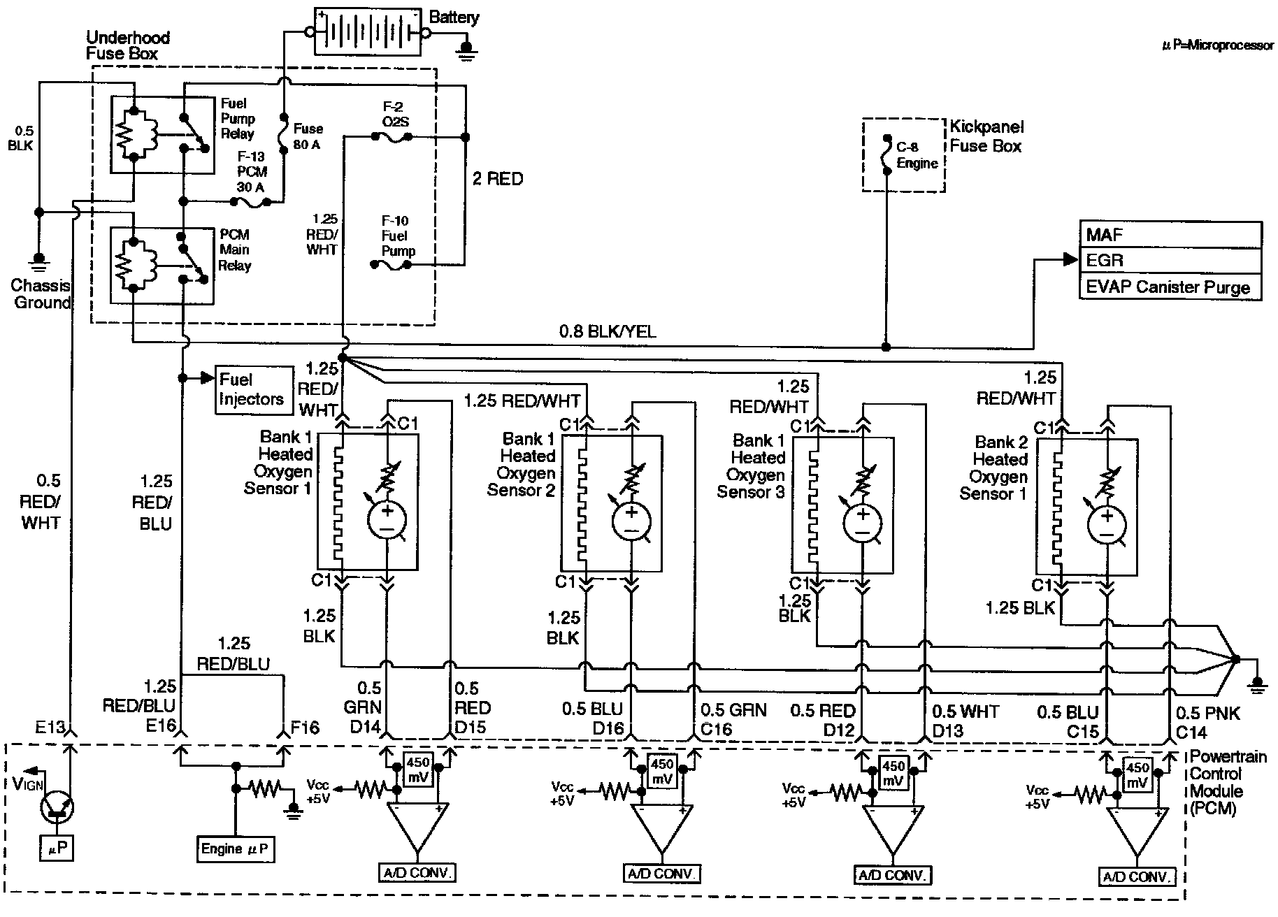
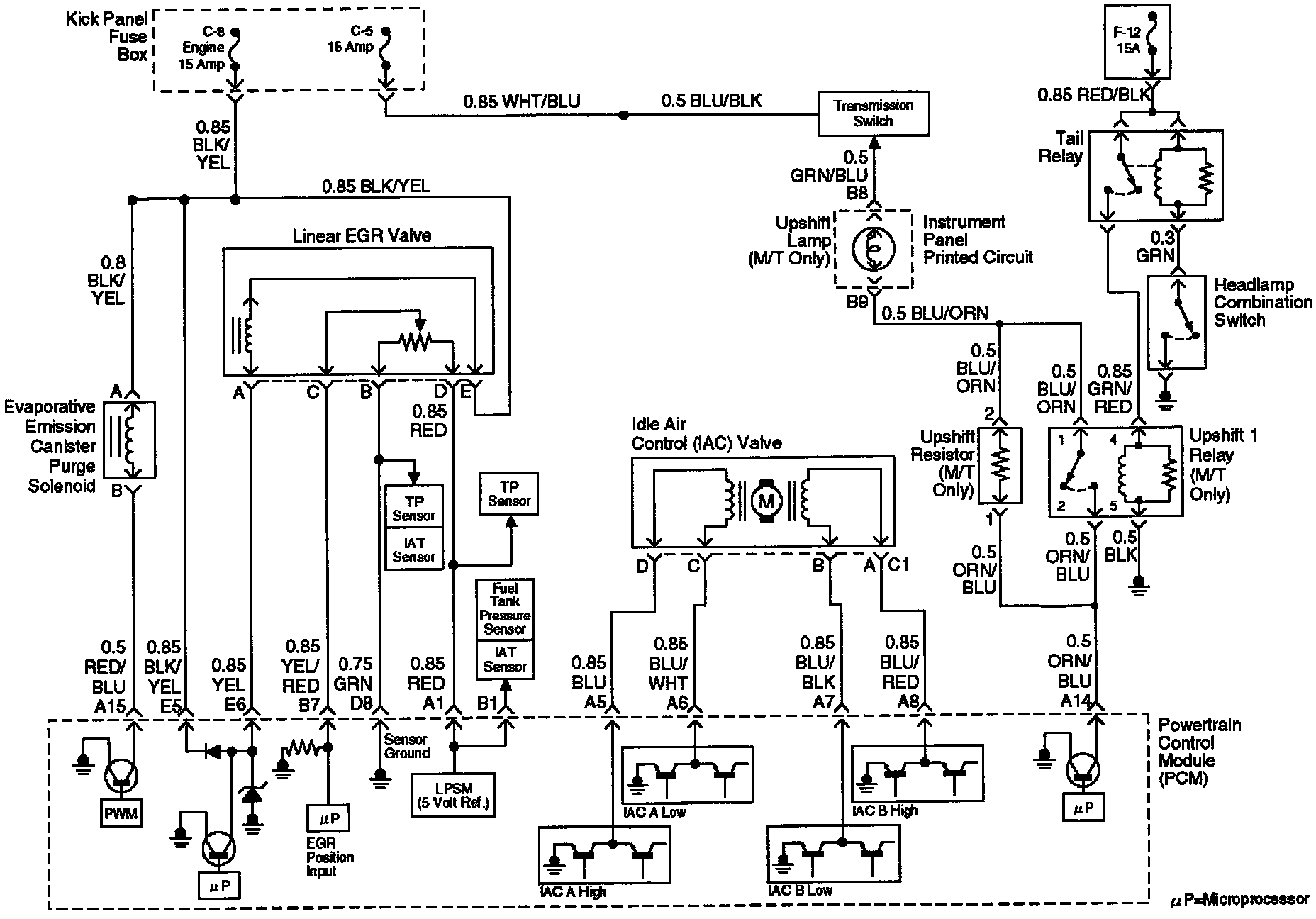
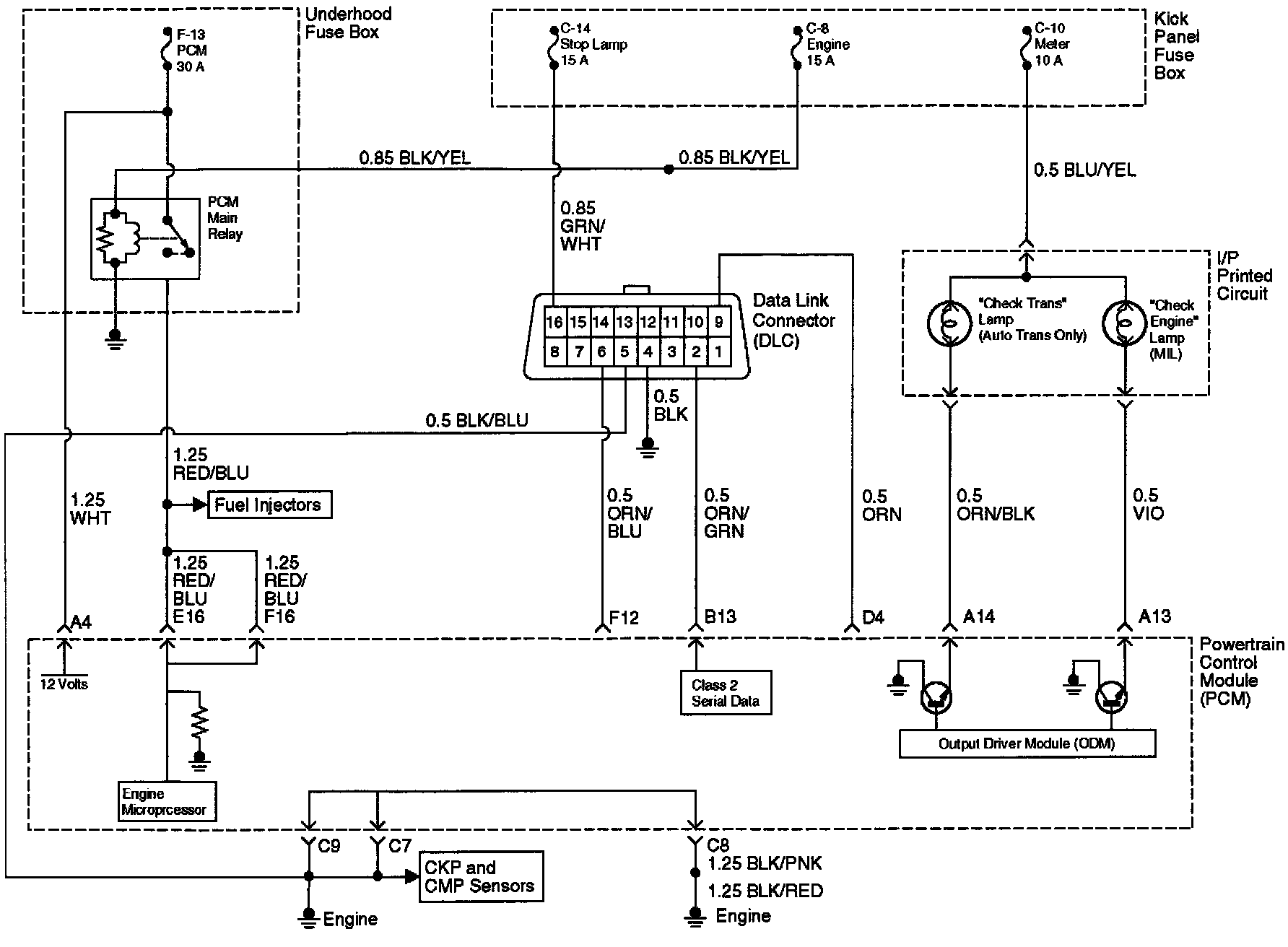
Engine Control Module