LEMON Manuals: Even more car manuals for everyone: 1960-2025
Home >> Isuzu >> 2002 >> Rodeo LS, 2.2 D >> Repair and Diagnosis (Single Page) >> Transmission >> Automatic Trans >> Transmission Control System (4L30-E) (HEC 2.2L) >> General Description >> Powertrain Control Module (PCM)
April 5, 2026: LEMON Manuals is launched! Read the announcement.

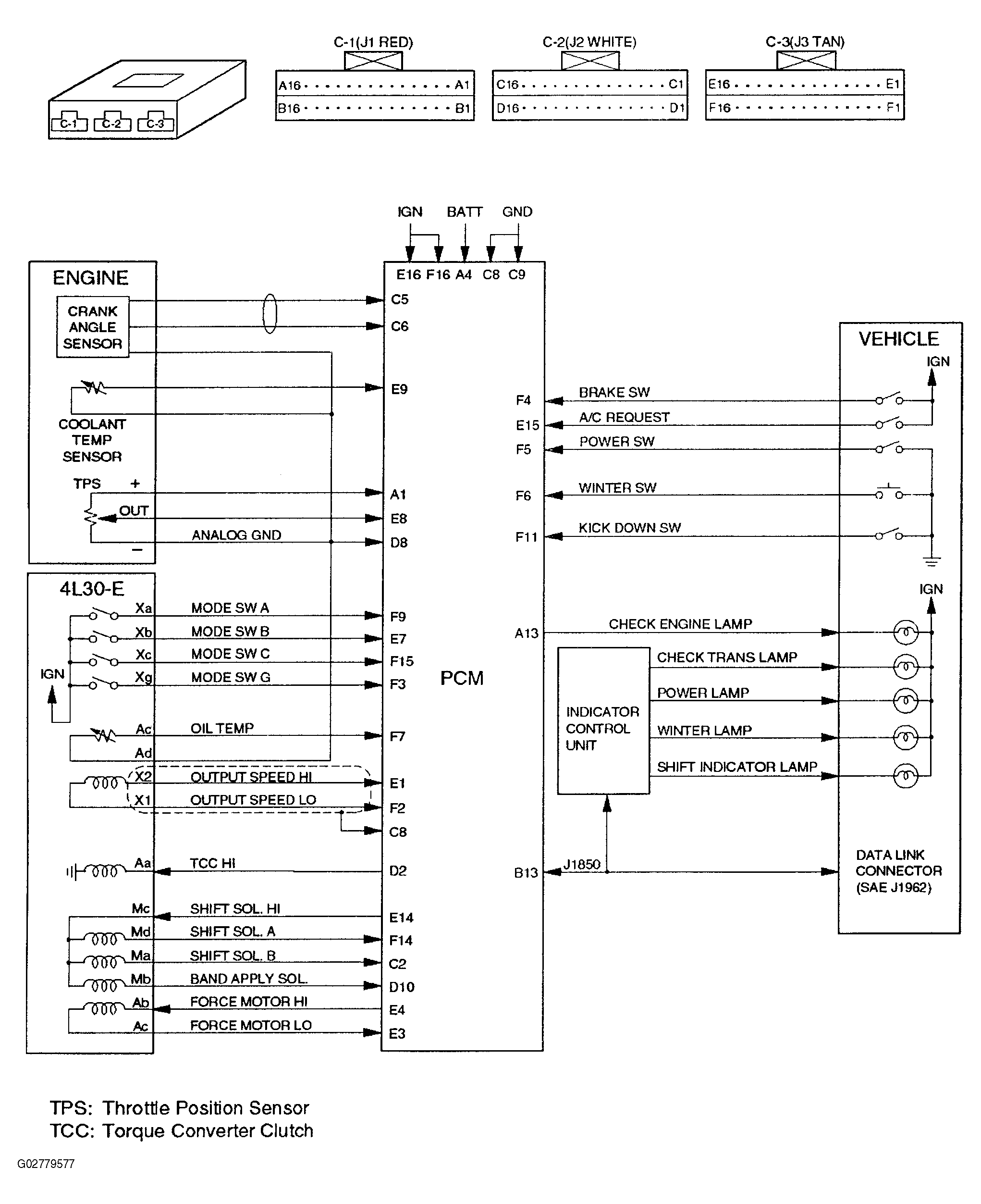
Powertrain Control Module (PCM)

Fig 1: Identifying Powertrain Control Module (PCM)
G02779577Courtesy of ISUZU MOTOR CO.