LEMON Manuals: Even more car manuals for everyone: 1960-2025
Home >> Isuzu >> 2002 >> Trooper LS 2WD V6-3.5L >> Repair and Diagnosis >> Diagrams >> Electrical Diagrams >> General Module
April 5, 2026: LEMON Manuals is launched! Read the announcement.

General Module

Alarm And Relay Controls Image 70:



Alarm And Relay Controls Image 70-1:



Alarm And Relay Controls Image 70-2:



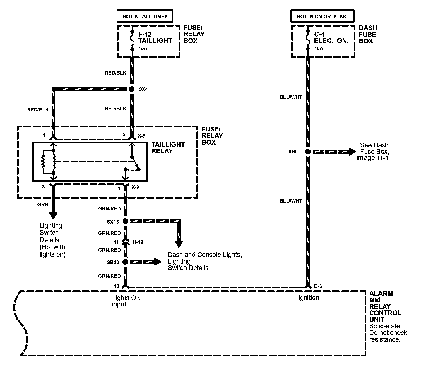
Wiring Diagram - Alarm And Relay Control Unit - 1:



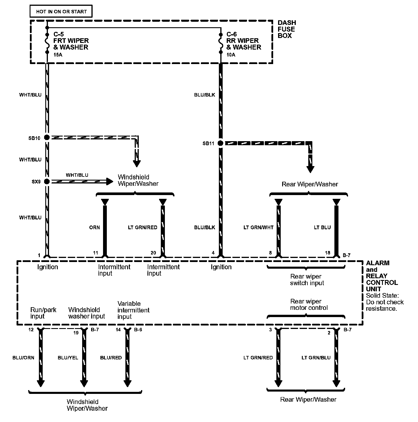
Wiring Diagram - Alarm And Relay Control Unit - 2: