LEMON Manuals: Even more car manuals for everyone: 1960-2025
Home >> Isuzu >> 2002 >> Trooper LS, RWD >> Repair and Diagnosis >> Transmission >> Automatic Trans >> Transmission Control System (4L30-E) >> General Description >> Powertrain Control Module (PCM)
April 5, 2026: LEMON Manuals is launched! Read the announcement.

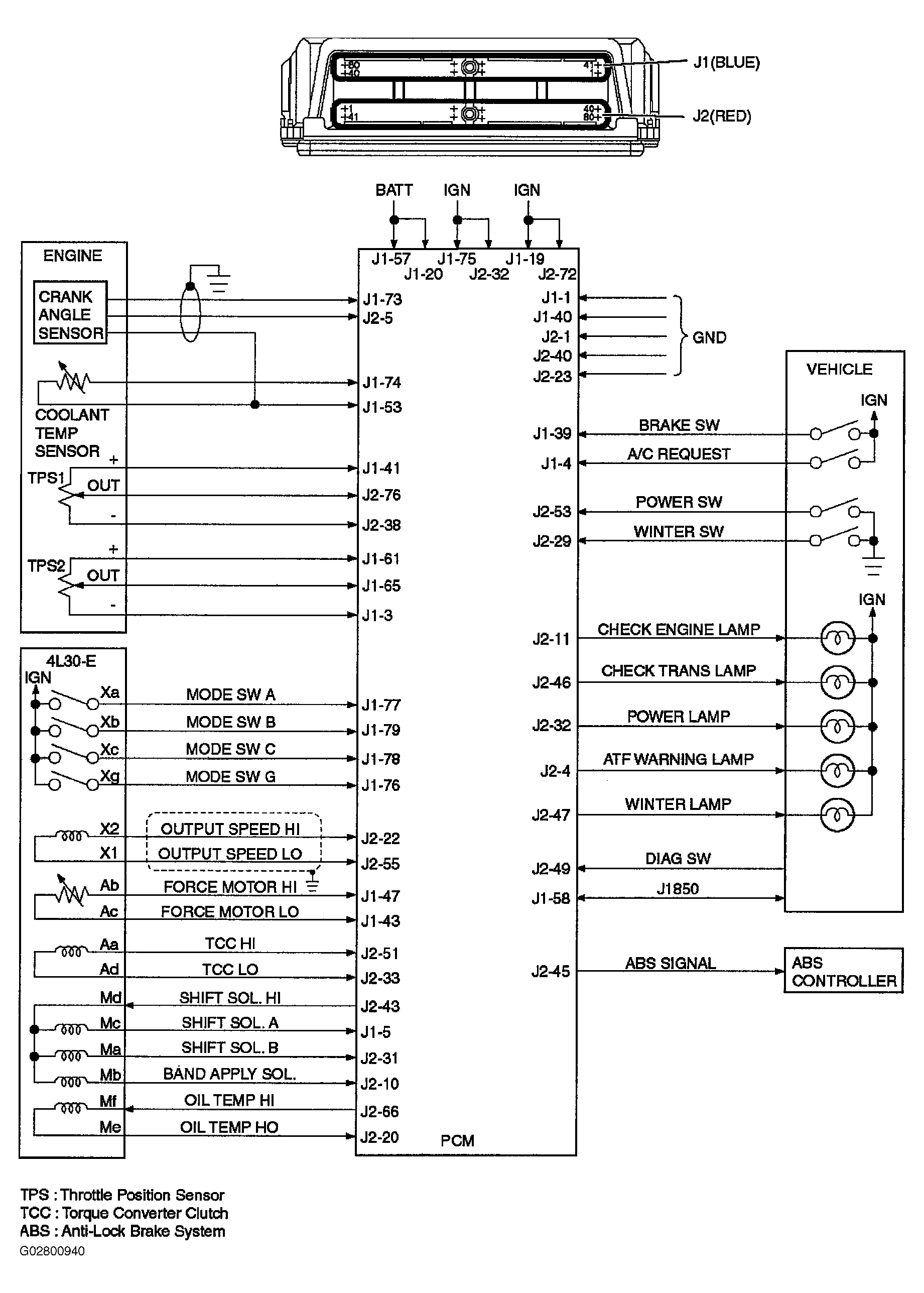
Powertrain Control Module (PCM)

Fig 1: Identifying Powertrain Control Module (PCM)
G02800940Courtesy of ISUZU MOTOR CO.