LEMON Manuals: Even more car manuals for everyone: 1960-2025
Home >> Isuzu >> 2003 >> Axiom 2WD V6-3.5L >> Repair and Diagnosis >> Diagrams >> Electrical Diagrams >> General Module
April 5, 2026: LEMON Manuals is launched! Read the announcement.

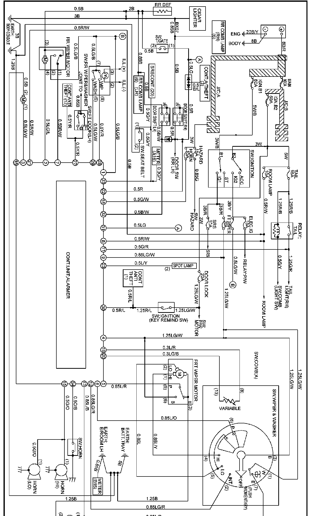
General Module

<`m Alarm And Relay Control Unit: