LEMON Manuals: Even more car manuals for everyone: 1960-2025
Home >> Isuzu >> 2003 >> Axiom 2WD V6-3.5L >> Repair and Diagnosis >> Specifications >> Mechanical Specifications >> Automatic Transmission/Transaxle >> System Specifications
April 5, 2026: LEMON Manuals is launched! Read the announcement.

System Specifications

Main Data and Specifications





General Specifications











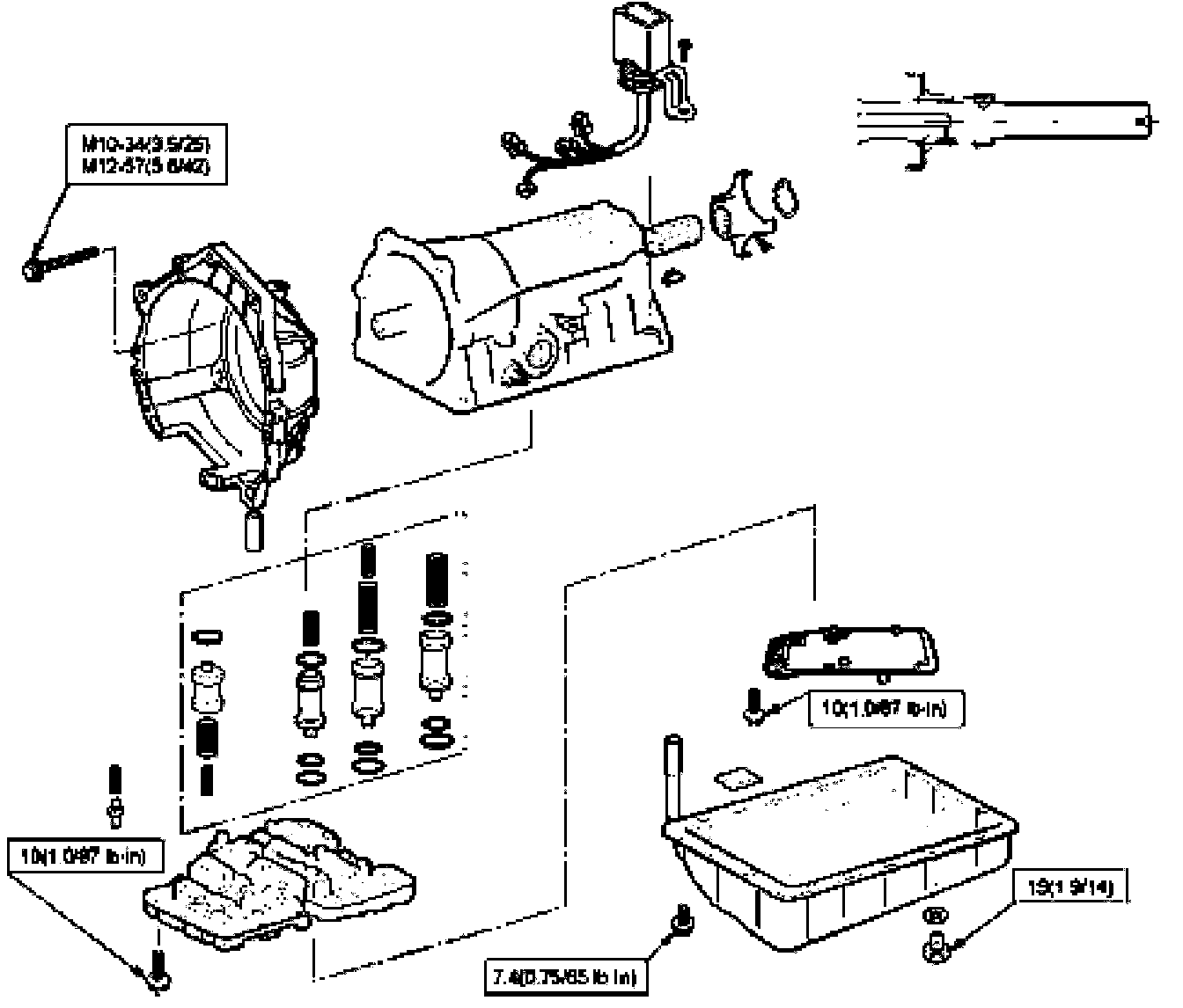
Torque Specifications