LEMON Manuals: Even more car manuals for everyone: 1960-2025
Home >> Isuzu >> 2003 >> Axiom Base, 4WD >> Repair and Diagnosis >> Engine Performance >> System >> Transmission Control System >> General Description >> Powertrain Control Module (PCM)
April 5, 2026: LEMON Manuals is launched! Read the announcement.

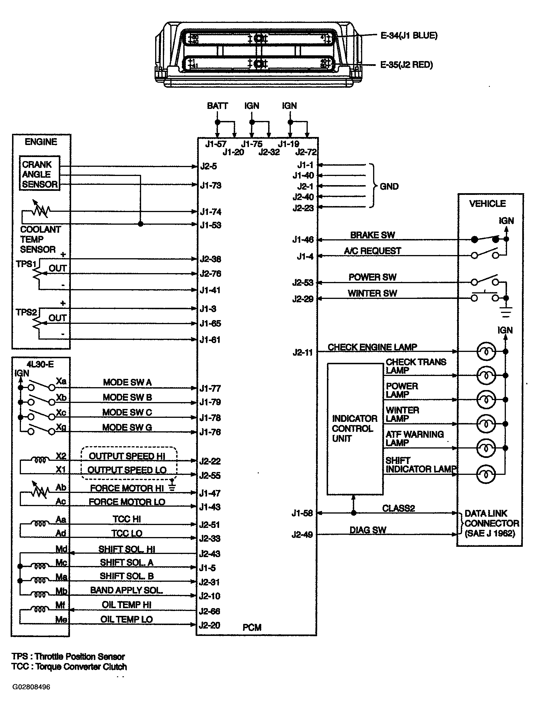
Powertrain Control Module (PCM)

Fig 1: Identifying Powertrain Control Module (PCM)
G02808496Courtesy of ISUZU MOTOR CO.