LEMON Manuals: Even more car manuals for everyone: 1960-2025
Home >> Isuzu >> 2003 >> Rodeo 2WD V6-3.2L >> Repair and Diagnosis >> Diagrams >> Electrical Diagrams >> Powertrain Management >> Engine Control Module
April 5, 2026: LEMON Manuals is launched! Read the announcement.

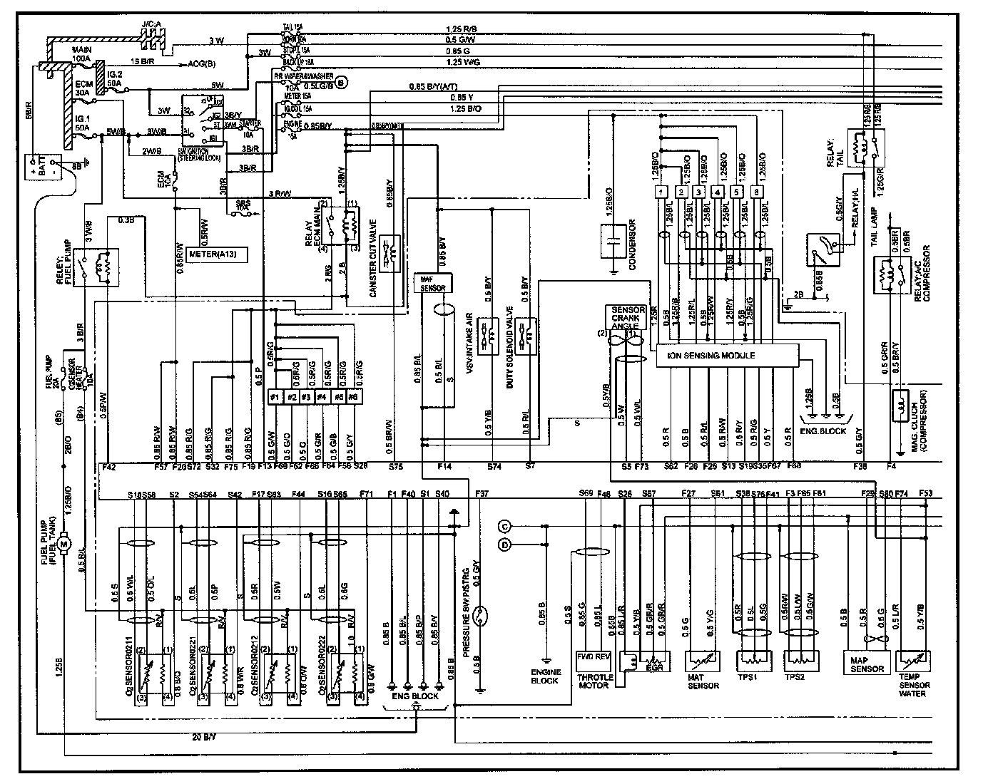
Engine Control Module

PCM - 1:



PCM - 2: