LEMON Manuals: Even more car manuals for everyone: 1960-2025
Home >> Isuzu >> 2003 >> Rodeo 2WD V6-3.2L >> Repair and Diagnosis >> Transmission and Drivetrain >> Automatic Transmission/Transaxle >> Control Module >> Diagrams
April 5, 2026: LEMON Manuals is launched! Read the announcement.

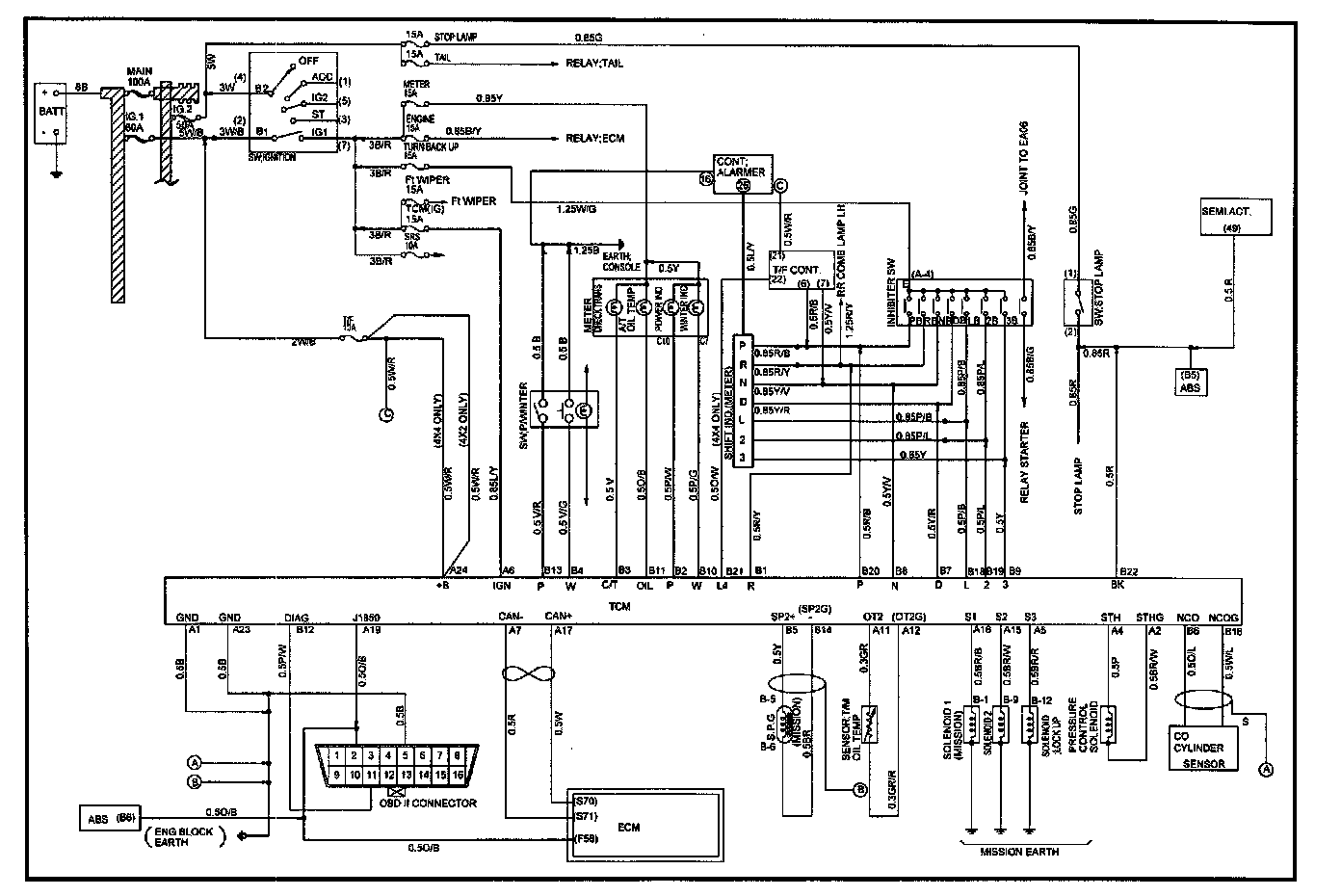
Control Module: Diagrams

TCM: