LEMON Manuals: Even more car manuals for everyone: 1960-2025
Home >> Isuzu >> 2006 >> Ascender 2WD V8-5.3L >> Repair and Diagnosis >> Powertrain Management >> Computers and Control Systems >> Relays and Modules - Computers and Control Systems >> Body Control Module >> Diagrams >> Electrical Diagrams
April 5, 2026: LEMON Manuals is launched! Read the announcement.

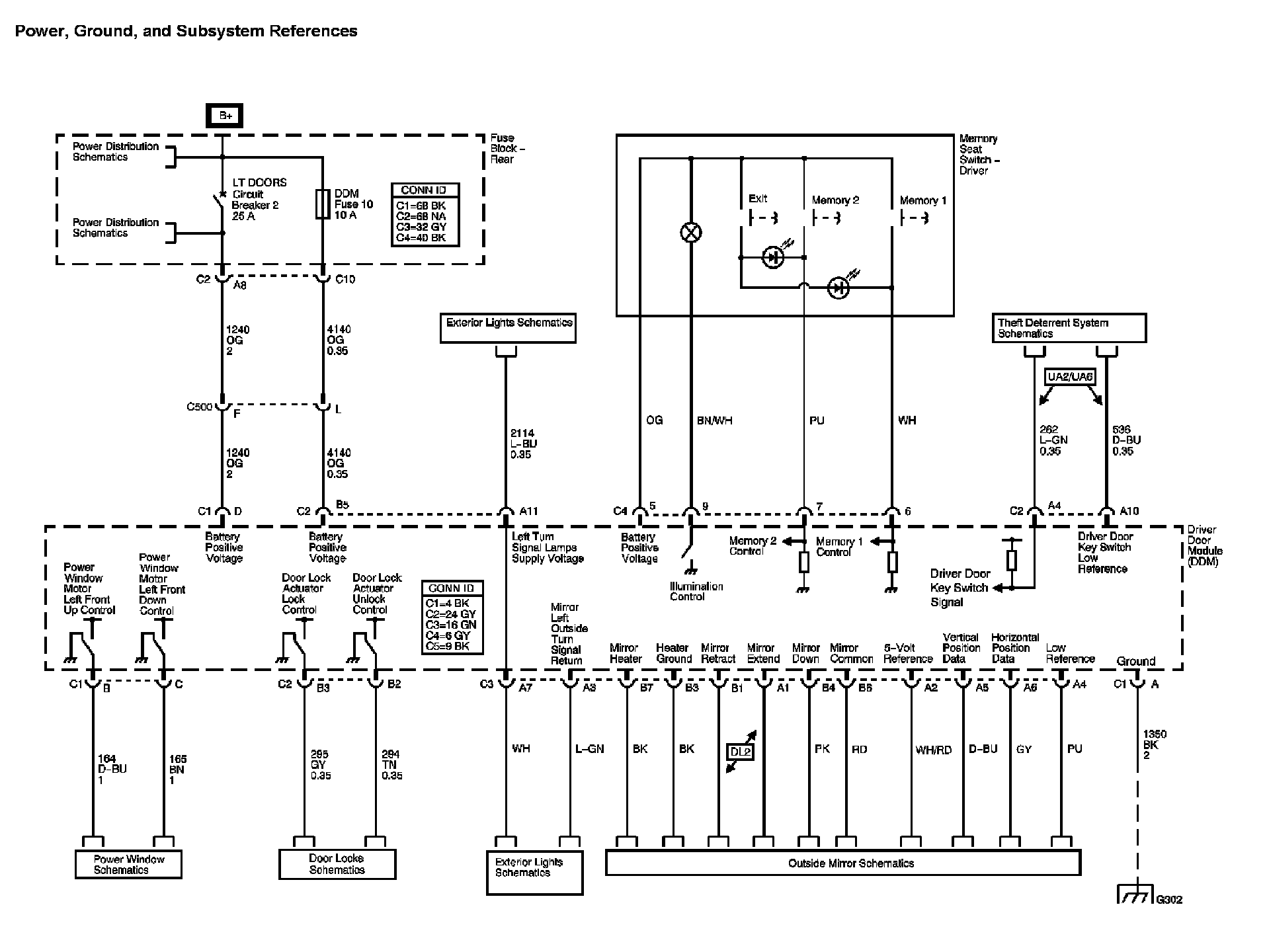
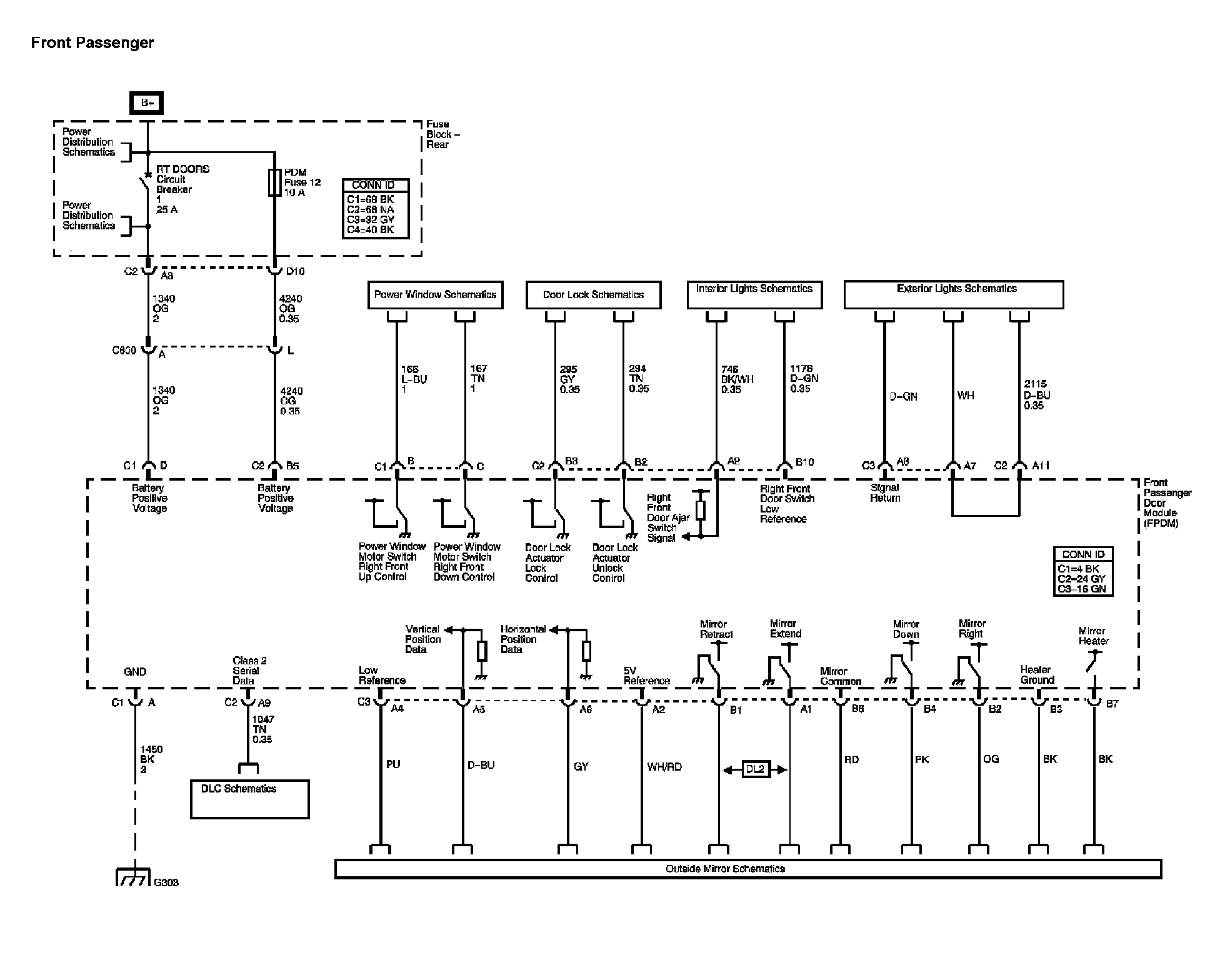
Electrical Diagrams



Door Control Module Diagram 1:




Door Control Module Diagram 2:




Door Control Module Diagram 3:






Locations: The locations for the Connectors, Grounds, Splices, and Grommets shown within these diagrams can be found via their numbers at Vehicle Locations. Locations