LEMON Manuals: Even more car manuals for everyone: 1960-2025
Home >> Isuzu >> 2007 >> Ascender 4WD >> Repair and Diagnosis >> Engine Performance >> System >> Engine Control System & Fuel System - 4.2L - Introduction (2 Of 2) >> Component Locator >> Engine Controls Component Views
April 5, 2026: LEMON Manuals is launched! Read the announcement.

Engine Controls Component Views

Fig 1: View Of Upper Left Side Of Engine - Front (4.2L)
GM1708917Courtesy of GENERAL MOTORS CORP.
Callout Component Name
1 Powertrain Control Module (PCM)
2 Powertrain Control Module (PCM) C3
3 Powertrain Control Module (PCM) C2
4 Generator
Fig 2: View Of Lower Left Side of the Engine
GM1492075Courtesy of GENERAL MOTORS CORP.
Callout Component Name
1 Evaporative Emission (EVAP) Canister Purge Solenoid
2 Starter
3 Crankshaft Position (CKP) Sensor
4 Knock Sensor (KS) 2 - Rear
5 Knock Sensor (KS) 1 - Front
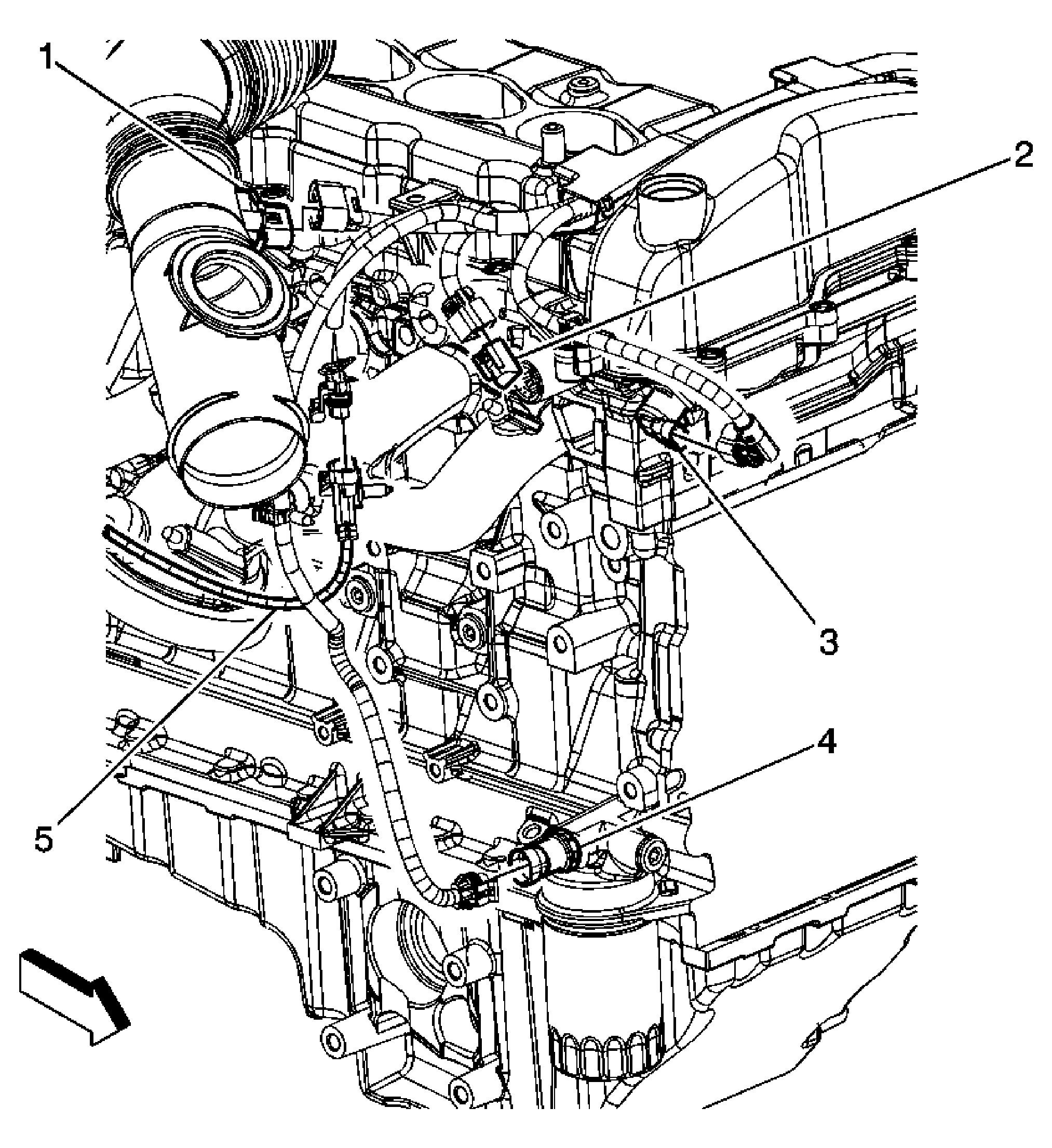
Fig 3: View Of Right Side Of Engine - Front (4.2L)
GM1708918Courtesy of GENERAL MOTORS CORP.
Callout Component Name
1 Mass Air Flow (MAF)/Intake Air Temperature (IAT) Sensor
2 Camshaft Actuator Solenoid Assembly
3 Camshaft Position (CMP) Sensor
4 Engine Oil Pressure (EOP) Switch
5 Heated Oxygen Sensor (HO2S) Sensor 1
Fig 4: View Of Upper Right Side Of Engine
GM1708919Courtesy of GENERAL MOTORS CORP.
Callout Component Name
1 Secondary Air Injection (AIR) Solenoid (K18)
Fig 5: View Of Upper Right Side Of Engine - Rear
GM1708922Courtesy of GENERAL MOTORS CORP.
Callout Component Name
1 Manifold Absolute Pressure (MAP) Sensor
2 Throttle Body
3 Engine Coolant Temperature (ECT) Sensor
Fig 6: View Of Top Of Engine
GM1550688Courtesy of GENERAL MOTORS CORP.
Callout Component Name
1 Ignition Coil 1
2 Ignition Coil 2
3 Ignition Coil 3
4 Ignition Coil 4
5 Ignition Coil 5
6 Ignition Coil 6
7 Fuel Injector 6
8 Fuel Injector 5
9 Fuel Injector 4
10 Fuel Injector 3
11 Fuel Injector 2
12 Fuel Injector 1
Fig 7: View Of Exhaust Pipe
GM747453Courtesy of GENERAL MOTORS CORP.
Callout Component Name
1 Heated Oxygen Sensor (HO2S) Sensor 2
Fig 8: Locating Accelerator Pedal Sensor, Brake Pedal & Stop Lamp Switch
GM1488336Courtesy of GENERAL MOTORS CORP.
Callout Component Name
1 Instrument Panel Harness
2 Accelerator Pedal Position (APP) Sensor
3 Accelerator Pedal
4 Brake Pedal
5 Stop Lamp Switch
Fig 9: View Of Left Front Of Chassis (K18)
GM1550751Courtesy of GENERAL MOTORS CORP.
Callout Component Name
1 Secondary Air Injection (AIR) Pump
2 Secondary Air Injection (AIR) Pump Relay
Fig 10: View Of Fuel Tank
GM1490767Courtesy of GENERAL MOTORS CORP.
Callout Component Name
1 Fuel Tank Pressure (FTP) Sensor
2 Fuel Pump and Sender Assembly
3 Chassis Harness
4 Fuel Tank
5 Evaporative Emission (EVAP) Canister Vent Solenoid