LEMON Manuals: Even more car manuals for everyone: 1960-2025
Home >> Isuzu >> 2007 >> Ascender RWD >> Repair and Diagnosis >> External Pages >> Different car >> Section 275 (Keyless Entry System & Remote Functions) >> Schematic & Routing Diagrams >> Remote Function Schematics
April 5, 2026: LEMON Manuals is launched! Read the announcement.

Remote Function Schematics

WARNING: This page is about a different car, the 2008 Isuzu Ascender, 2008 GMC Envoy, and 2008 Chevrolet TrailBlazer. However, it is still accessible from the selected car via links, so may be relevant.
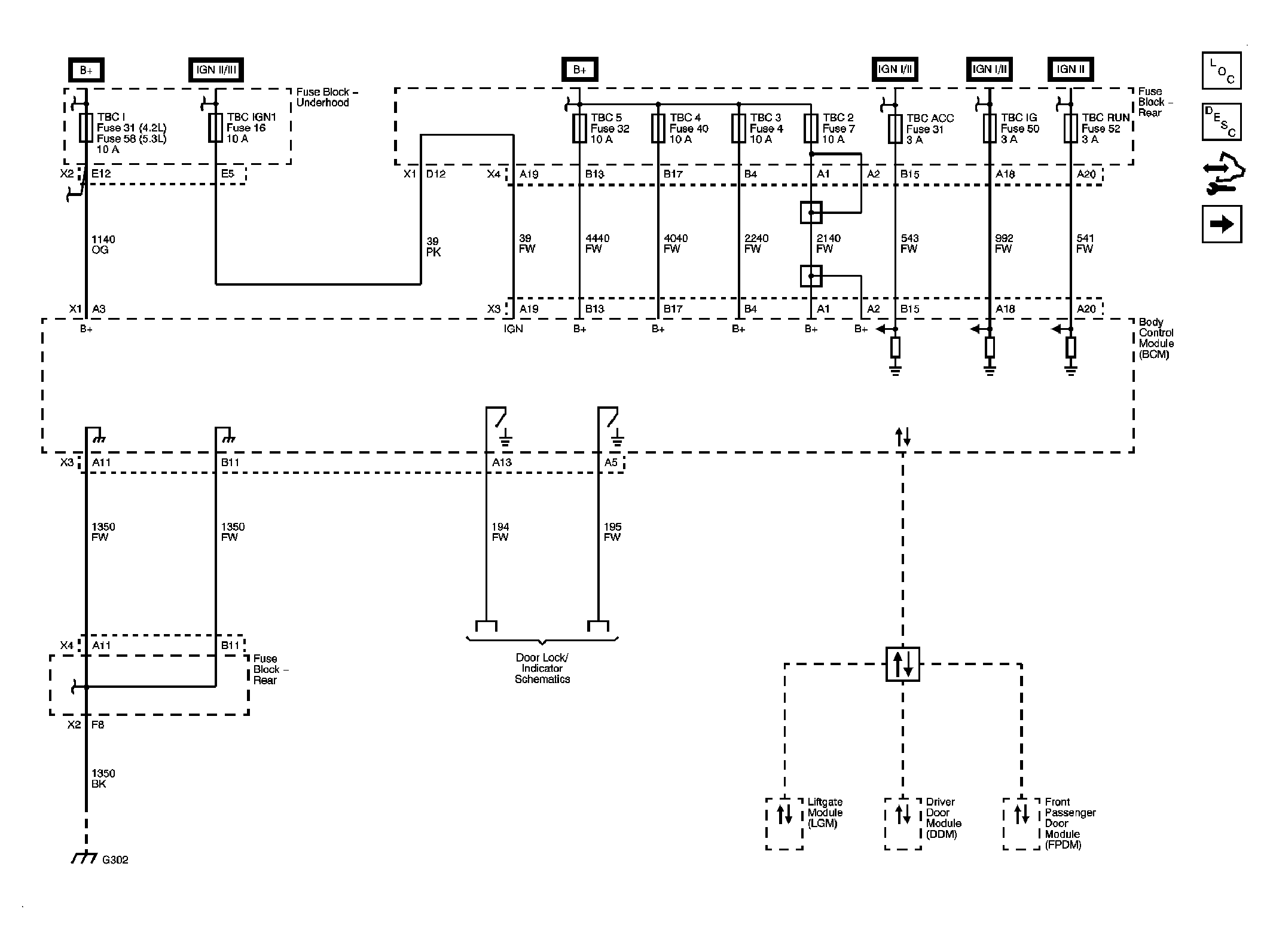
Fig 1: Keyless Entry Schematic
GM1923799Courtesy of GENERAL MOTORS CORP.
Fig 2: Garage Door Opener Schematic
GM1923803Courtesy of GENERAL MOTORS CORP.