LEMON Manuals: Even more car manuals for everyone: 1960-2025
Home >> Jaguar >> 1982 >> XJ-6 L6-4.2L >> Repair and Diagnosis >> Heating and Air Conditioning >> Control Module HVAC >> Description and Operation >> Servo Control Unit >> Mode Control
April 5, 2026: LEMON Manuals is launched! Read the announcement.

Mode Control

Mode Control

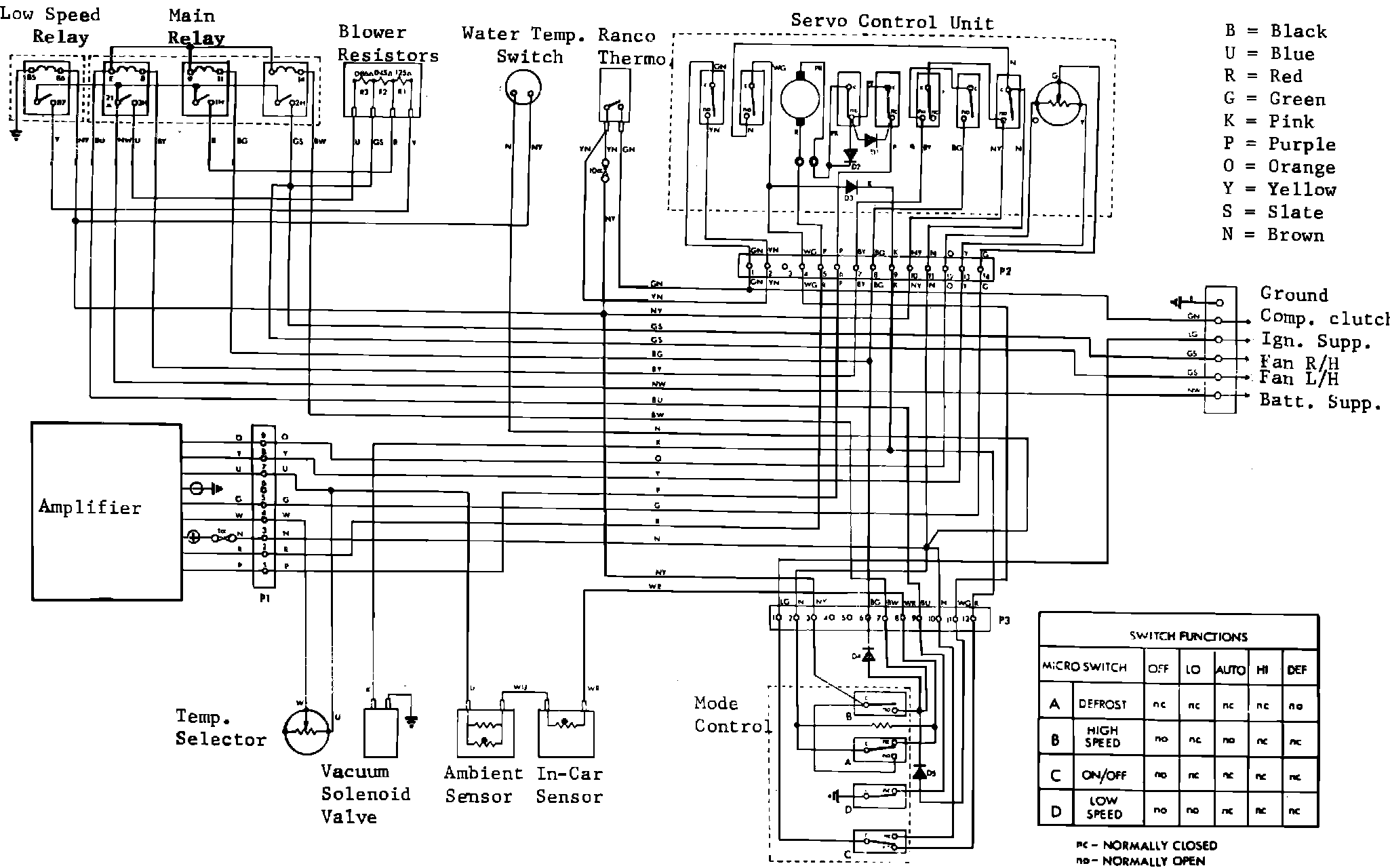
%>4Air Conditioning Wiring Diagram:





Circuit Diagram

Mode Control Microswitches:





Microswitches

Purpose and Operation
To select desired mode of operation. Four microswitches and one vacuum switch are operated by a small camshaft controlled by the selector knob.

On Auto or Low setting the lowest fan speed is "ON" automatically.

Mode Control "OFF"
- There is no heating or cooling taking place.
- Vacuum solenoid is energized placing input flaps in recirculation mode.
- Feeds to both blower fans are disconnected.
- Feed to compressor clutch is disconnected.
- Vacuum feed to vacuum system is off allowing hot water to flow through heater core.
- Screen flaps in closed position (natural position).
- Center dash flap closed.
- No output to front or rear footwells.

Mode Control "ON" Lo or Auto
- Microswitch "C" moves to closed position - allows a feed to amplifier via 1 amp. delay fuse also to water temperature transmitter, and through resistance to in-car sensor, ambient sensor, temperature selector and amplifier terminal 7.

Mode Control "LO"
- Microswitch "D" energizes R1 section of main blower relay which through resistor R1 allows current from fuse # 10 to MED 1 (2nd) speed microswitch on servo control unit camshaft.

Mode Control "HI"
- Microswitch "B" moves to closed position. Allows feed to High/Recirculation microswitch - feeds to main blower motor relay overriding fan relays to give High Speed continuously water temperature switch, water temperature bypass microswitch, Ranco Thermostat low speed relay.

Mode Control "DEF"
- Microswitch "A" moves to closed position - allows feed to recirculation/High speed microswitch. Main blower relay overriding sensing circuit into hot mode.



Air Conditioning Wiring Diagram:





Microswitch Positions