LEMON Manuals: Even more car manuals for everyone: 1960-2025
Home >> Jeep >> 2000 >> Cherokee 2WD L4-2.5L VIN P >> Repair and Diagnosis >> Heating and Air Conditioning >> Compressor HVAC >> Service and Repair
April 5, 2026: LEMON Manuals is launched! Read the announcement.

Compressor HVAC: Service and Repair

The compressor may be removed and repositioned without disconnecting the refrigerant lines or discharging the refrigerant system. Discharging is not necessary if servicing the compressor clutch or clutch coil, the engine, the cylinder head, or the generator.

WARNING: REVIEW THE WARNINGS AND CAUTIONS BEFORE PERFORMING THE FOLLOWING OPERATION.

REMOVAL
1. Recover the refrigerant from the refrigerant system. See Refrigerant Recovery for the procedures.
2. Disconnect and isolate the battery negative cable.
3. Remove the serpentine drive belt.
4. Unplug the compressor clutch coil wire harness connector.
5. Remove the suction and discharge refrigerant line manifold from the compressor. See Suction and Discharge Line for the procedures. Install plugs in, or tape over all of the opened refrigerant fittings.

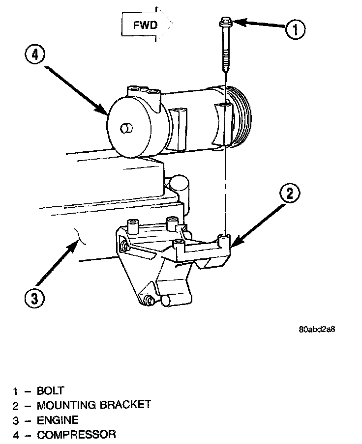
Compressor Remove/Install:




6. Remove the four bolts that secure the compressor to the mounting bracket.
7. Remove the compressor from the mounting bracket.

INSTALLATION

NOTE: If a replacement compressor is being installed, be certain to check the refrigerant oil level. See Refrigerant Oil Level for the procedures. Use only refrigerant oil of the type recommended for the compressor in the vehicle.

1. Install the compressor to the mounting bracket. Tighten the four mounting bolts to 27 Nm (20 ft. lbs.) torque.
2. Remove the tape or plugs from all of the opened refrigerant line fittings. Install the suction and discharge line manifold to the compressor. See Suction and Discharge Line for the procedures.
3. Install the serpentine drive belt.
4. Plug in the compressor clutch coil wire harness connector.
5. Connect the battery negative cable.
6. Evacuate the refrigerant system. See Refrigerant System Evacuate for the procedures.
7. Charge the refrigerant system. See Refrigerant System Charge for the procedures.