LEMON Manuals: Even more car manuals for everyone: 1960-2025
Home >> Jeep >> 2001 >> Wrangler L4-2.5L VIN P >> Repair and Diagnosis >> Relays and Modules >> Relays and Modules - Powertrain Management >> Relays and Modules - Computers and Control Systems >> Engine Control Module >> Diagrams >> Electrical Diagrams >> System Schematic
April 5, 2026: LEMON Manuals is launched! Read the announcement.

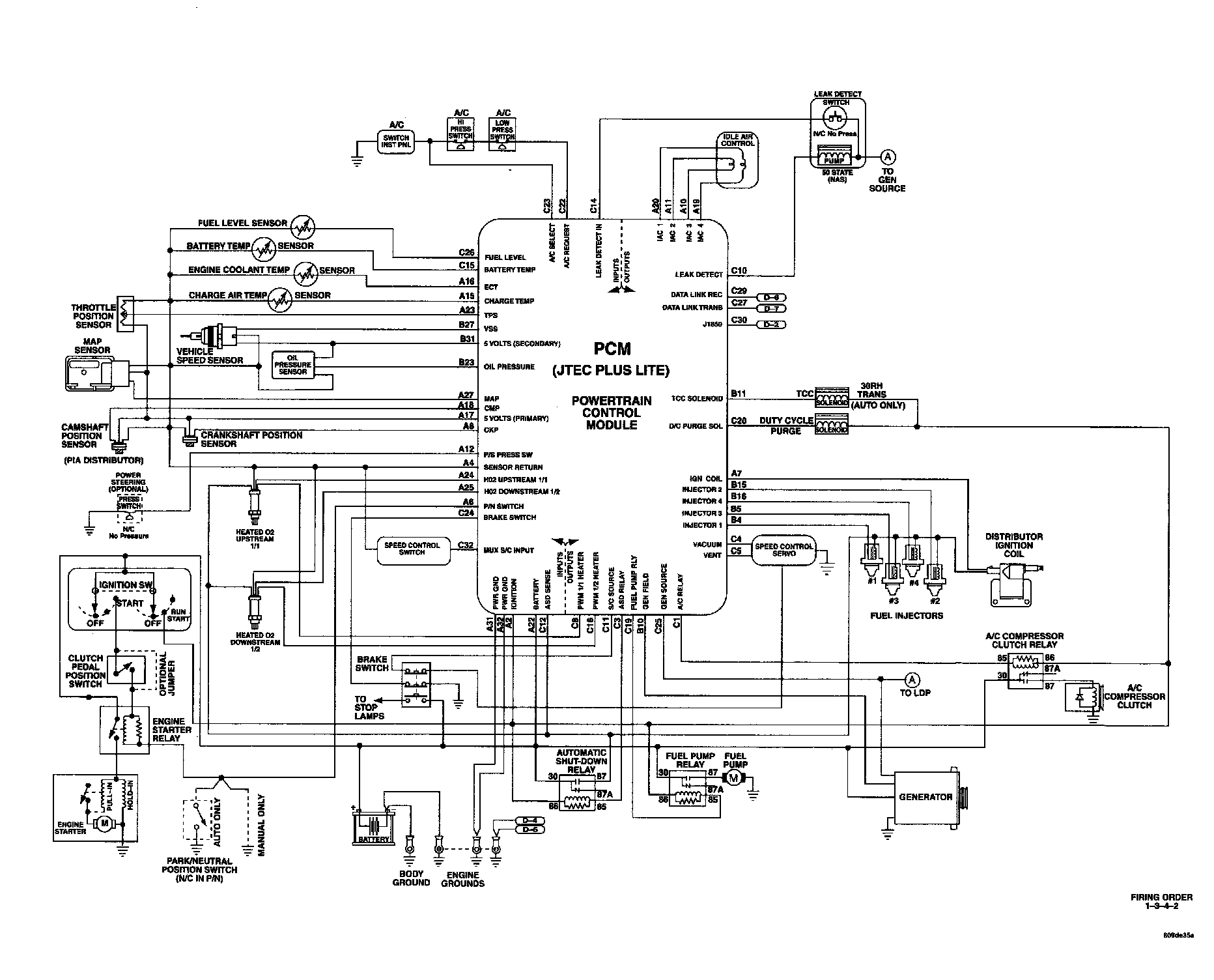
System Schematic

2001 Jeep TJ JTEC System: