LEMON Manuals: Even more car manuals for everyone: 1960-2025
Home >> Jeep >> 2002 >> Grand Cherokee 2WD Laredo V8-4.7L >> Repair and Diagnosis >> Powertrain Management >> Computers and Control Systems >> Engine Control Module >> Diagrams >> Electrical Diagrams >> System Schematic
April 5, 2026: LEMON Manuals is launched! Read the announcement.

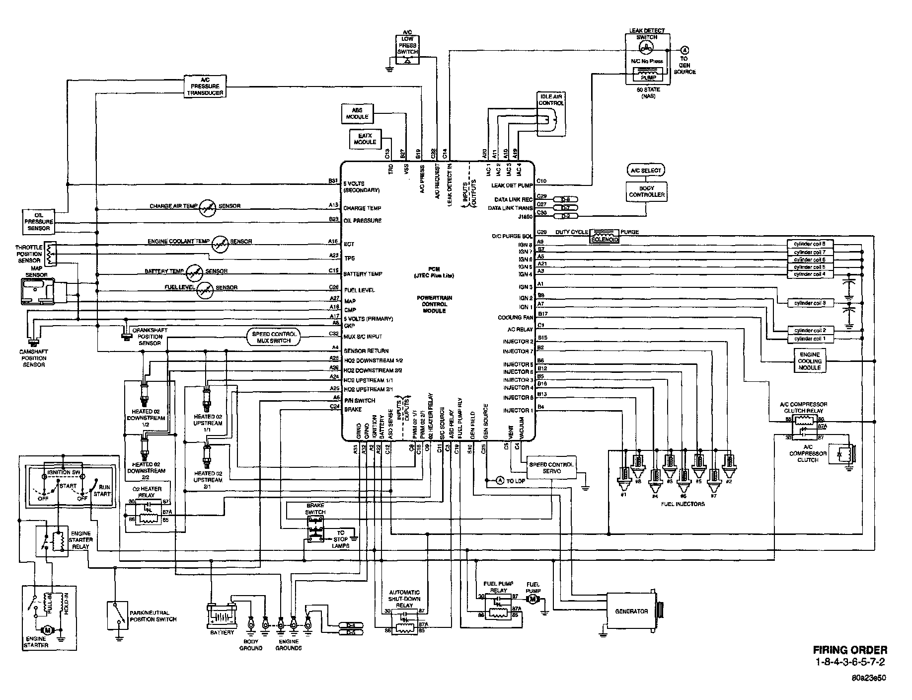
System Schematic

2001 Jeep WJ 4.7L JTEC System: