LEMON Manuals: Even more car manuals for everyone: 1960-2025
Home >> Jeep >> 2002 >> Grand Cherokee 2WD Laredo V8-4.7L >> Repair and Diagnosis >> Powertrain Management >> Computers and Control Systems >> Relays and Modules - Computers and Control Systems >> Body Control Module >> Diagrams >> Electrical Diagrams
April 5, 2026: LEMON Manuals is launched! Read the announcement.

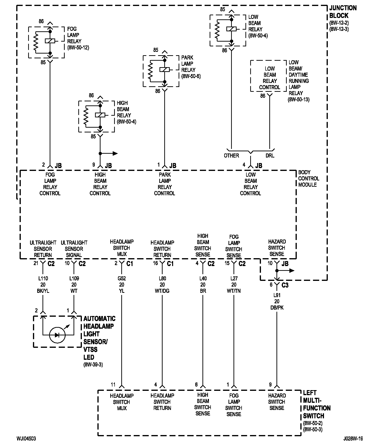
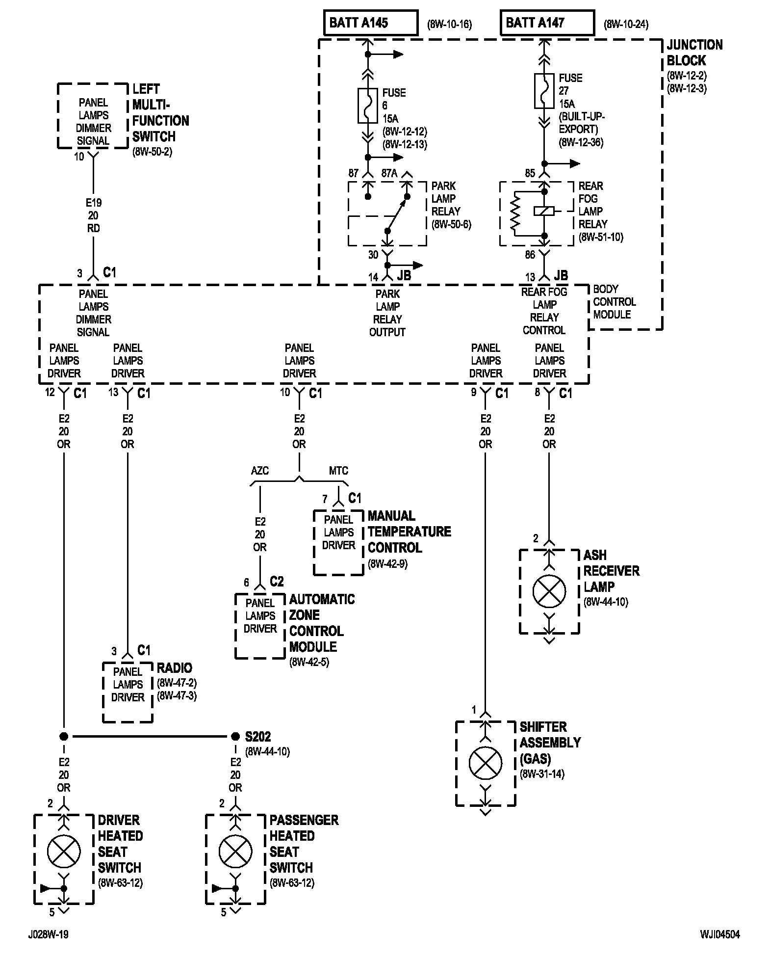
Electrical Diagrams

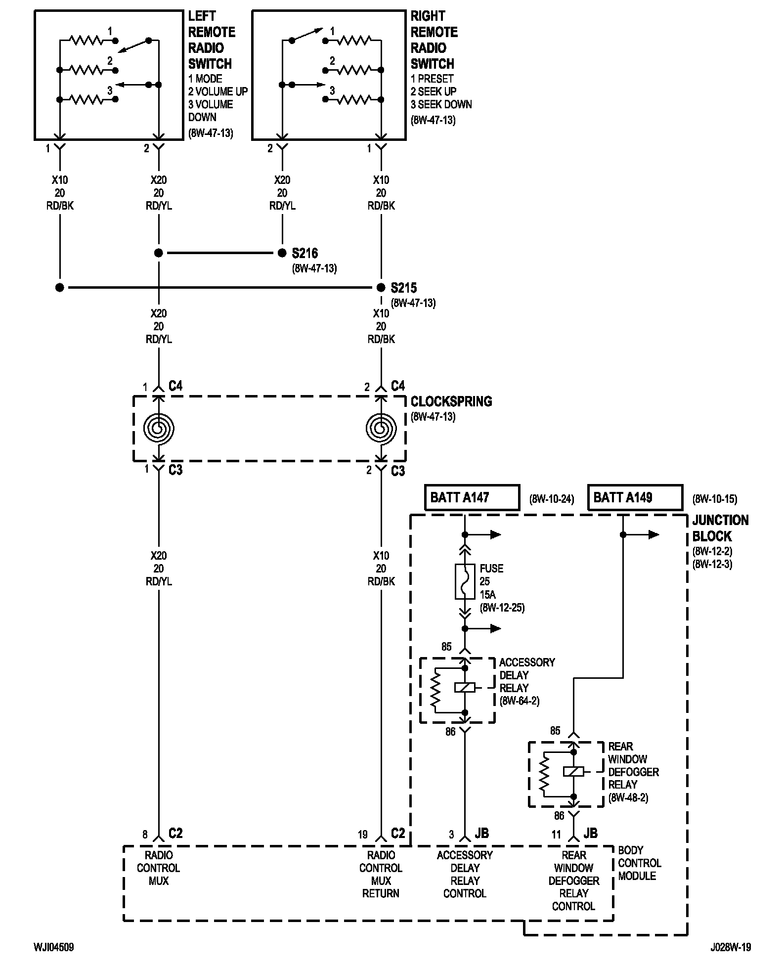
8w-45-2:




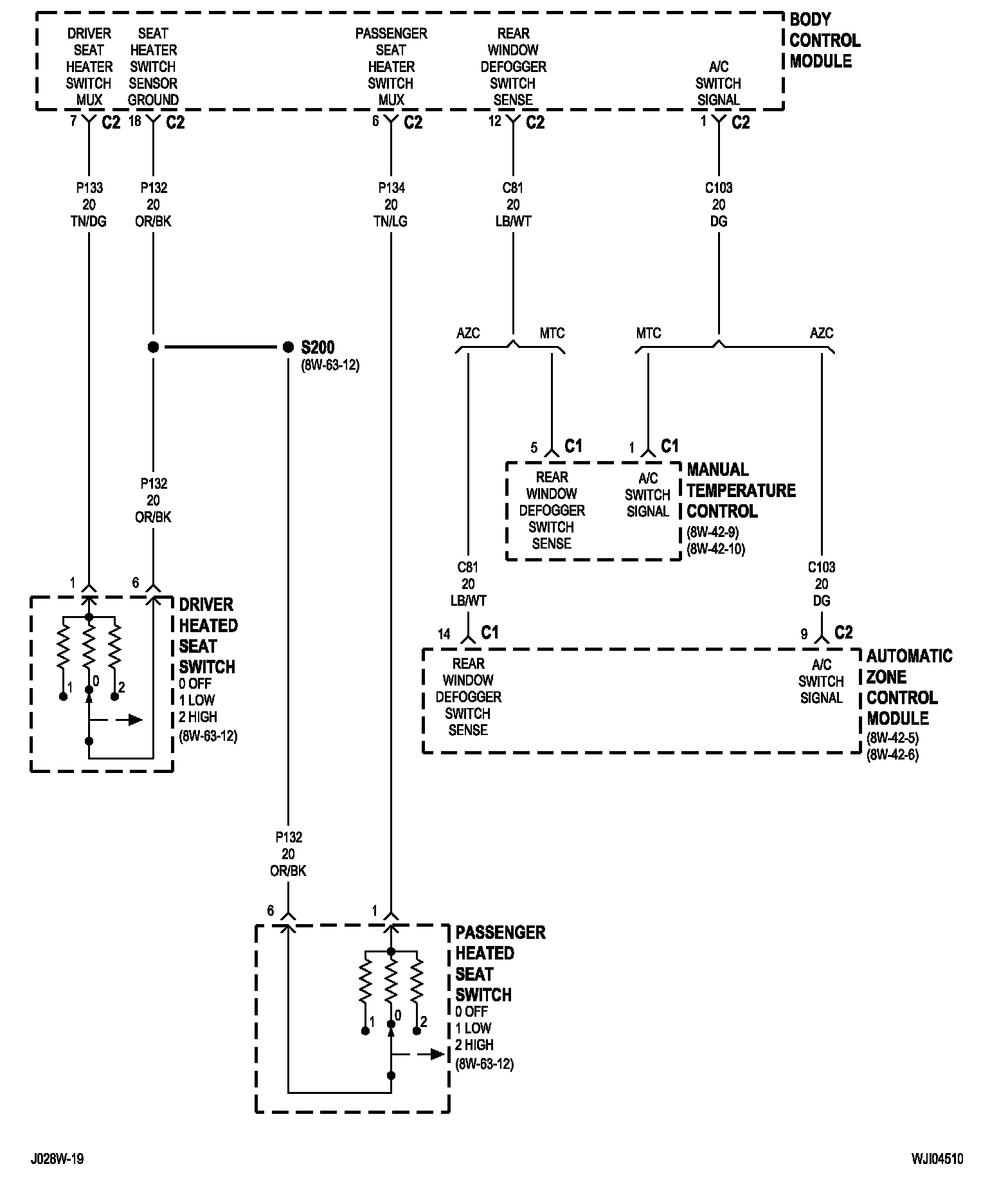
8w-45-3:




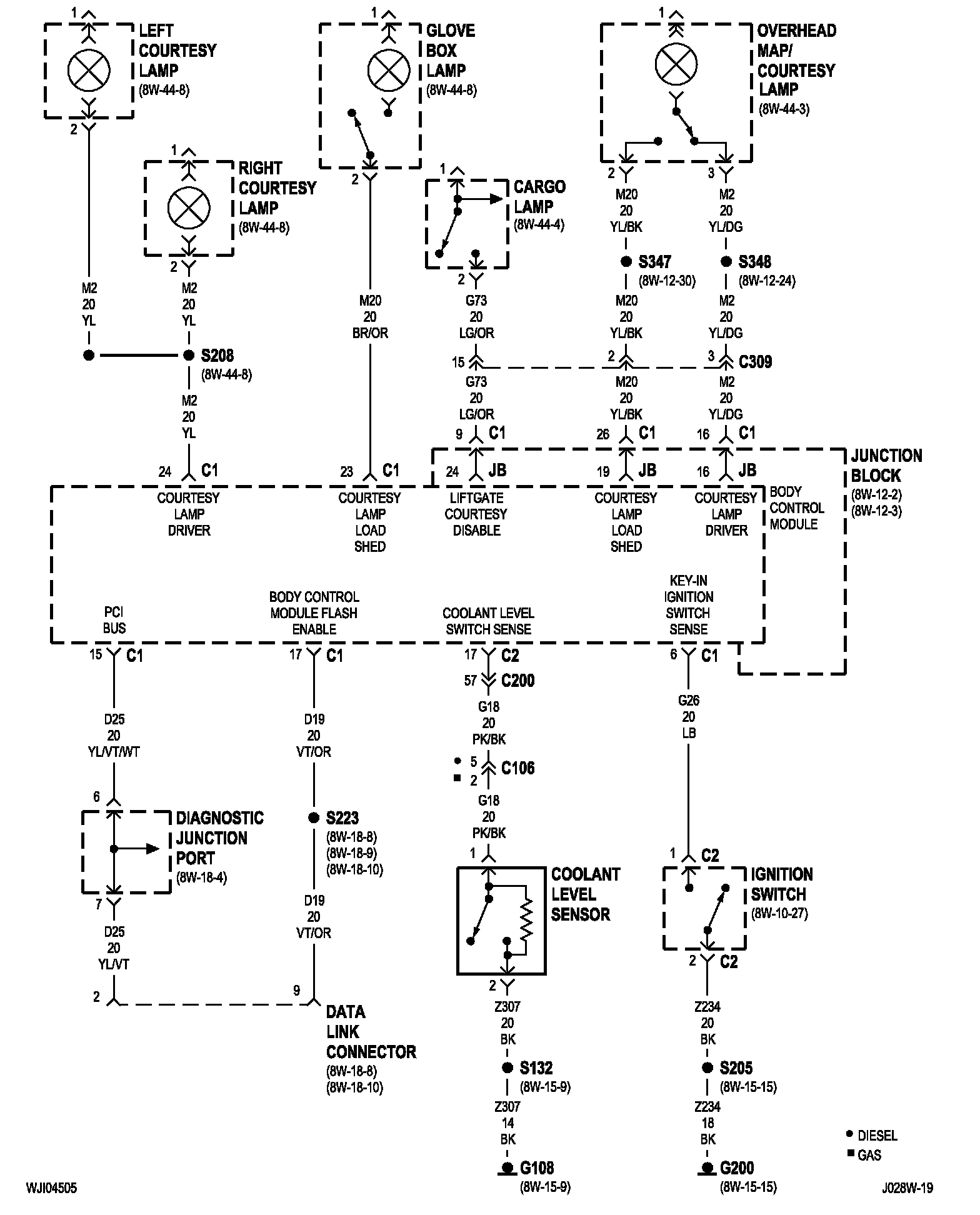
8w-45-4:




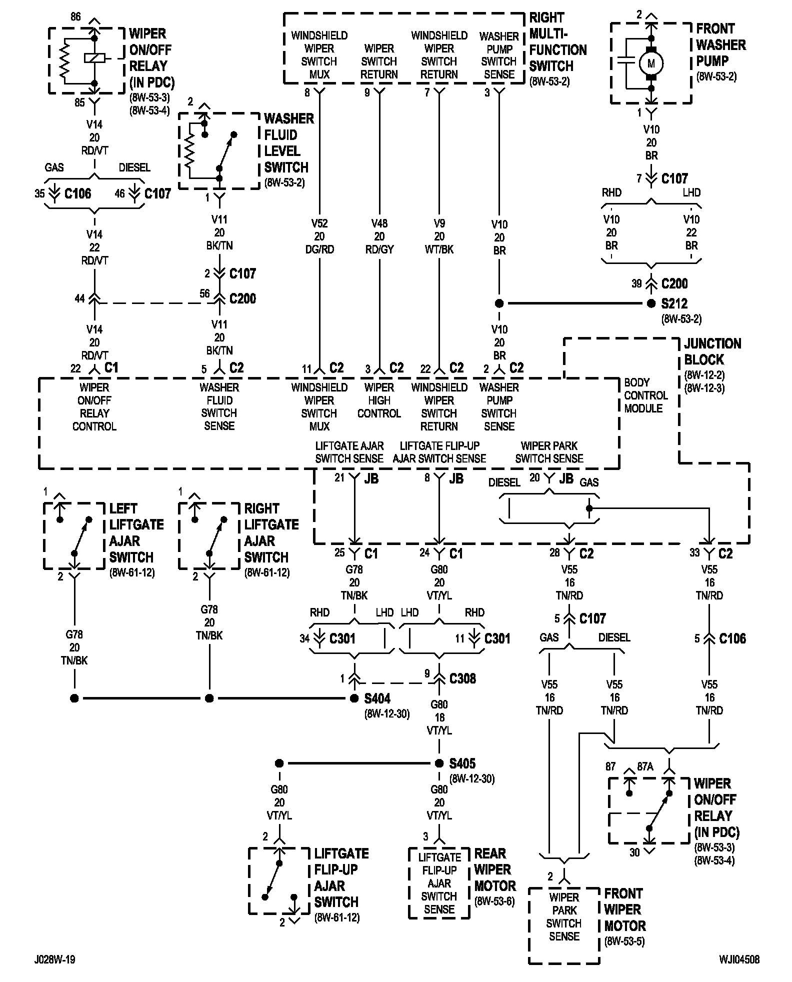
8w-45-5 (LHD):




8w-45-6 (RHD):




8w-45-7:




8w-45-8:




8w-45-9:




8w-45-10:






NOTE: To view sheets referred to in these diagrams, see Complete Body and Chassis Diagrams. Electrical Diagrams