LEMON Manuals: Even more car manuals for everyone: 1960-2025
Home >> Jeep >> 2002 >> Wrangler L6-4.0L VIN S >> Repair and Diagnosis >> Diagrams >> Electrical Diagrams >> Powertrain Management >> Computers and Control Systems >> Engine Control Module >> System Schematic
April 5, 2026: LEMON Manuals is launched! Read the announcement.

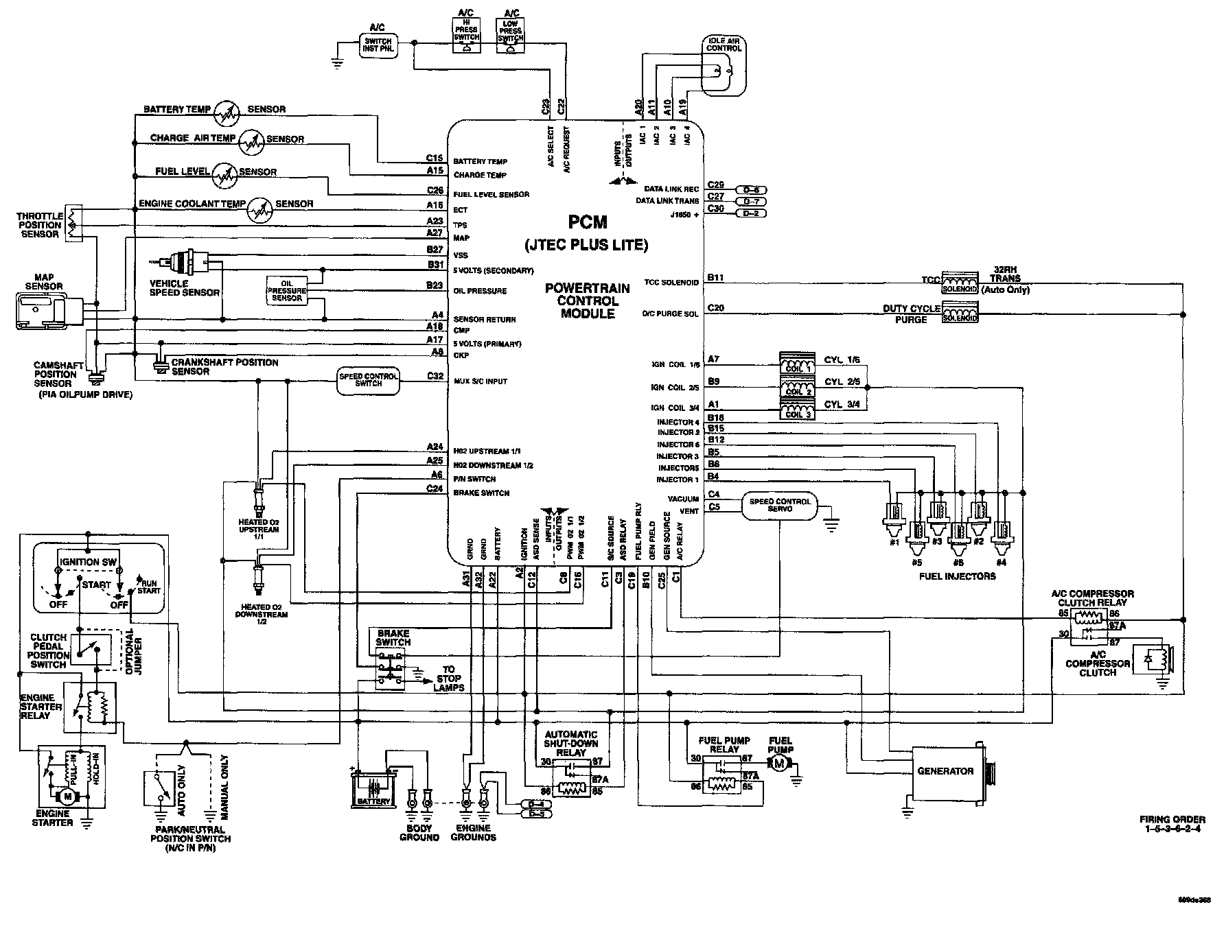
System Schematic

2001 Jeep TJ 4.0L JTEC System:




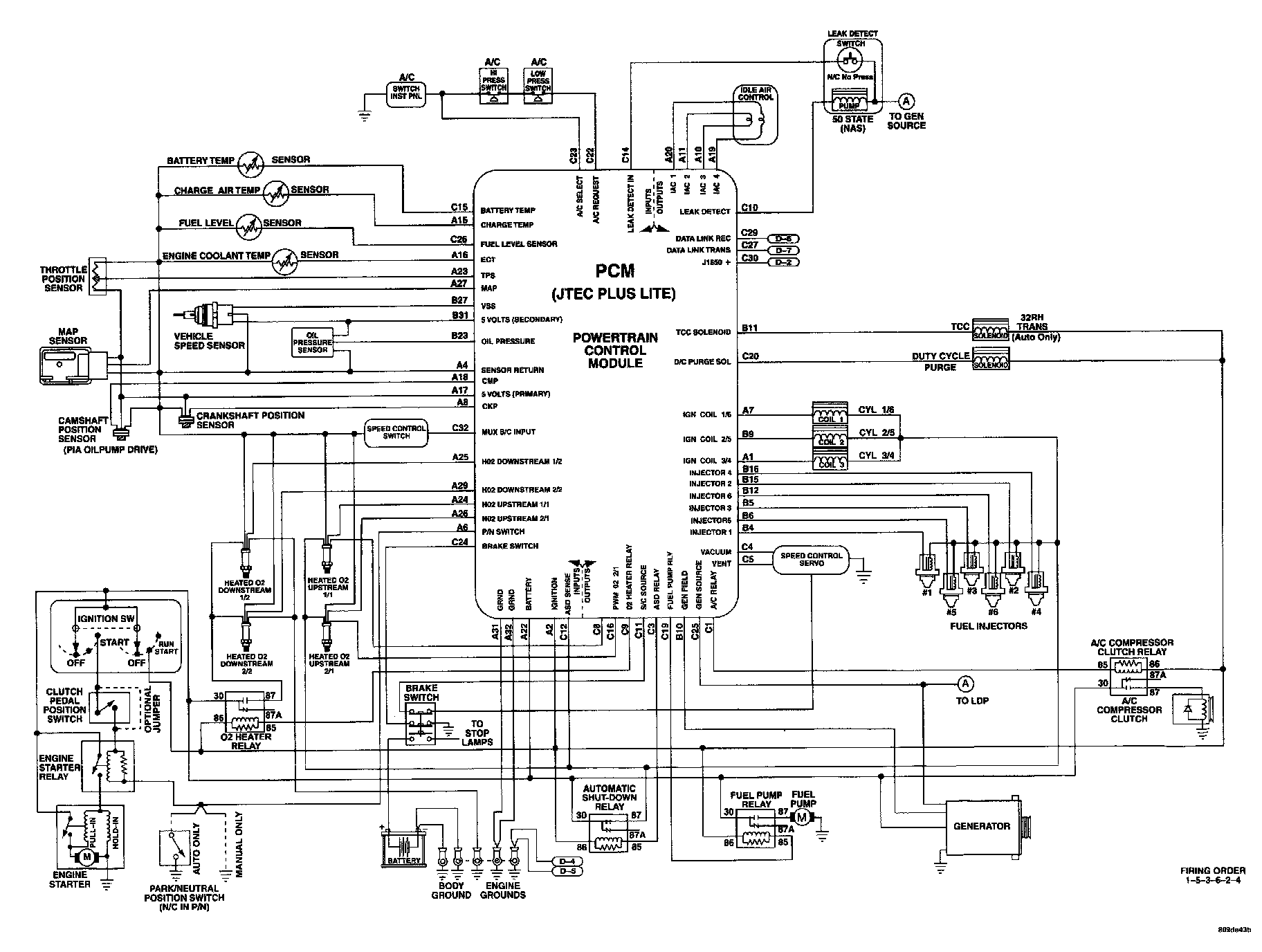
2001 Jeep TJ 4.0L JTEC System: