LEMON Manuals: Even more car manuals for everyone: 1960-2025
Home >> Jeep >> 2003 >> Grand Cherokee 4WD V8-4.7L >> Repair and Diagnosis >> Diagrams >> Connector Views >> Control Module, A/T
April 5, 2026: LEMON Manuals is launched! Read the announcement.

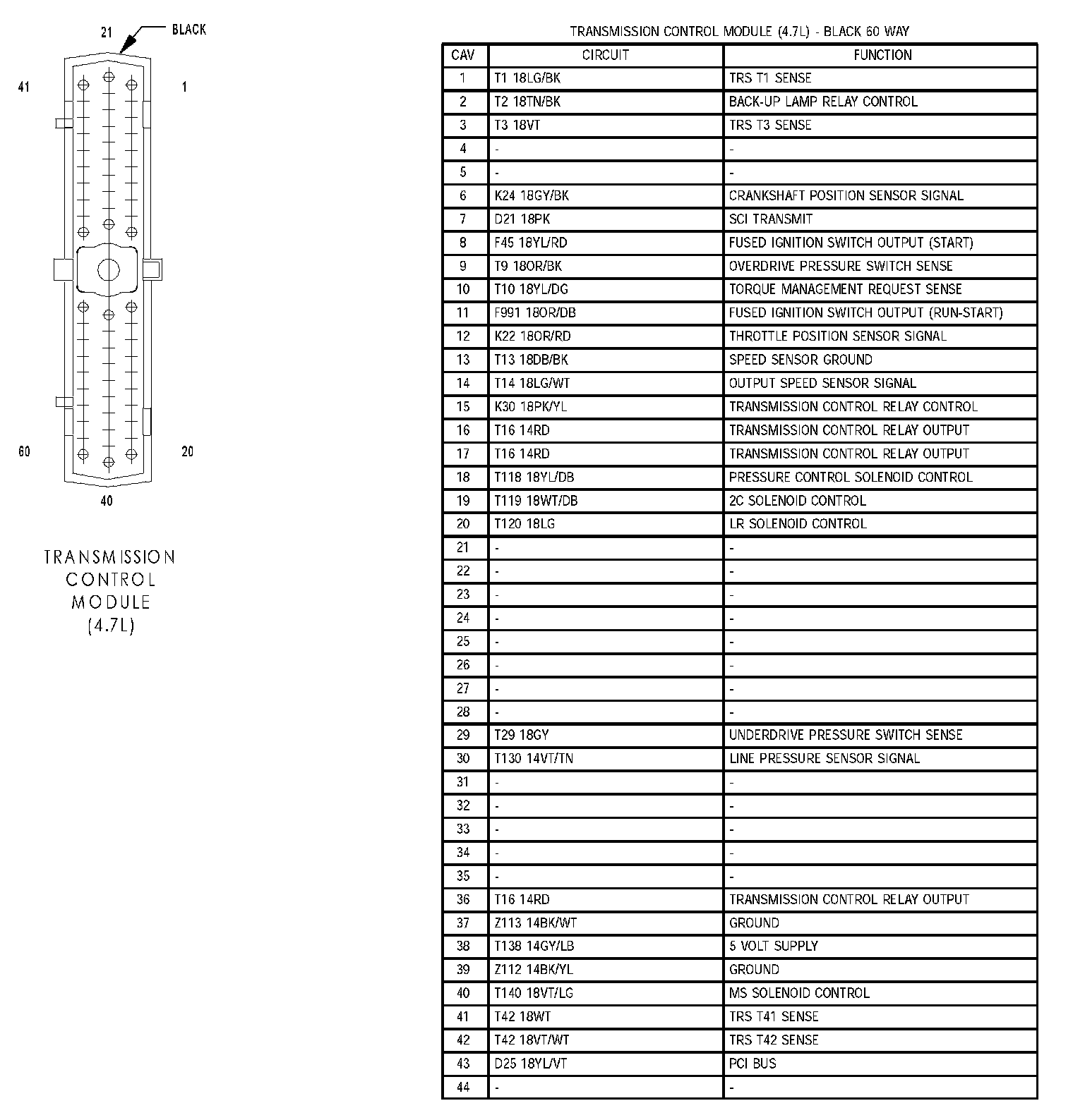
Control Module, A/T

Transmission Control Module (4.7L) Part 1 Of 2:



Transmission Control Module (4.7L) Part 2 Of 2: