LEMON Manuals: Even more car manuals for everyone: 1960-2025
Home >> Jeep >> 2003 >> Grand Cherokee 4WD V8-4.7L >> Repair and Diagnosis >> Powertrain Management >> Computers and Control Systems >> Relays and Modules - Computers and Control Systems >> Body Control Module >> Diagrams >> Electrical Diagrams >> System Schematic
April 5, 2026: LEMON Manuals is launched! Read the announcement.

System Schematic

Airbag System:





Premium Audio System:





Base Audio System:





Remote Radio Controls:





CD Changer:





Automatic Zone Control - LHD:





Automatic Zone Control - RHD:





Manual Temperature Control:





Chime:





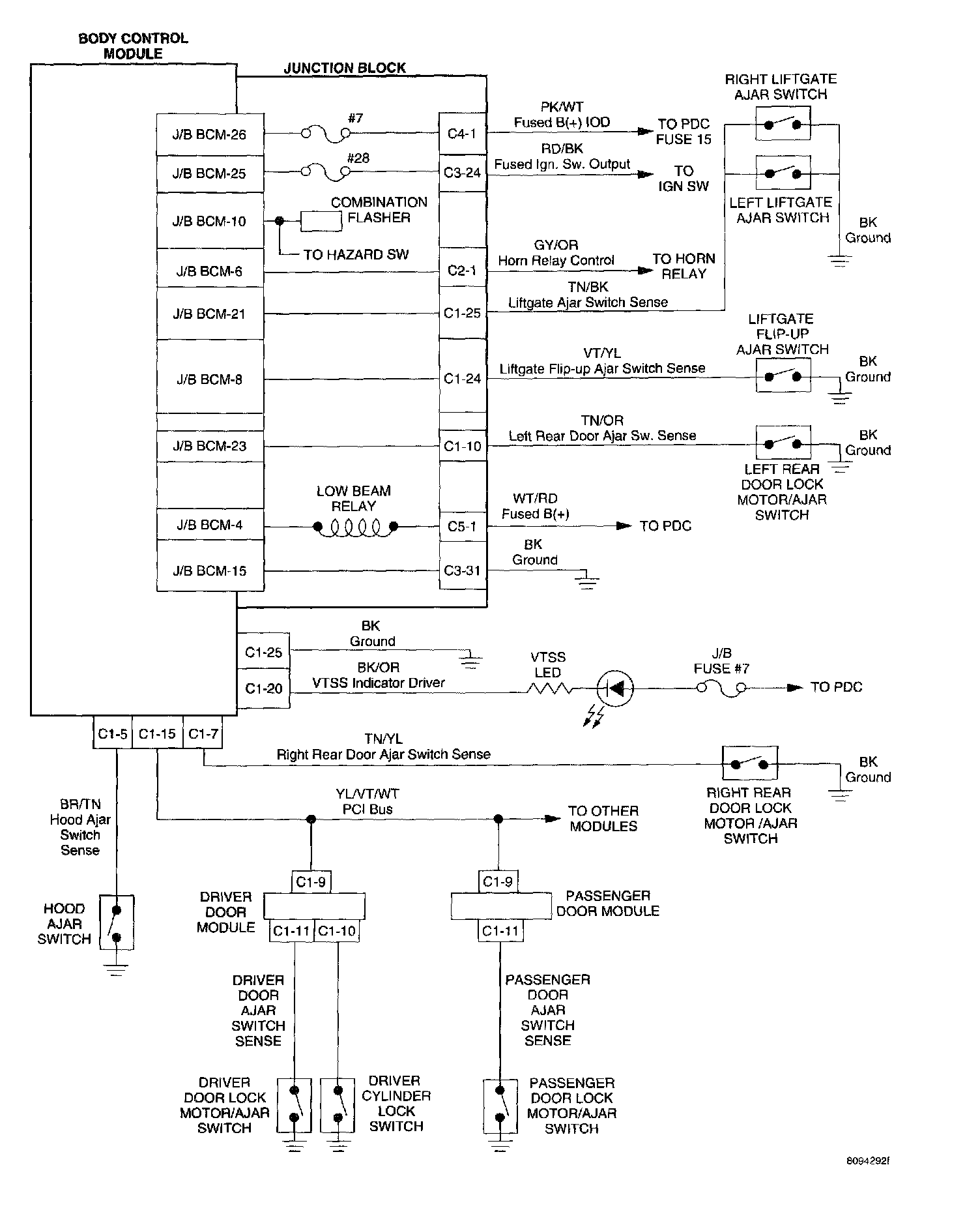
Door Ajar System:





EVIC:





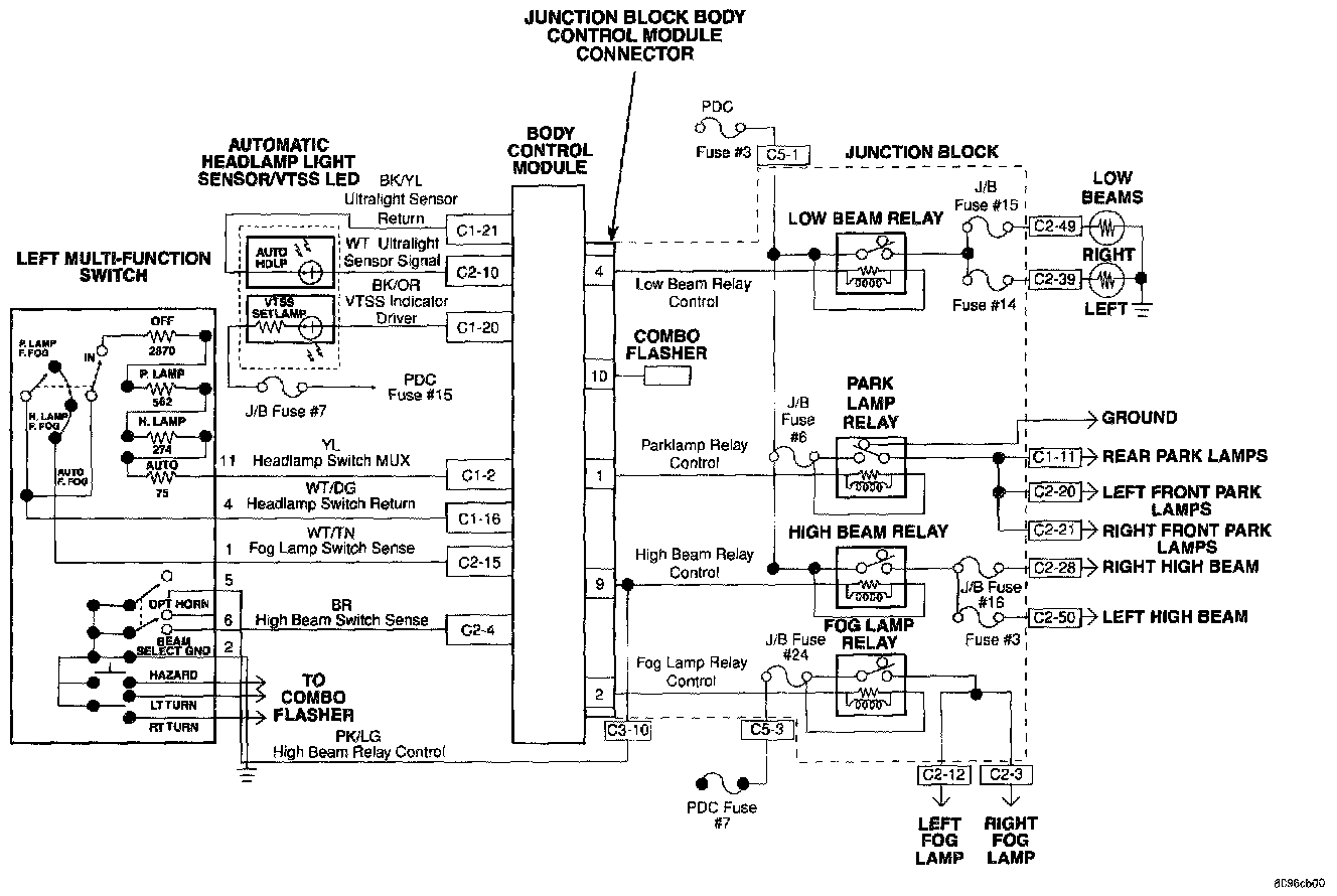
Exterior Lighting:





Interior Lighting:









Mechanical Instrument Cluster:





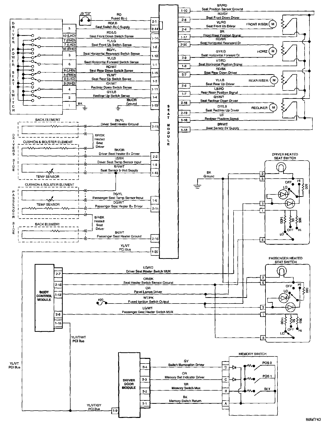
Memory Heated Seats:





Power Door Locks:





Power Mirror System - Driver Mirror:





Power Mirror System - Passenger Mirror:





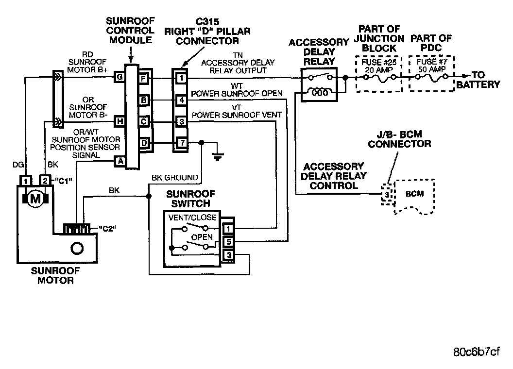
Power Sunroof:





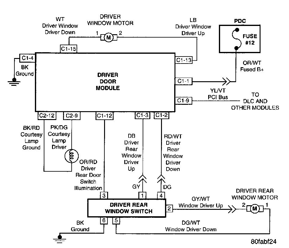
power Windows - Driver Side:





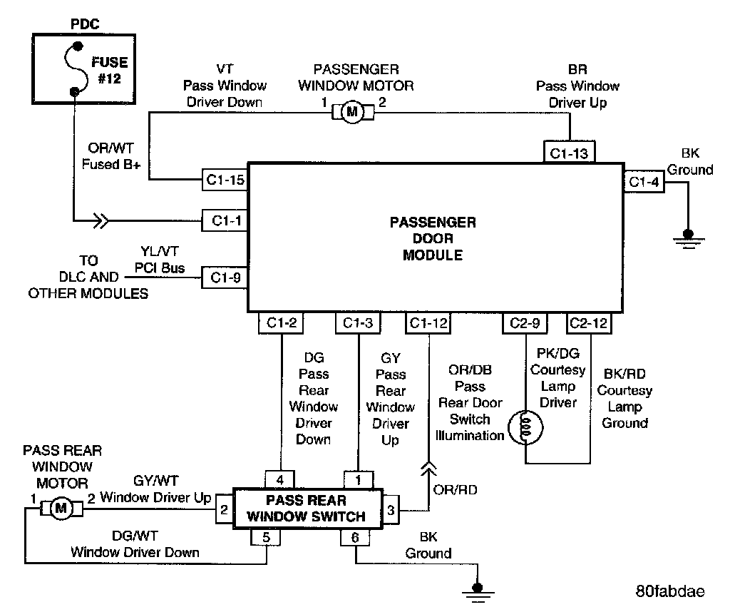
Power Windows - Passenger Side:





Vehicle Communication - LHD:





Vehicle Communication - RHD:





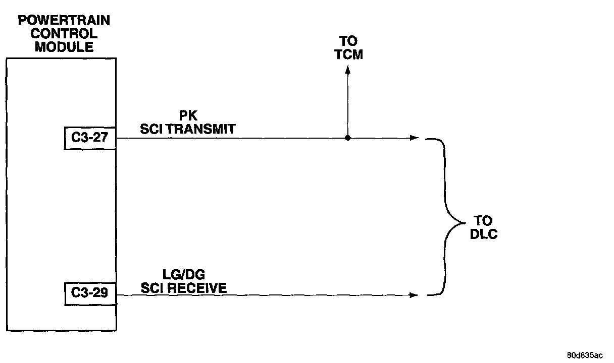
PCM Communication:





Vehicle Theft Security System (VTSS):





Intrusion Transceiver Module (Export Only):





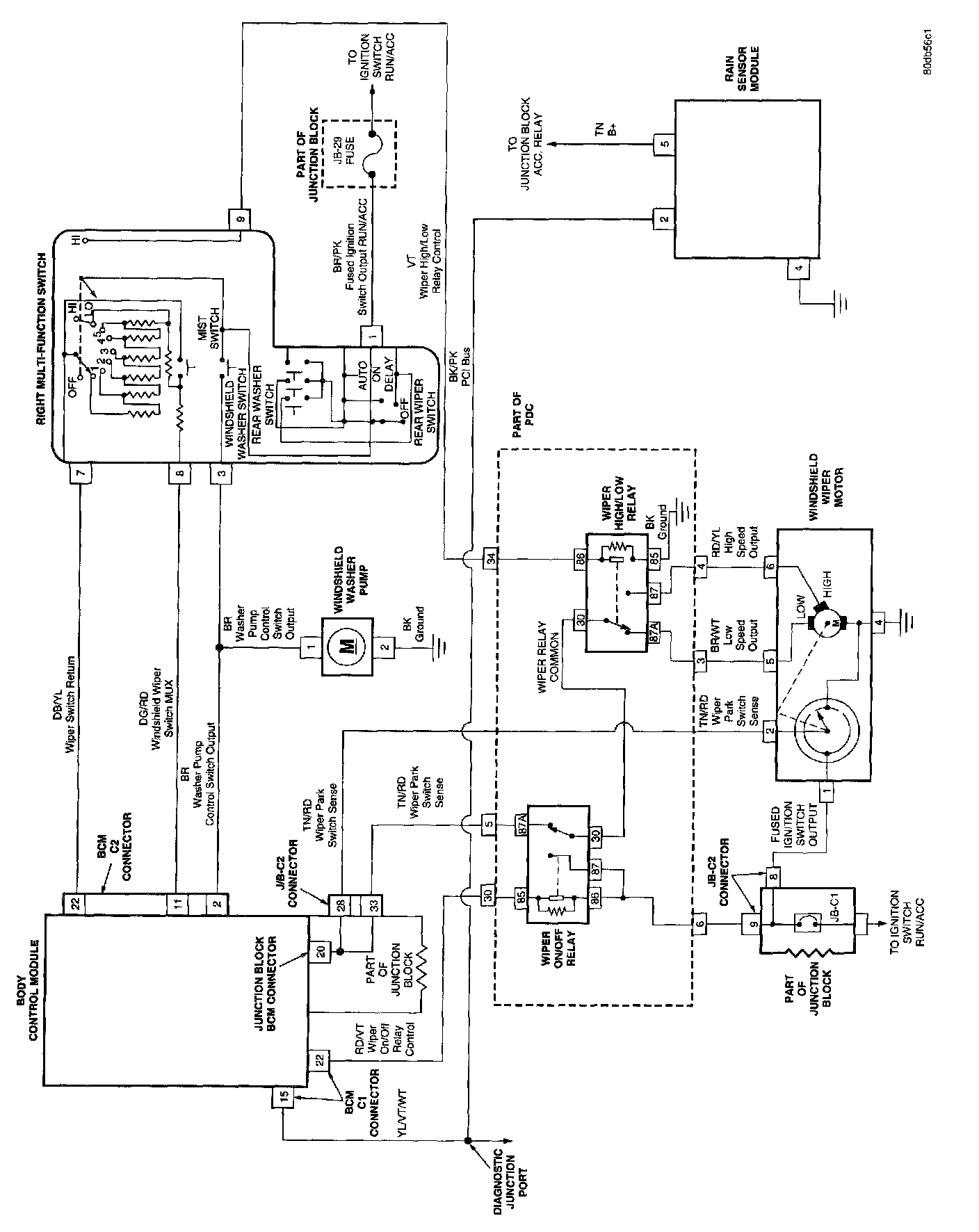
Windshield Wiper System - Front Wipers:





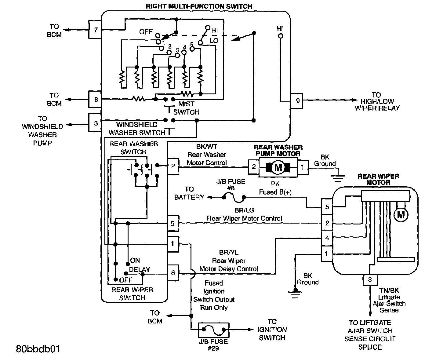
Windshield Wiper System - Rear Wiper System: