LEMON Manuals: Even more car manuals for everyone: 1960-2025
Home >> Jeep >> 2004 >> Liberty 2WD L4-2.4L VIN 1 >> Repair and Diagnosis >> Powertrain Management >> Computers and Control Systems >> Relays and Modules - Computers and Control Systems >> Body Control Module >> Diagrams >> Electrical Diagrams >> 8W-45-2
April 5, 2026: LEMON Manuals is launched! Read the announcement.

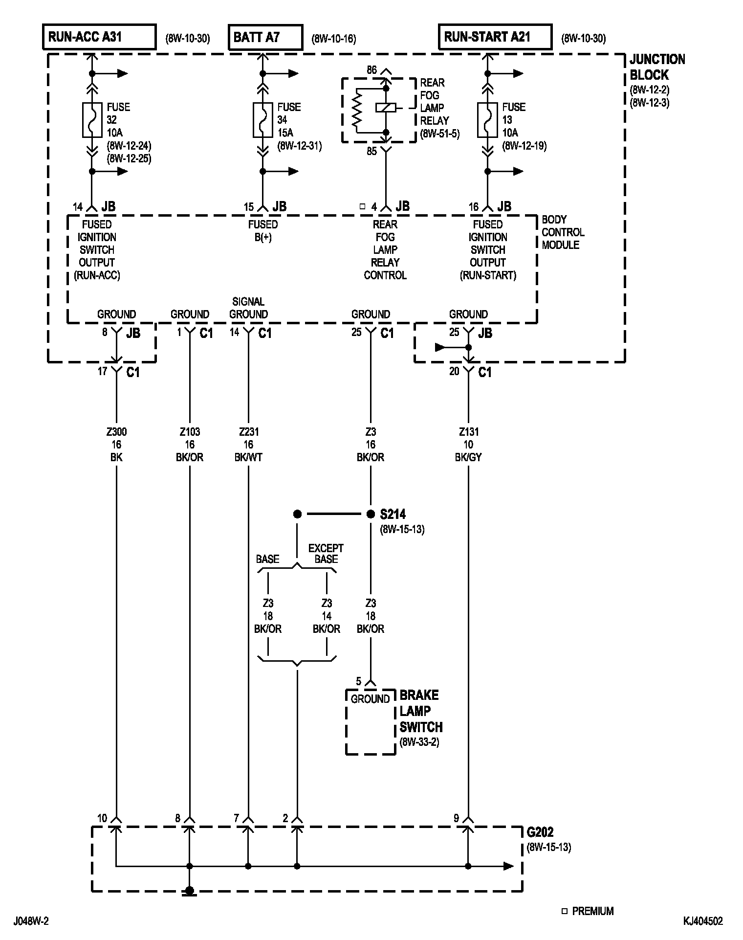
8W-45-2

PLEASE NOTE: Some diagram sheets may appear to be missing because of gaps in the number sequences. These "gaps" are actually for diagrams that do not apply to the vehicle model selected.


8w-45-2:







Next Diagram 8W-45-3


NOTE: Other diagrams referred to by number (8W-70-2, etc.) within these diagrams can be found at Diagrams by Number.Diagrams By Number