LEMON Manuals: Even more car manuals for everyone: 1960-2025
Home >> Jeep >> 2007 >> Commander Base, 4.7 N, AWD >> Repair and Diagnosis >> Engine Performance >> System >> DTCS P0645 To P1593 >> P0691-Cooling Fan 1 Relay Control Circuit Low >> Circuit Schematic
April 5, 2026: LEMON Manuals is launched! Read the announcement.

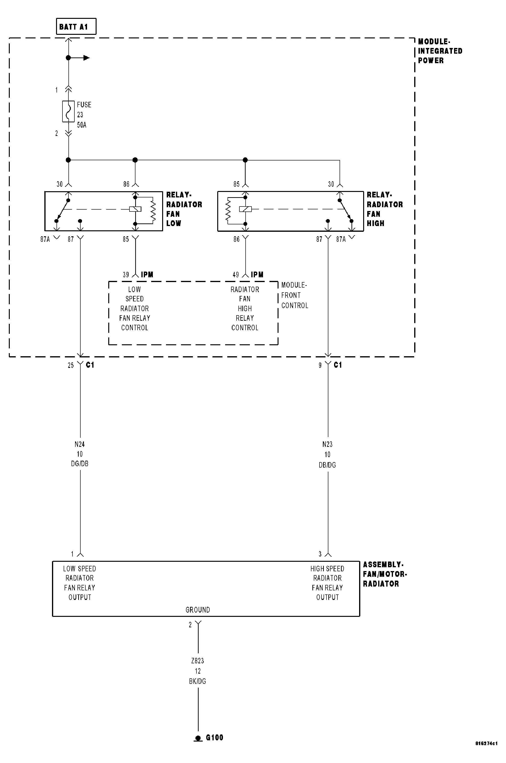
Circuit Schematic

Fig 1: Cooling Fans Circuit Schematic
GC0044771Courtesy of CHRYSLER LLC