LEMON Manuals: Even more car manuals for everyone: 1960-2025
Home >> Jeep >> 2007 >> Commander Base, 4.7 P, 4WD >> Repair and Diagnosis >> Engine Performance >> System >> DTCS P0175 To P0315 >> P0202-Fuel Injector 2 Circuit >> Circuit Schematic
April 5, 2026: LEMON Manuals is launched! Read the announcement.

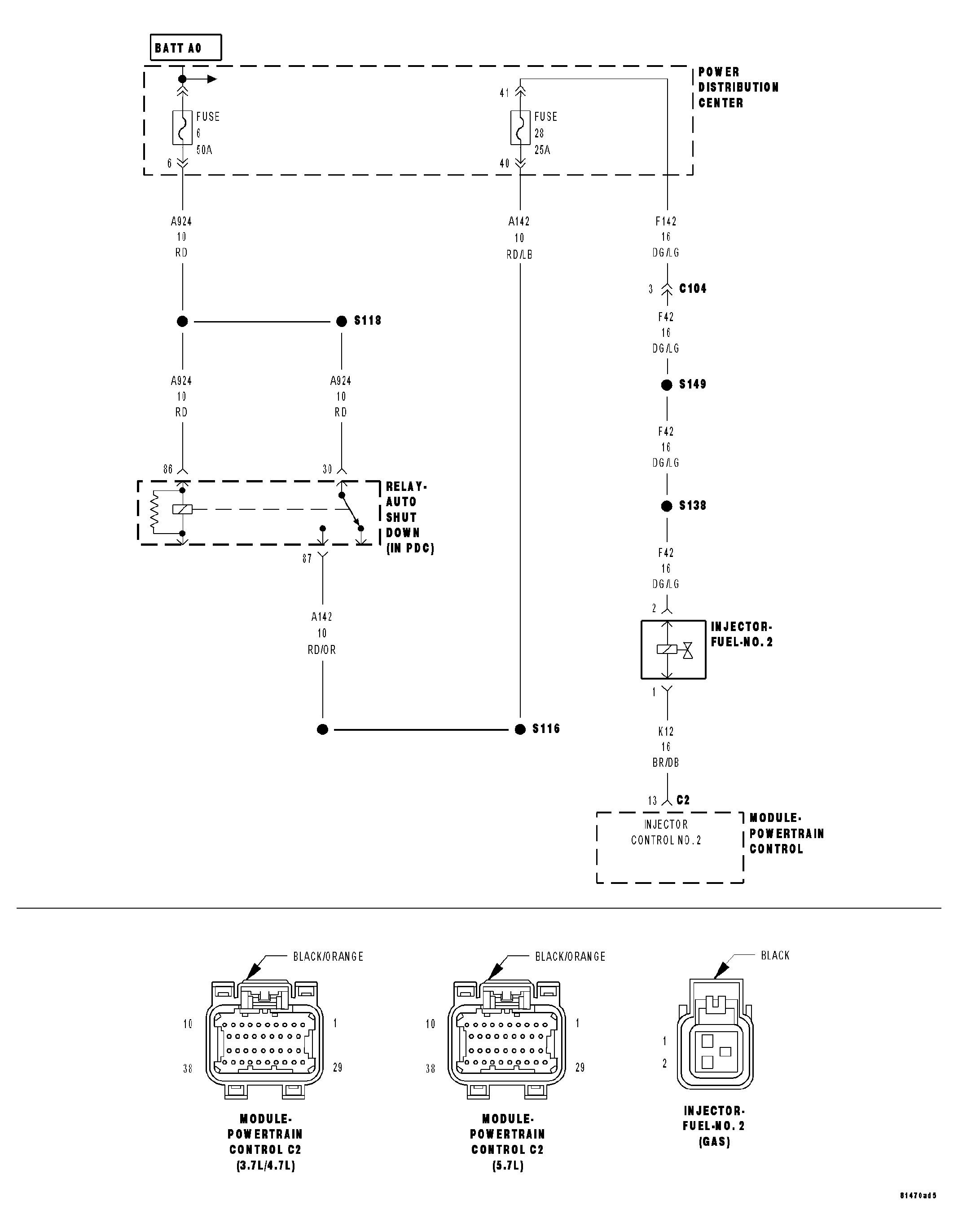
Circuit Schematic

Fig 1: Fuel Injector 2 Circuit Schematic
GC0027104Courtesy of CHRYSLER LLC