LEMON Manuals: Even more car manuals for everyone: 1960-2025
Home >> Jeep >> 2007 >> Commander Base, 4.7 P, AWD >> Repair and Diagnosis >> Engine Performance >> System >> DTCS P3400 To U1403 >> U110C-Lost Fuel Level Message >> Circuit Schematic
April 5, 2026: LEMON Manuals is launched! Read the announcement.

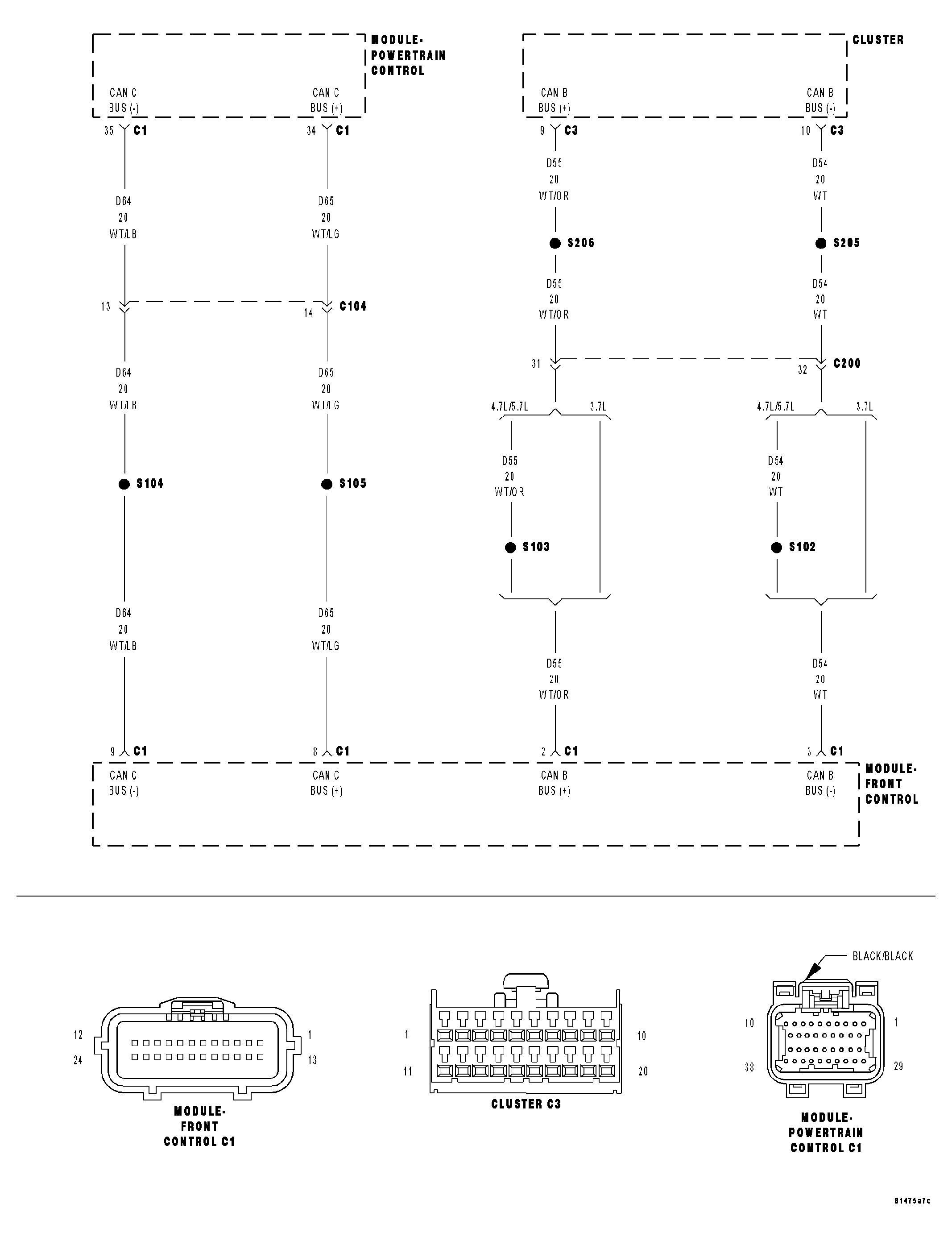
Circuit Schematic

Fig 1: Cluster Communication CAN B BUS Circuit Schematic
GC0027227Courtesy of CHRYSLER LLC