LEMON Manuals: Even more car manuals for everyone: 1960-2025
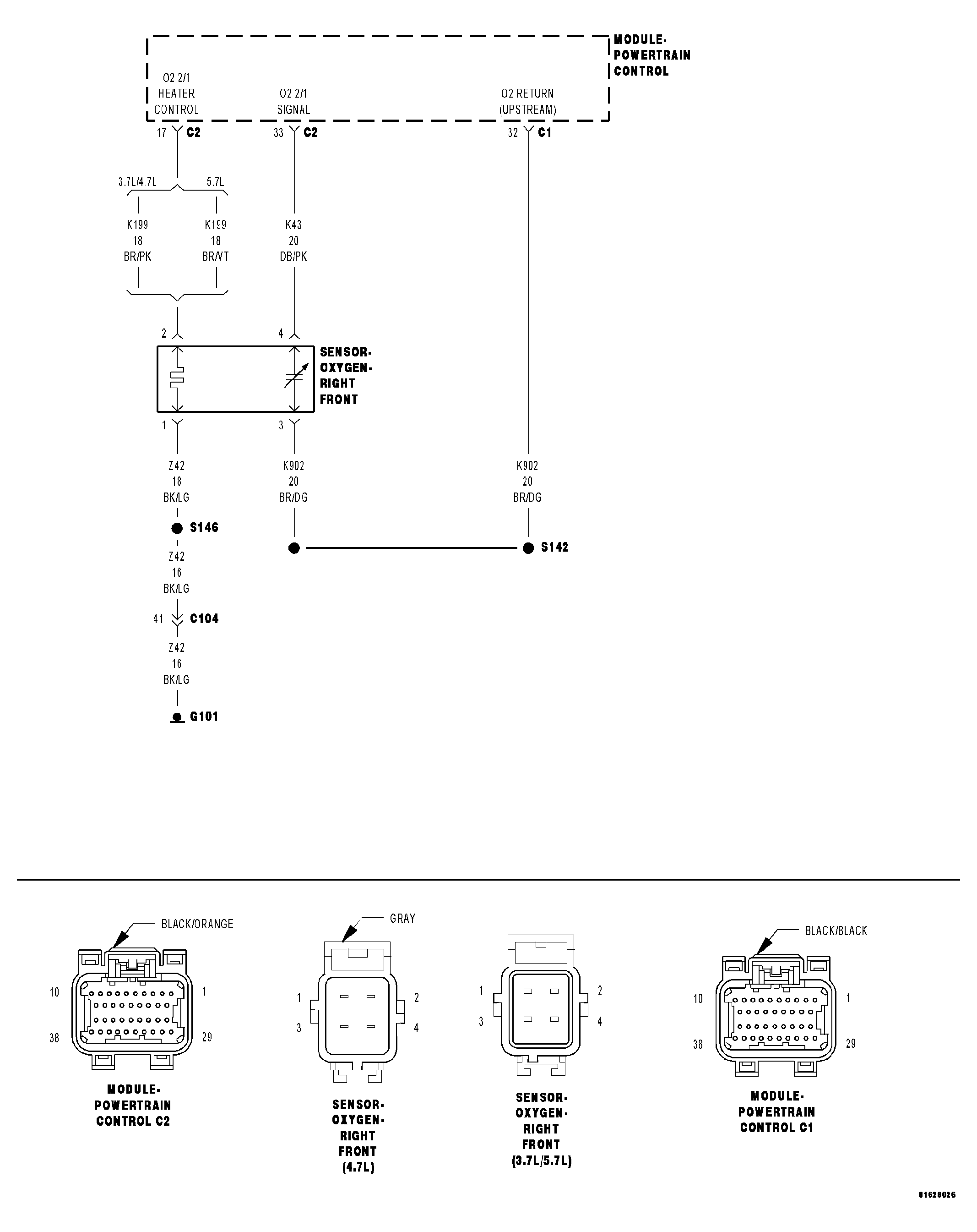
Home >> Jeep >> 2007 >> Commander Overland, RWD >> Repair and Diagnosis >> Engine Performance >> System >> DTCS P0123 To P0174 >> P0151-O2 Sensor 2/1 Circuit Low >> Circuit Schematic
April 5, 2026: LEMON Manuals is launched! Read the announcement.

Circuit Schematic

Fig 1: Right Front O2 Sensor Circuit Schematic
GC0044742Courtesy of CHRYSLER LLC