LEMON Manuals: Even more car manuals for everyone: 1960-2025
Home >> Jeep >> 2007 >> Compass Limited, AWD, Automatic CVT >> Repair and Diagnosis >> Transmission >> Automatic Trans >> Engine & Automatic Transmission Cooling System >> Engine >> Fan-Radiator >> Installation >> Installation - Gas Engine
April 5, 2026: LEMON Manuals is launched! Read the announcement.

Installation - Gas Engine

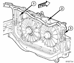
Fig 1: RADIATOR FAN ASSEMBLY
GC0053125Courtesy of CHRYSLER LLC
1 - RADIATOR FAN ELECTRICAL CONNECTOR
2 - BRACKET
3 - RADIATOR
  1. Install the radiator fan assembly into J-clips.
  2. Install radiator fan fasteners. Tighten all radiator fan retaining screws to 6 N.m (55 in. lbs.).
  3. Install radiator crossmember. Refer to INSTALLATION .
  4. Install wiring harness bracket (2).
  5. Connect radiator fan electrical connector (1).
  6. Install upper radiator hose.
  7. Connect negative battery cable.
  8. Fill cooling system. See STANDARD PROCEDURE .