LEMON Manuals: Even more car manuals for everyone: 1960-2025
Home >> Jeep >> 2007 >> Wrangler X, Automatic >> Repair and Diagnosis >> Engine Performance >> System >> DTCS P0128 To P0202 >> P0157-O2 Sensor 2/2 Circuit Low >> Circuit Schematic
April 5, 2026: LEMON Manuals is launched! Read the announcement.

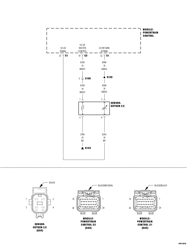
Circuit Schematic

Fig 1: O2 Sensor 2/2 Circuit Schematic
GC0064173Courtesy of CHRYSLER LLC