LEMON Manuals: Even more car manuals for everyone: 1960-2025
Home >> Jeep >> 2009 >> Commander Overland, 4WD >> Repair and Diagnosis >> Engine Performance >> System >> DRIVEABILITY - Gas - Non-DTC Diagnostics >> Diagnosis And Testing >> Checking The Fuel Delivery System >> Notes
April 5, 2026: LEMON Manuals is launched! Read the announcement.

Checking The Fuel Delivery System: Notes

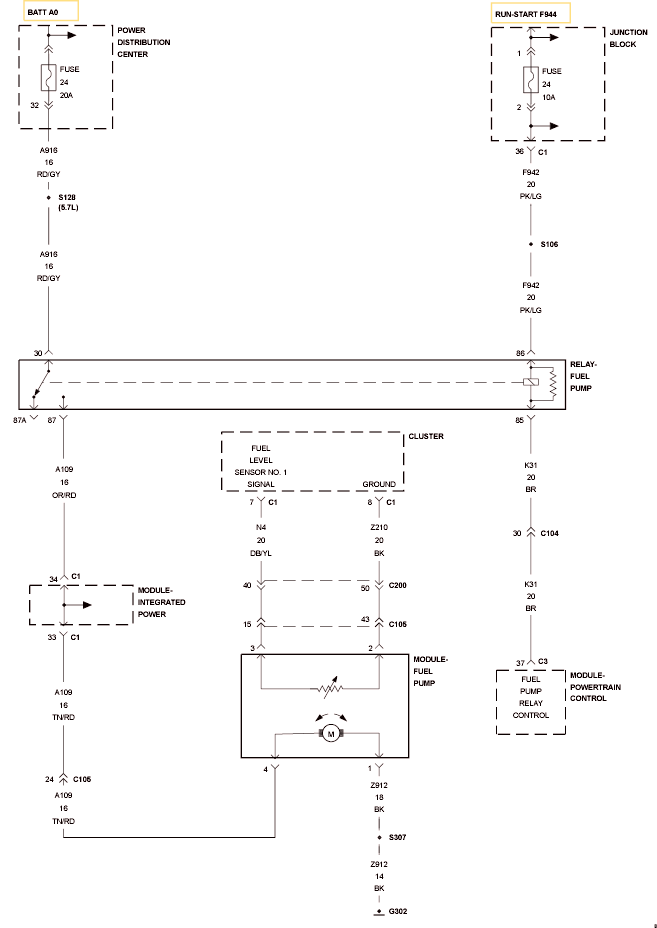
Fig 1: Fuel Delivery System Circuit Schematic
GC0120723Courtesy of CHRYSLER LLC

For complete wiring diagrams, refer to SYSTEM WIRING DIAGRAMS .

Possible Causes 
RESTRICTED FUEL SUPPLY LINE
FUEL PUMP INLET STRAINER PLUGGED
(A109) FUEL PUMP RELAY OUTPUT CIRCUIT
FUEL PUMP RELAY
FUEL PUMP