LEMON Manuals: Even more car manuals for everyone: 1960-2025
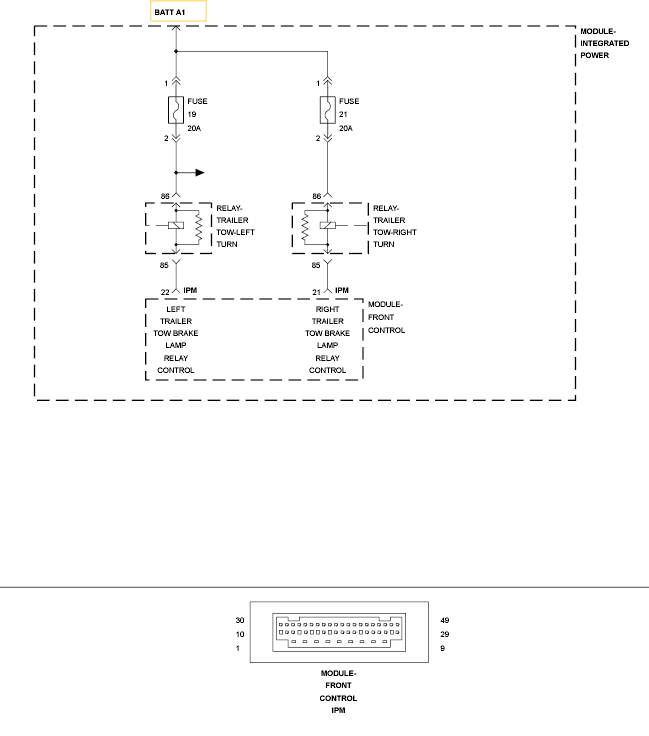
Home >> Jeep >> 2009 >> Commander Overland, RWD >> Repair and Diagnosis (Single Page) >> Engine Performance >> Ignition System >> Front Control Module (FCM) - Electrical Diagnostics >> DTC Troubleshooting >> B166C-Left Trailer Tow Lamp Control Circuit High >> Circuit Schematic
April 5, 2026: LEMON Manuals is launched! Read the announcement.

Circuit Schematic

Fig 1: Trailer Tow Lamp Control High Circuit Schematic
GC0120117Courtesy of CHRYSLER LLC