LEMON Manuals: Even more car manuals for everyone: 1960-2025
Home >> Jeep >> 2009 >> Wrangler X, Automatic >> Repair and Diagnosis >> Transmission >> Automatic Trans >> (Transmission Control Module (TCM) - Electrical Diagnostics) >> DTC Troubleshooting >> P0706-Transmission Range Sensor Rationality >> Notes
April 5, 2026: LEMON Manuals is launched! Read the announcement.

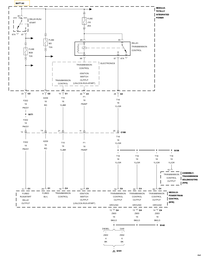
P0706-Transmission Range Sensor Rationality: Notes

Fig 1: Transmission Range Sensor Circuit
GC0132021Courtesy of CHRYSLER LLC