LEMON Manuals: Even more car manuals for everyone: 1960-2025
Home >> Jeep >> 2012 >> Compass Limited, AWD, Standard >> Repair and Diagnosis >> Engine Performance >> System >> DRIVEABILITY - Gas - Non-DTC Based Diagnostics >> Diagnosis And Testing >> Checking The Map Sensor Performance >> Notes
April 5, 2026: LEMON Manuals is launched! Read the announcement.

Checking The Map Sensor Performance: Notes

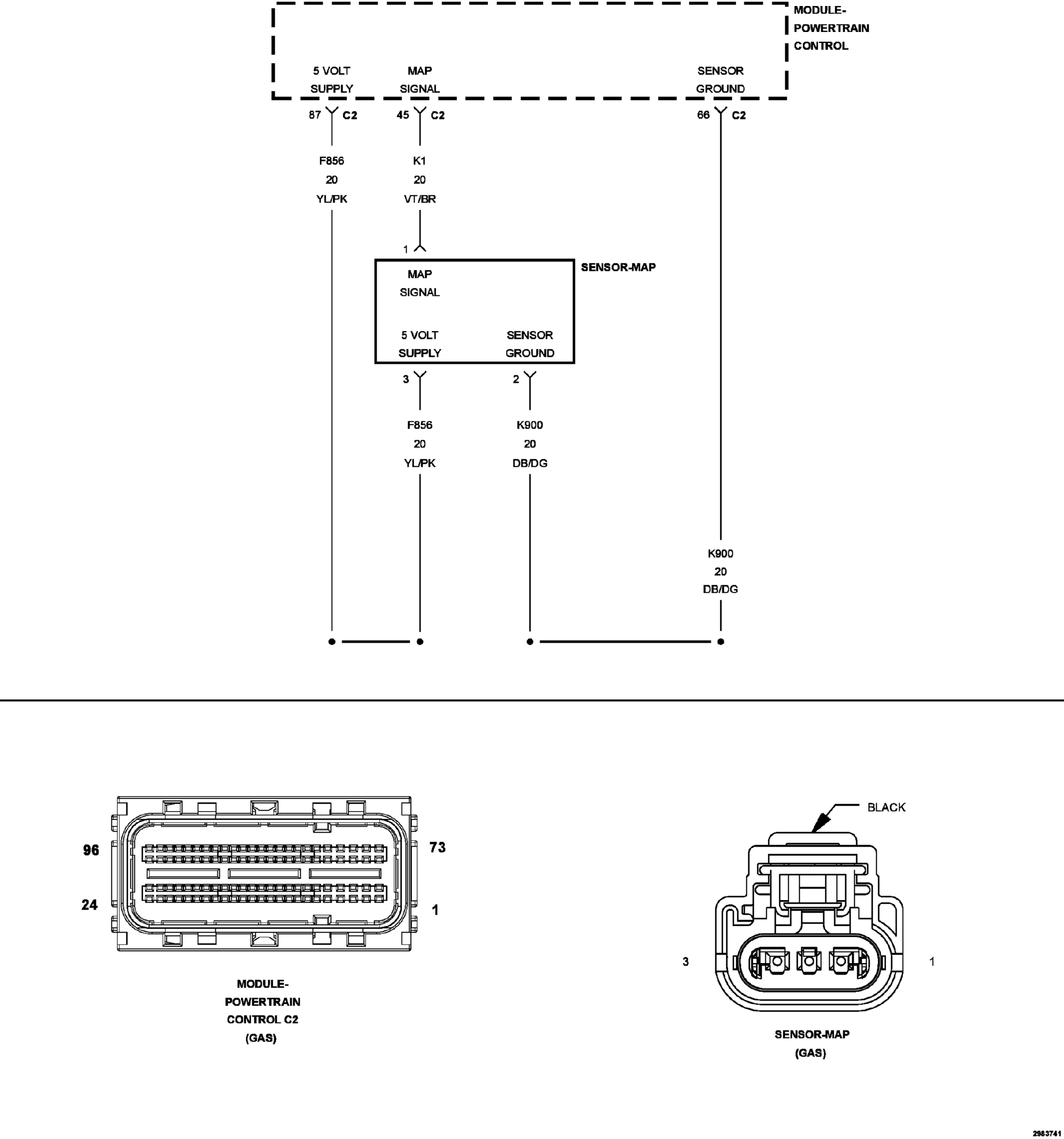
Fig 1: Manifold Absolute Pressure Sensor Wiring Diagram
GC0149288Courtesy of CHRYSLER GROUP, LLC

For a complete wiring diagram, refer to appropriate SYSTEM WIRING DIAGRAMS article  .