LEMON Manuals: Even more car manuals for everyone: 1960-2025
Home >> Jeep >> 2013 >> Grand Cherokee Laredo, AWD >> Repair and Diagnosis >> Transmission >> Transmission Control Systems >> (Transmission Control Module (TCM) - Electrical Diagnostics) >> DTC Troubleshooting >> P0710-Transmission Temperature Sensor Circuit >> Notes
April 5, 2026: LEMON Manuals is launched! Read the announcement.

P0710-Transmission Temperature Sensor Circuit: Notes

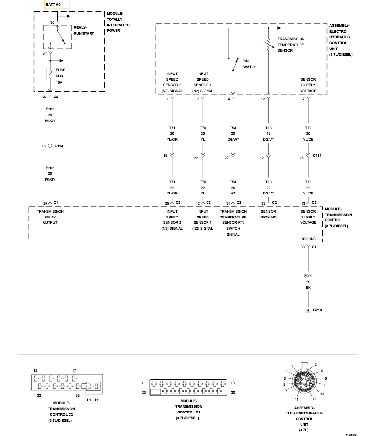
Fig 1: Electrohydraulic Control Unit Circuit Diagram
GC0151263Courtesy of CHRYSLER GROUP, LLC

For a complete wiring diagram, refer to appropriate SYSTEM WIRING DIAGRAMS article  .