LEMON Manuals: Even more car manuals for everyone: 1960-2025
Home >> Jeep >> 2017 >> Wrangler Rubicon, Automatic Trans >> Repair and Diagnosis (Single Page) >> Accessories & Equipment >> Communication Devices >> Electronic Control Modules (Service Information) >> Module, Glow Plug >> Installation >> Right Hand Drive
April 5, 2026: LEMON Manuals is launched! Read the announcement.

Right Hand Drive

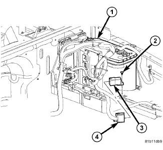
GC0130774Courtesy of CHRYSLER GROUP, LLC
NOTE:

The glow plug module (3) is located near the front of the battery (1).

  1. Connect the wire harness connector (4) to the glow plug module.
  2. Position the glow plug module (3) and install the mounting pin (2).
  3. Connect the negative battery cable.