LEMON Manuals: Even more car manuals for everyone: 1960-2025
Home >> Jeep >> 2017 >> Wrangler Rubicon, Automatic Trans >> Repair and Diagnosis >> Transmission >> Automatic Trans >> Engine Cooling System >> Engine >> Radiator, Engine Cooling >> Installation >> Diesel Engine
April 5, 2026: LEMON Manuals is launched! Read the announcement.

Diesel Engine

CAUTION:

Before installing the radiator or A/C condenser, be sure the radiator-to-body and radiator-to-A/C condenser rubber air seals are properly fastened to their original positions. These are used at the top, bottom and sides of the radiator and A/C condenser. To prevent overheating, these seals must be installed to their original positions.

GC0153996Courtesy of CHRYSLER GROUP, LLC
  1. Install the A/C condenser (2) onto the radiator (1). Tighten the bolts (3) to 5 N.m (44 in. lbs.).
  2. Install the transmission cooler (5). Tighten the bolts (4) to 8 N.m (71 in. lbs.).
  3. Install the radiator into the vehicle.
    GC0169906Courtesy of CHRYSLER GROUP, LLC
  4. Install the lower radiator hose (1).
    GC0169873Courtesy of CHRYSLER GROUP, LLC
  5. Install the upper radiator hose (2).
  6. Install the pressurized coolant bottle hose (1) onto the radiator.
    GC0155082Courtesy of CHRYSLER GROUP, LLC
  7. Install the four bolts (2) securing the fan shroud (1) and tighten to 9 N.m (80 in. lbs.).
    GC0155078Courtesy of CHRYSLER GROUP, LLC
  8. Connect the cooling fan wire harness connector (1).
    GC0155075Courtesy of CHRYSLER GROUP, LLC
  9. Install the cooling fan shroud (1). Tighten the bolts (3) to 9 N.m (80 in. lbs.).
  10. Install the coolant hose (2) onto the fan shroud (1).
  11. Install the windshield washer bottle. Tighten the bolts to 12 N.m (9 ft. lbs.).
    GC0153975Courtesy of CHRYSLER GROUP, LLC
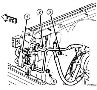
  12. On automatic transmission models, install the transmission cooler lines (3). Tighten the bolt (1) to 8 N.m (71 in. lbs.).
    GC0169888Courtesy of CHRYSLER GROUP, LLC
  13. Install the bolt (1) securing the A/C condenser lines to radiator and tighten to 5 N.m (44 in. lbs.).
    GC0085607Courtesy of CHRYSLER GROUP, LLC
  14. Install the A/C lines (2, 4) to the condenser. Tighten nuts (3, 5) to 23 N.m (17 ft. lbs.).
  15. Install the right and left side air deflectors and push pin fasteners.
  16. Install the Charge Air Cooler (CAC). Tighten the bolts 10 N.m (89 in. lbs.).
  17. Raise and support the vehicle. Refer to HOISTING, STANDARD PROCEDURE .
    GC0169823Courtesy of CHRYSLER GROUP, LLC
  18. Install the lower left CAC hose (1) to the cooler and tighten the clamp (2) to 5 N.m (44 in. lbs.).
  19. Remove the support and lower the vehicle.
    GC0169878Courtesy of CHRYSLER GROUP, LLC
  20. Install the lower right CAC hose (2) to the cooler and tighten the clamp (1) to 5 N.m (44 in. lbs.).
  21. Install the radiator crossmember. Refer to CROSSMEMBER, RADIATOR, INSTALLATION .
  22. Evacuate and charge the A/C system. Refer to PLUMBING, STANDARD PROCEDURE .
  23. Fill the cooling system. Refer to COOLANT FILL VOLUMES .
  24. Connect the battery negative cable.
  25. Start engine and check for leaks.