LEMON Manuals: Even more car manuals for everyone: 1960-2025
Home >> Kia >> 2002 >> Spectra Base, Automatic >> Repair and Diagnosis >> Engine Performance >> Vacuum Diagrams >> Introduction
April 5, 2026: LEMON Manuals is launched! Read the announcement.

Vacuum Diagrams: Introduction

This article contains schematics of vacuum hose routing. Use these vacuum diagrams during the visual inspection in BASIC DIAGNOSTIC PROCEDURES article. This will assist in identifying improperly routed vacuum hoses which cause driveability and/or computer-indicated malfunctions.

Fig 1: Vacuum Diagram (2002 Optima & Magentis (Canadian) 2.4L)
G00038168Courtesy of KIA MOTORS AMERICA, INC.
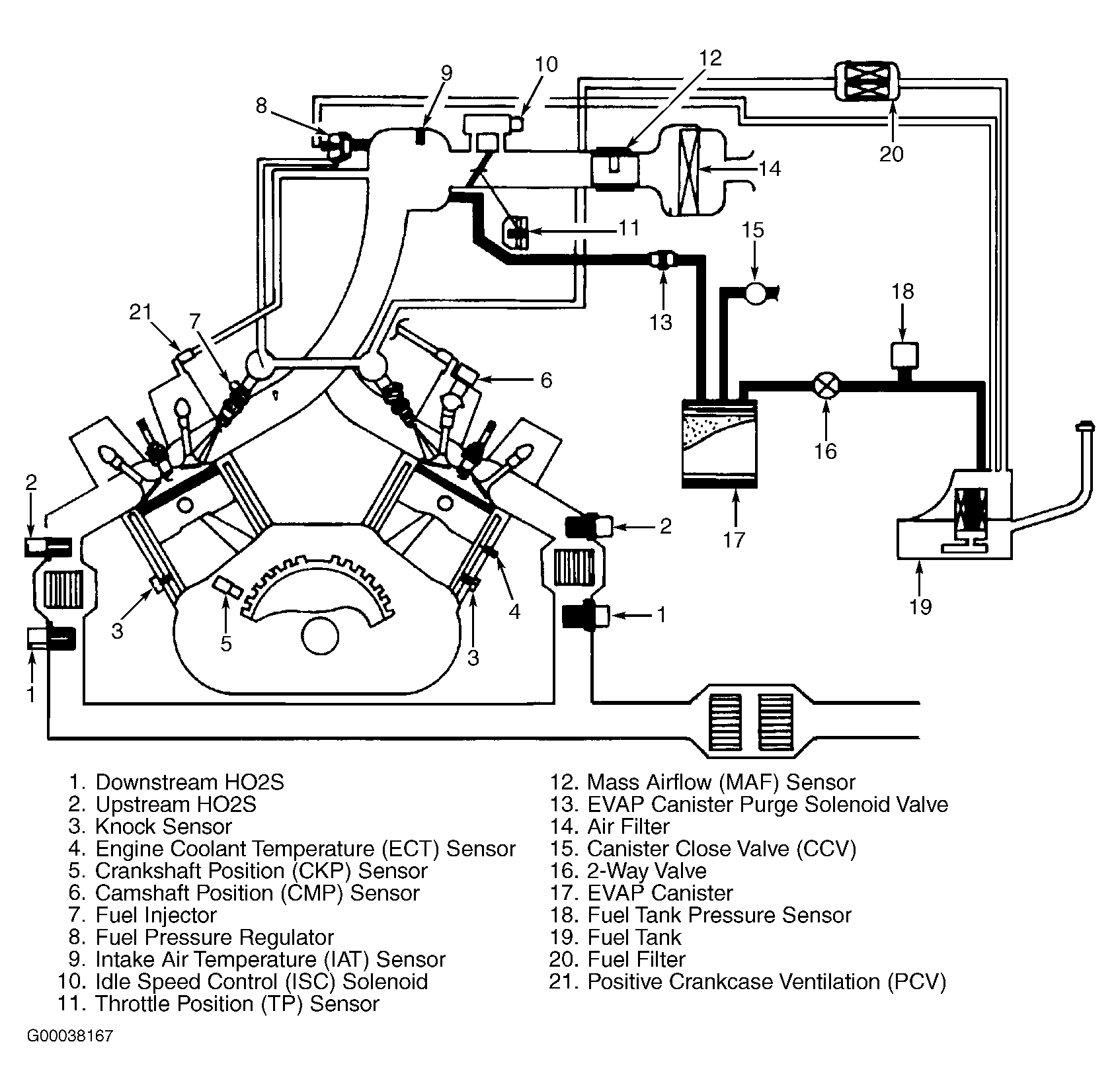
Fig 2: Vacuum Diagram (2002 Optima & Magentis (Canadian) 2.7L)
G00038167Courtesy of KIA MOTORS AMERICA, INC.
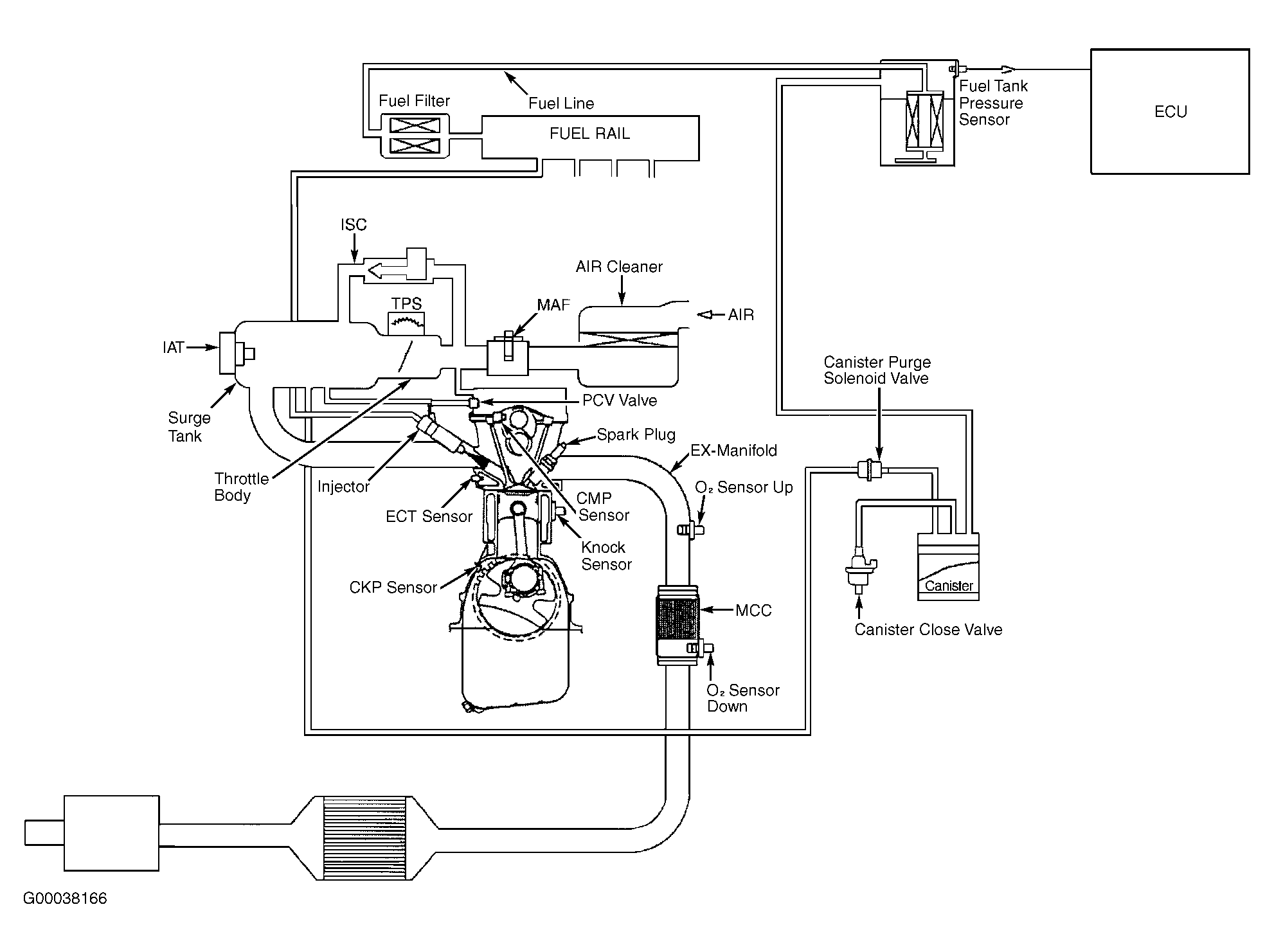
Fig 3: Vacuum Diagram (2002 Rio 1.5L)
G00038166Courtesy of KIA MOTORS AMERICA, INC.
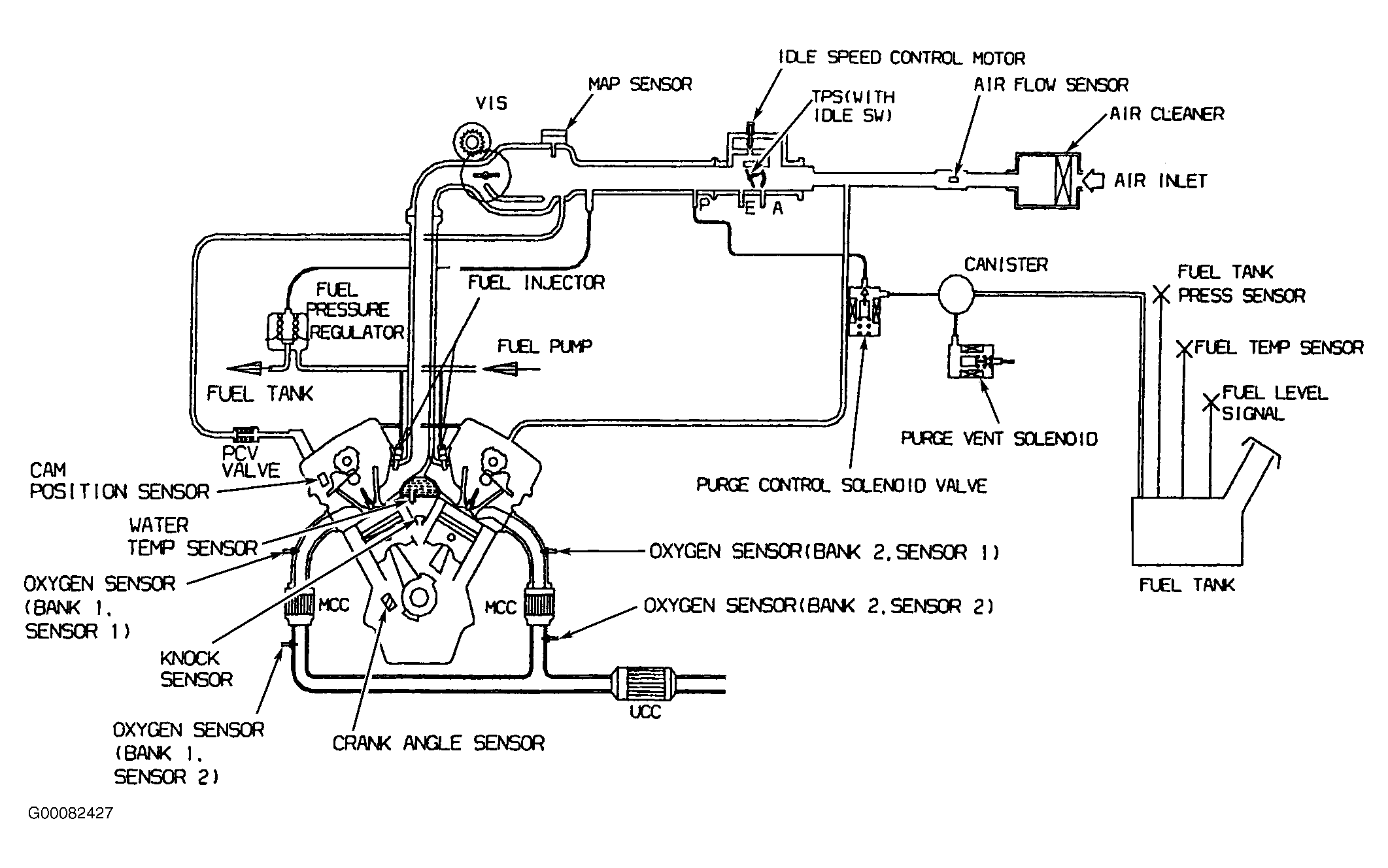
Fig 4: Vacuum Diagram (2002 Sedona 3.5L)
G00082427Courtesy of KIA MOTORS AMERICA, INC.
Fig 5: Vacuum Diagram (2002 Spectra 1.8L)
G99G08377Courtesy of KIA MOTORS AMERICA, INC.
Fig 6: Vacuum Diagram (2002 Sportage 2.0L)
G99A08379Courtesy of KIA MOTORS AMERICA, INC.