LEMON Manuals: Even more car manuals for everyone: 1960-2025
Home >> Kia >> 2003 >> Rio Base, Automatic >> Repair and Diagnosis (Single Page) >> Body & Frame >> Body, Cab Control Systems >> Electronic Time & Alarm Control System >> Electronic Time And Alarm Control Module >> Circuit Diagram
April 5, 2026: LEMON Manuals is launched! Read the announcement.

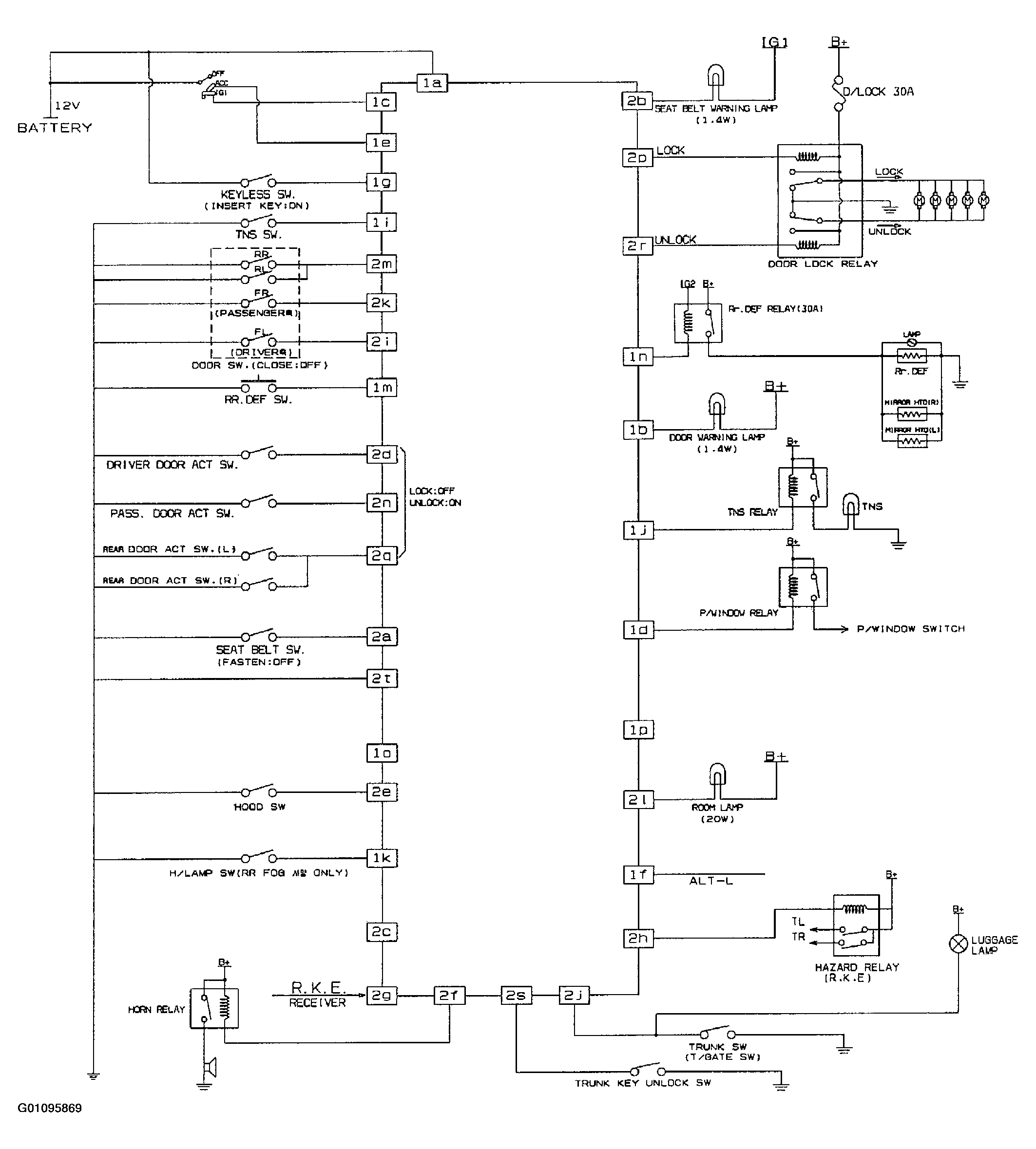
Circuit Diagram

Fig 1: ETACS Circuit Diagram
G01095869Courtesy of KIA MOTORS AMERICA, INC.