LEMON Manuals: Even more car manuals for everyone: 1960-2025
Home >> Kia >> 2003 >> Sorento V6-3.5L >> Repair and Diagnosis >> Diagrams >> Exploded Views >> Automatic Transmission/Transaxle >> System Diagram >> Automatic Transaxle
April 5, 2026: LEMON Manuals is launched! Read the announcement.

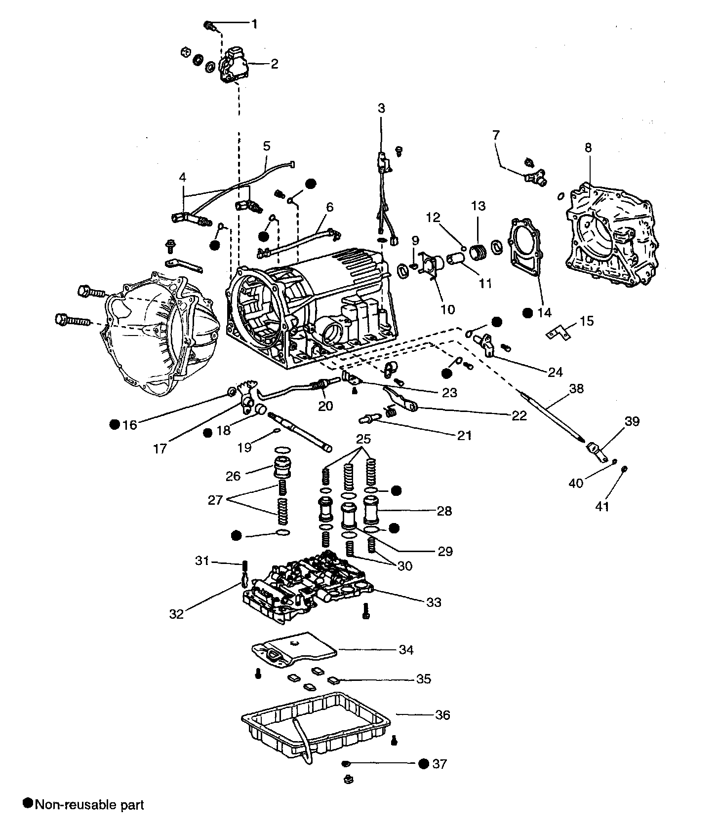
Automatic Transaxle

COMPONENTS (1):




COMPONENTS (1):




COMPONENTS (2):




COMPONENTS (2):