LEMON Manuals: Even more car manuals for everyone: 1960-2025
Home >> Kia >> 2004 >> Amanti V6-3.5L >> Repair and Diagnosis >> Powertrain Management >> Computers and Control Systems >> Relays and Modules - Computers and Control Systems >> Body Control Module >> Diagrams >> Electrical Diagrams
April 5, 2026: LEMON Manuals is launched! Read the announcement.

Electrical Diagrams

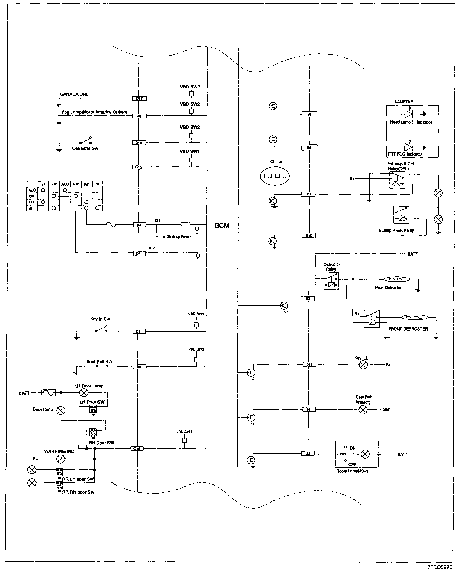
Body Control Module - Circuit Diagram Part 1:



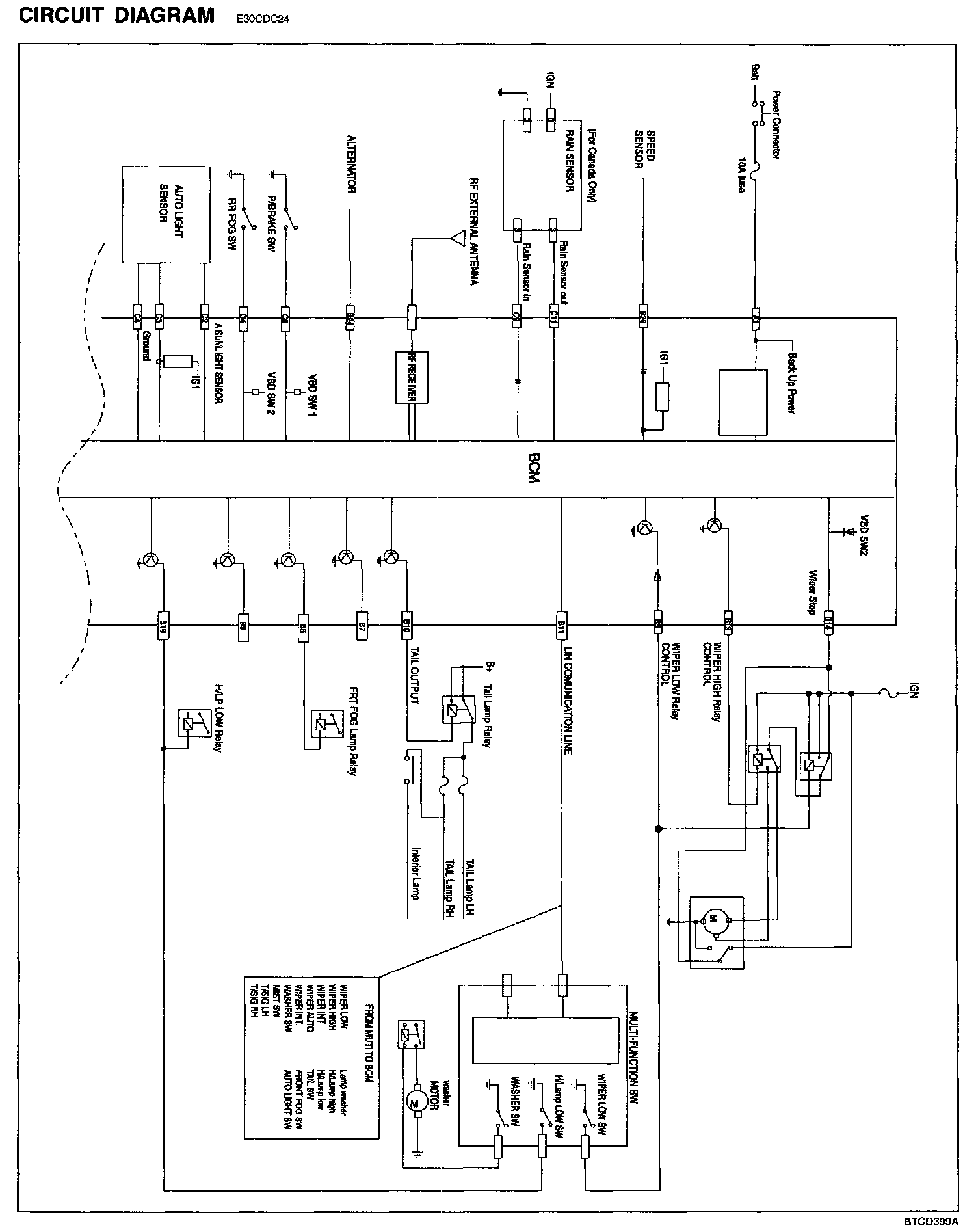
Body Control Module - Circuit Diagram Part 2:



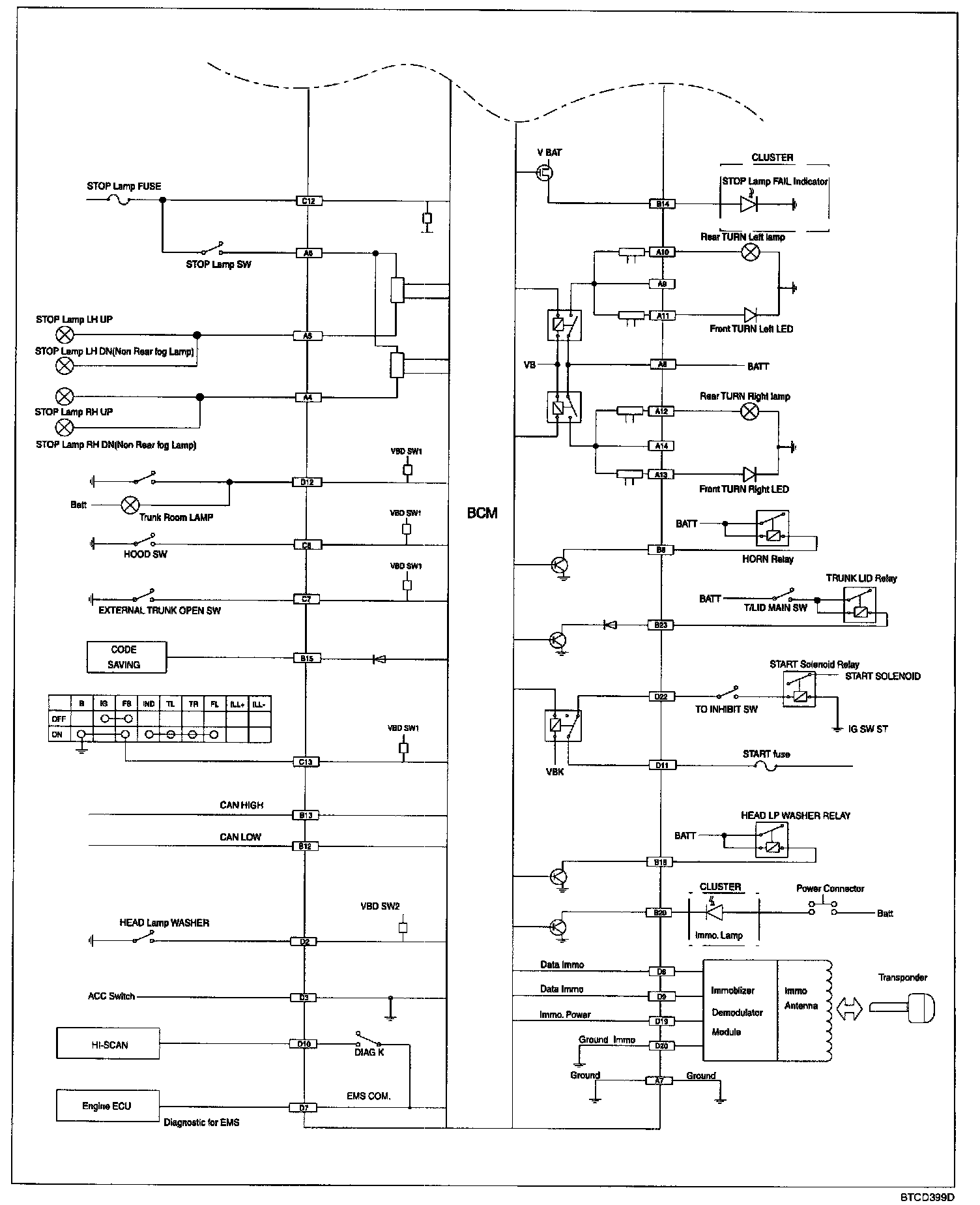
Body Control Module - Circuit Diagram Part 3: