LEMON Manuals: Even more car manuals for everyone: 1960-2025
Home >> Kia >> 2004 >> Sorento EX, 4WD, Part Time >> Repair and Diagnosis >> Engine Performance >> Fuel System & Fault Isolation >> DTC Troubleshooting Procedures >> DTC P0320: Ignition/Distributor Engine Speed Input Circuit >> Schematic Diagram
April 5, 2026: LEMON Manuals is launched! Read the announcement.

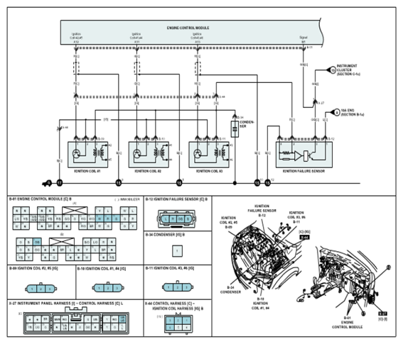
Schematic Diagram

Fig 1: Ignition Failure Sensor Schematic Diagram
G07703231