LEMON Manuals: Even more car manuals for everyone: 1960-2025
Home >> Kia >> 2004 >> Sorento V6-3.5L >> Repair and Diagnosis >> Diagrams >> Exploded Views >> Automatic Transmission/Transaxle >> System Diagram
April 5, 2026: LEMON Manuals is launched! Read the announcement.

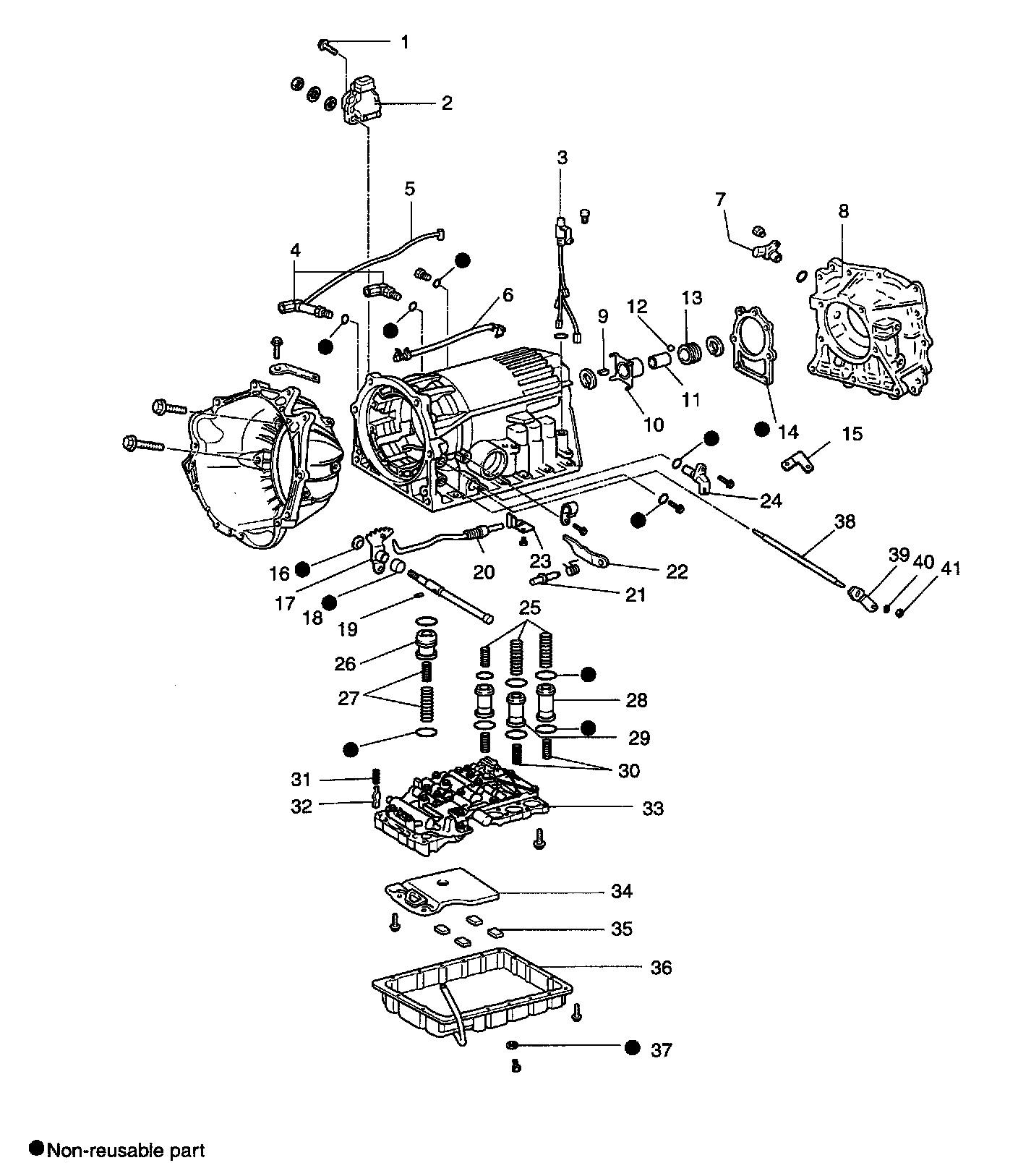
System Diagram








COMPONENTS (1)








COMPONENTS (2)