LEMON Manuals: Even more car manuals for everyone: 1960-2025
Home >> Kia >> 2005 >> Optima LX, 2.4 6, Standard >> Repair and Diagnosis >> Engine Performance >> Engine Control Systems >> Engine Control System/Fuel System - 2.4L (M/T) >> MFI Control System >> Throttle Position Sensor (TPS) >> Circuit Diagram (TPS)
April 5, 2026: LEMON Manuals is launched! Read the announcement.

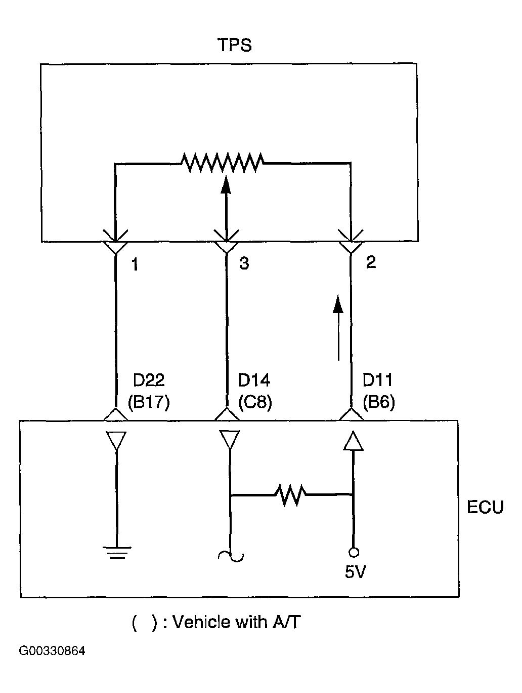
Circuit Diagram (TPS)

Fig 1: Identifying Throttle Position Sensor (TPS) Circuit Diagram
G00330864Courtesy of KIA MOTORS AMERICA, INC.