LEMON Manuals: Even more car manuals for everyone: 1960-2025
Home >> Kia >> 2006 >> Rio L4-1.6L >> Repair and Diagnosis >> Diagrams >> Exploded Views >> Housing Assembly HVAC
April 5, 2026: LEMON Manuals is launched! Read the announcement.

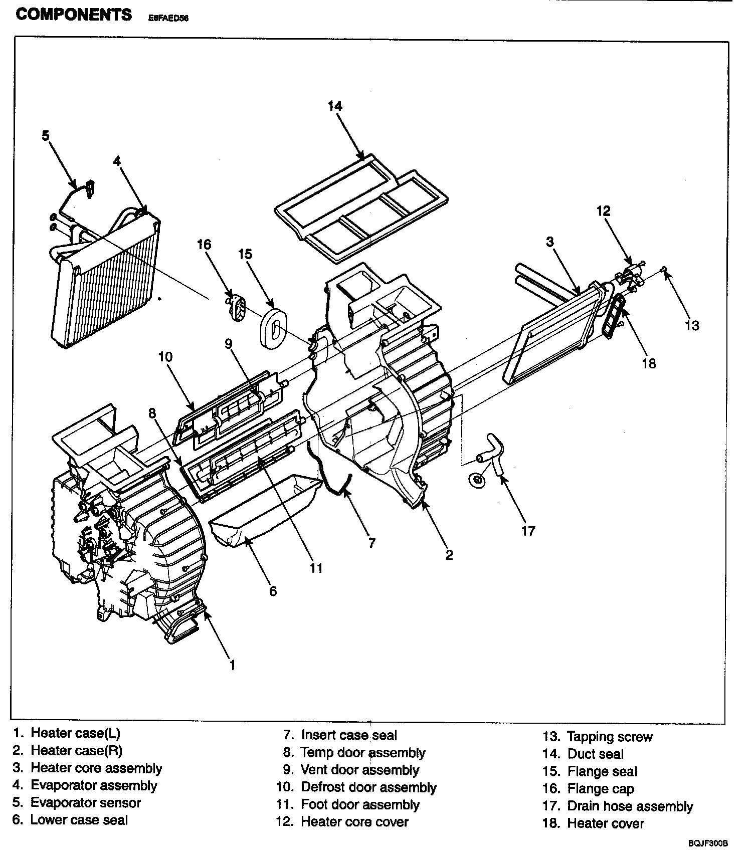
Housing Assembly HVAC

Heater Unit Components:



Heater Unit Components: