LEMON Manuals: Even more car manuals for everyone: 1960-2025
Home >> Kia >> 2007 >> Amanti >> Repair and Diagnosis >> Body & Frame >> Body, Cab Control Systems >> Body Control Module >> Circuit Diagrams
April 5, 2026: LEMON Manuals is launched! Read the announcement.

Circuit Diagrams

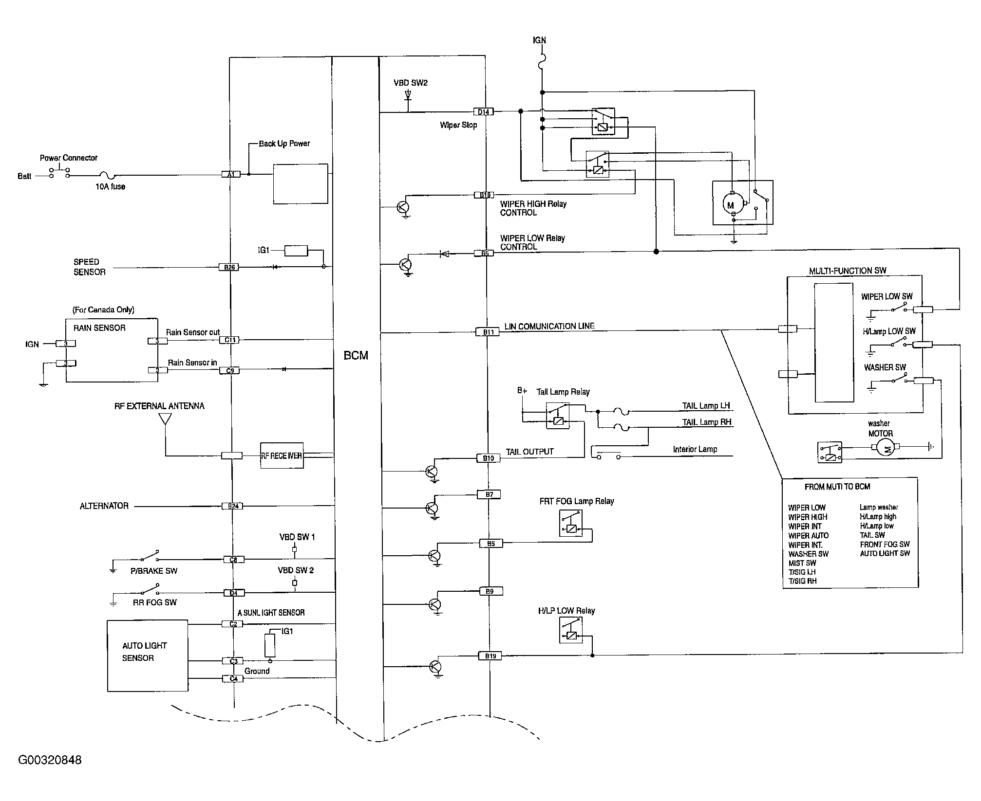
Fig 1: Circuit Diagram (1 Of 3)
G00320848Courtesy of KIA MOTORS AMERICA, INC.
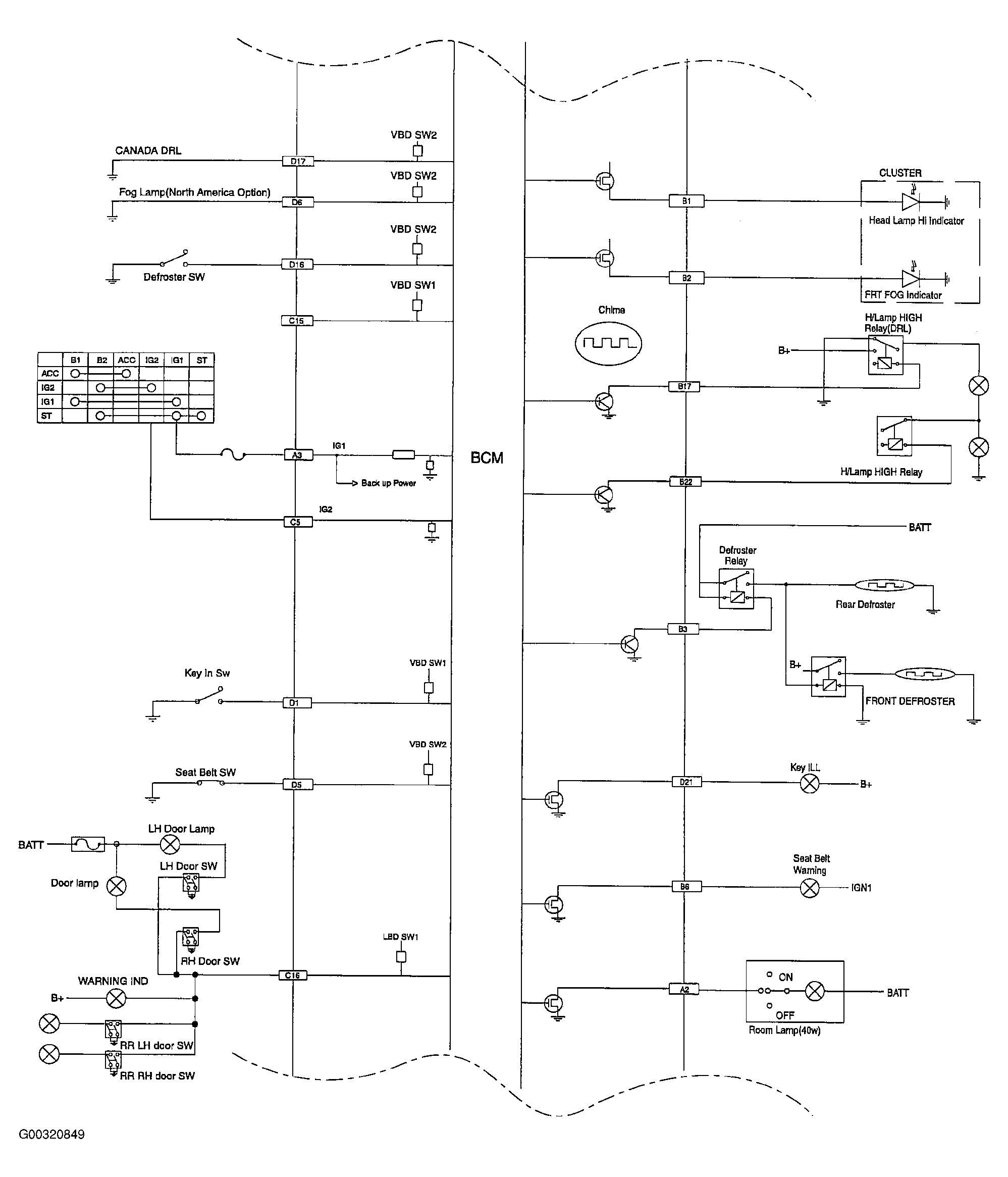
Fig 2: Circuit Diagram (2 Of 3)
G00320849Courtesy of KIA MOTORS AMERICA, INC.
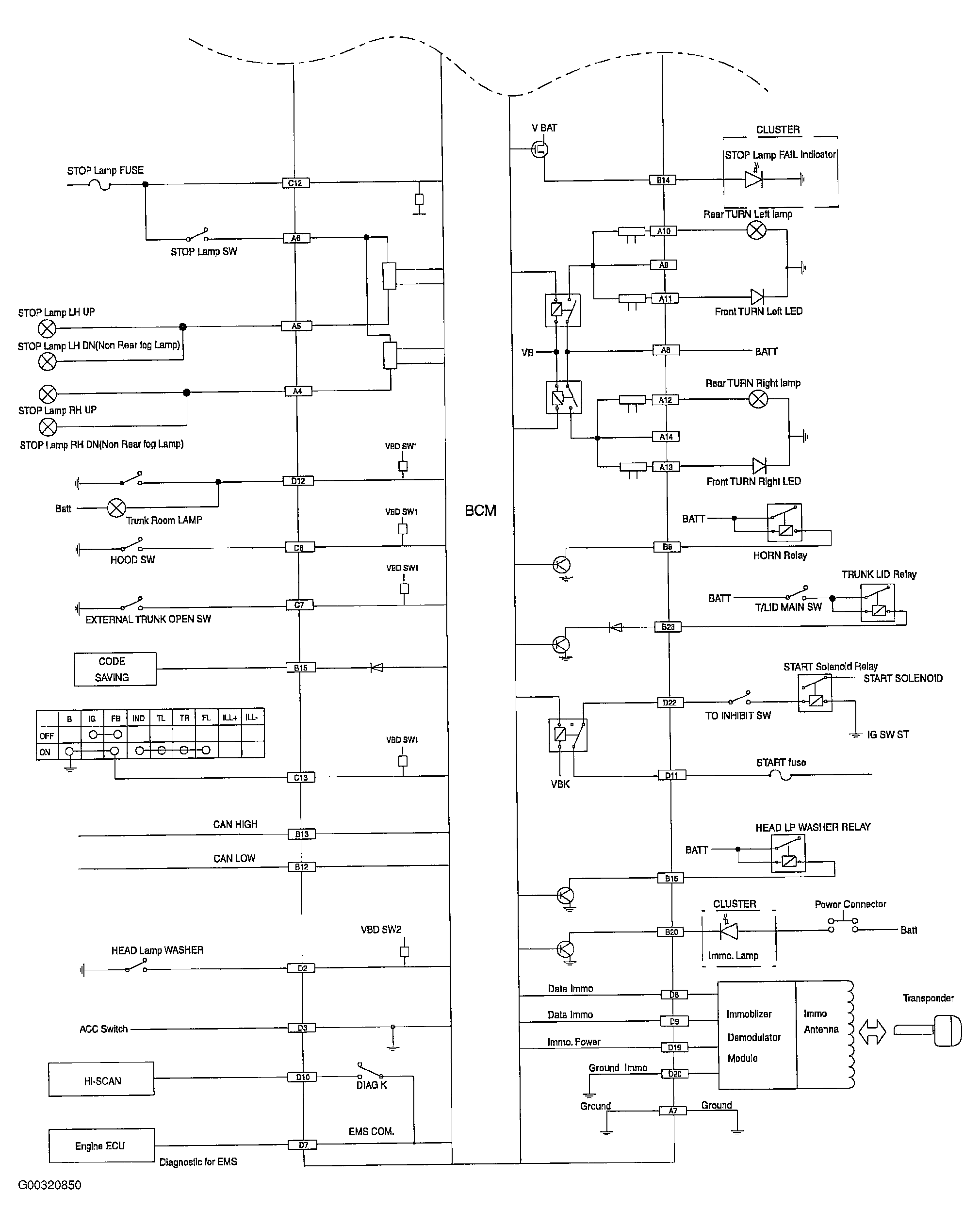
Fig 3: Circuit Diagram (3 Of 3)
G00320850Courtesy of KIA MOTORS AMERICA, INC.