LEMON Manuals: Even more car manuals for everyone: 1960-2025
Home >> Kia >> 2007 >> Rio5 Automatic >> Repair and Diagnosis >> Engine Performance >> Engine Control Systems >> Gasoline Engine Control System >> Powertrain Control Module (Pcm) >> Circuit Diagram >> [M/T]
April 5, 2026: LEMON Manuals is launched! Read the announcement.

Circuit Diagram: [M/T]

Fig 1: A/T Circuit Diagram (5 Of 8)
G04862033Courtesy of KIA MOTORS AMERICA, INC.
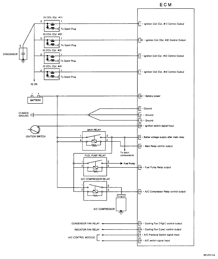
Fig 2: A/T Circuit Diagram (6 Of 8)
G04862034Courtesy of KIA MOTORS AMERICA, INC.
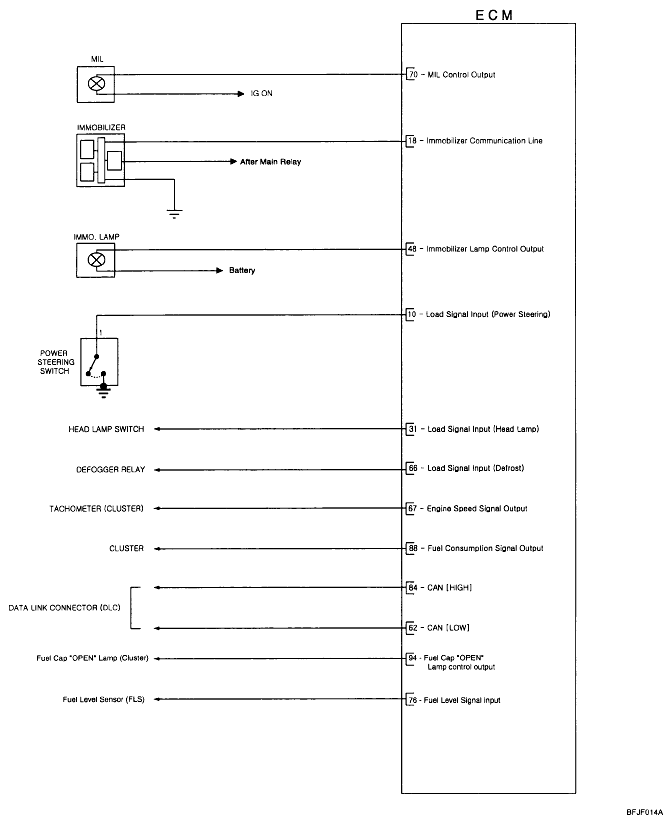
Fig 3: A/T Circuit Diagram (7 Of 8)
G04862035Courtesy of KIA MOTORS AMERICA, INC.
Fig 4: A/T Circuit Diagram (8 Of 8)
G04862036Courtesy of KIA MOTORS AMERICA, INC.